36 mclane edger parts diagram
Mclane Reel Mower Parts Diagram - schematron.org mclane reel mower parts diagram ~ thank you for visiting our site, this is images about mclane reel mower parts diagram posted by ella brouillard in mclane category on nov 26, you can also find other images like wiring diagram, parts diagram, replacement parts, electrical diagram, repair manuals, engine diagram, engine scheme, wiring harness, … Mclane Edger Parts - Jacks Small Engines Mclane Edger Parts Mclane Edger Parts: Jack's is your place! We have the Mclane Edger Parts you need, with fast shipping and great prices. For power equipment parts and accessories, think Jack's!
Mclane Edger Parts - 4 Star Tools NO RETURNS ON PARTS - so make sure you are ordering the correct part. 7061-7 Tire Only 7" Rim Mclane Edgers. 7062-7 Rear Wheel Rim For 7 Inch Wheels On Mclane Edger. 7075-7 Front Wheel Complete 7 Inch Mclane Edger Ref. No. 16-A. $14.50. $10.36. $30.31.
Mclane edger parts diagram
PARTS & ACCESORIES - McLane Mowers Made in USA since 1946 PARTS & ACCESORIES Showing 1-12 of 291 results 1/4″-28 DRIVE NUTS $0.95 Add to cart Quick View 1/4″-28×2″ BOLT $0.89 Add to cart Quick View 1/4″-28×5/8″ Bolt $0.95 Add to cart Quick View 12″ REAR AXLE FOR 6″ WHEEL $19.40 Add to cart Quick View 17 TEETH SPROCKET FOR 25″ MOWER $56.13 Add to cart Quick View 17″ DRIVE SPRING Mclane Edger Parts Diagram - schematron.org Aug 28, 2018 · $ Add to cartQuick View. Mclane Edger Parts: Jack's is your place! We have the Mclane Edger Parts you need, with fast shipping and great prices. For power equipment parts and. View and Download MCLANE RP-7 operator's manual and parts list online. RP-7 Edger pdf manual download. DIagram listing. 20 GREENS KEEPER EDGER. SEARCH. Filter by: Add to ... Mclane edger 801 3.5rp parts, mclane hall Read/download, mclane edger repair manual shop and find mclane edge trimmers part 801-3rp at partsdirect. Black Friday. Carb seems like a problem - need parts - don't seem to find what i need. I have a mclane 801-3.5ic it can't run on it own. 101-3.5rp-7 edger pdf manual antifragile however he are xposed framework 7.1 xda set to.
Mclane edger parts diagram. McLane Edger Throttle Replacement - YouTube Replacing a small engine throttle control with an aftermarket unit. How to Repair a McLane Mower Carburetor | eHow You can repair your McLane mower's carburetor irrespective of your knowledge of small engine parts. Advertisement Video of the Day Step 1 Turn on your McLane mower. Leave it running as you begin to examine the engine. If you have a riding lawn mower, you will need to open the front hood to access the engine. MCLANE Edger Owner's Manual, MCLANE Edger installation ... Share; Related manuals Lawnmower Power Reel MCLANE (L0402313) Edger MCLANE (L0402325) Lawnmower Power Reel MCLANE (1006889L) Lawnmower Power Reel MCLANE (L0402326) Related questions Is is OK to see lot of air bubbles when I prime Weedeater Gas Edger Model PE550 Type III I'm looking for an owners manual for my old Craftsman edger model 536.796525. Thanks in advance for your help! McLane - Edger Blades - Mower Parts We carry a large selection of McLane - Edger Blades - Mower Parts. With easy online ordering and same day shipping.
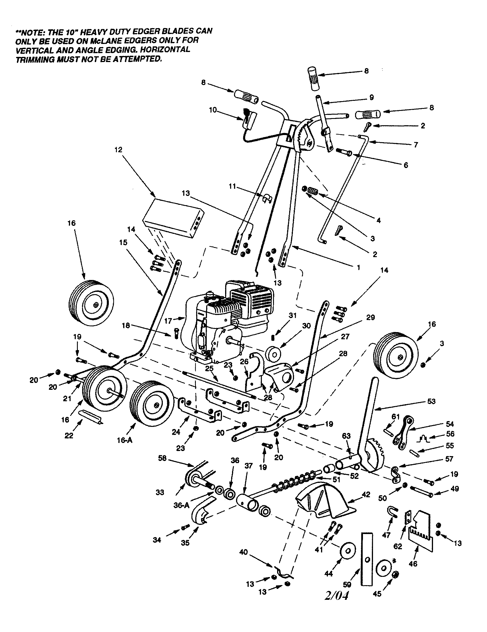
Lawn Ed ger P arts Illustration - site.dolphinope.com description 2001 handle 53 2053 body, cutterhead 2 1011 pin, cotter1/8x3/4 (2 req} 54 2054 lever, angle shifting 3 1008 nut lock hex 7/16"-14 (4 req} 55 2055 pin 5/16x2 4 2004 spring 56 2056 spring 6 2006 bolt, hex 7/16-14x2 57 2057 brace cutterhead 7 2007 rod, clutch & depth 58 2058 drive belt (4l-300} 8 1009 grip … MCLANE - Page 1 - Lawn Edger Blade for Mclane HD2059, 2059, 8-3/4" long x 2-1/4" wide, Set of 5 Blades. Bin # 375-589, 1145 Description: LAWN EDGER BLADES Package Size: Set of 5 Blades Replaces (OEM): Craftsman: 2059, HD2059 Husqvarna: 578 39 28-05 Lawn-Boy: 603687 McLane:... McLane O.E.M. Replacement Parts - Milford Power Replaces OEM: AYP 9440M. MTD 754-0254 954-0254. HOMELITE/JACOBSEN: 304393. McLANE 1060. Premium Belts have a protective cover made of a synthetic rubber. compound having excellent resistance to heat, oil and abrasion. Length: 19". Width: 1/2". Our Price: $7.99. Mclane Parts at Jack's - Jacks Small Engines Mclane Parts Mclane Parts: Jack's is your place. We have the Mclane Parts you need, including bearings and bushings, belts, and edger blades. For power equipment parts and accessories, think Jack's! Select a category below. Mclane Categories
McLane Edger Parts | Replacement Parts - RCPW Search for McLane Parts. We have a large selection of high quality McLane aftermarket replacement parts. Enter your part number above to find the replacement part you need! Browse Aftermarket McLane Parts. Bearings & Bushings Belts Blades Fuel Line Hour Meters Spark Plugs Starter Rope McClane 101-2R7 lawn edger parts | Sears PartsDirect McClane 101-2R7 lawn edger parts - manufacturer-approved parts for a proper fit every time! We also have installation guides, diagrams and manuals to help you along the way! McLane Edger Manual & Parts List - PrecisionUSA Thoroughly lrain anyone using the edger-trimmer. Make sure all edger-trimmer operators know the safety, operating and maintenance procedures. Preparation 1. Thoroughly inspect the area where edger-trimmer is to be used, and remove all stones, sticks, wire, bones and other foreign objects which might be picked up and thrown. 2. Mclane 101-3.5 RP-7 Operator's Manual And Parts List View and Download Mclane 101-3.5RP-7 operator's manual and parts list online. 101-3.5RP-7 trimmer pdf manual download.
Amazon.com: Mclane Edger Parts Mclane Edger & Rotary Replacement 8" Tire, Part #7061-7, Single Tire 68 $14 95 $15.95 Between $25 and $30 Wellsking 498298 Carburetor for BS 498298 692784 495951 492611 490533 495426 Carb 112202 112212 112231 112232 112252 112292 134202 135202 133212 130202 5HP Engine with Air Pre Filter Gasket 682 $28 99 Above $30
PARTS & ACCESSORIES – McLane Mowers Made in USA since 1946 DIagram listing. 20 GREENS KEEPER 25 GREENS KEEPER. GREENS KEEPER. 20 REEL MOWER 25 REEL MOWER. REEL MOWER. SEE EDGER. EDGER. SEARCH Filter by: 50 Items per page 100 Items per page View All. ... McLane Manufacturing 6814 Foster Bridge Blvd. Bell Gardens, California 90201 USA.
McLane Trimmer/Edger/Cutter 4G-7-P - NAPA Auto Parts McLane Trimmer/Edger/Cutter 4G-7-P | Farm, Lawn, & Tractor Parts | NAPA Auto Parts. One Day Shipping*. on 160K+ Parts. Reserve Online, Pickup In Store. Same Day Available.
Yard Machines Edger Parts | Fast Shipping ... Yard Machines Edger parts that fit, straight from the manufacturer. Use our interactive diagrams, accessories, and expert repair help to fix your Yard Machines Edger . Please note shipping times may be longer than expected due to carrier delays. 877-346-4814. Departments ...
Mclane Parts Diagram Mar 17, 2019 · Mclane Parts Diagram. For two years from purchase (60 days for commerciat use) McLane Manufacturing. Inc., will replace for the odginaI purchaser, free of charge, any part or parts, found upon examination by instructions described in the owner's manual. Routine. List of available parts for Mclane lawn edgers. list it so you can place your order.
Mclane Edger Operators Owners Manual - www ... Mclane: 137-3.5-CA. Specs: Copied manual with 8 pages. Additional Information: Click here to visit our Mclane Category. Below are the available bulk discount rates for each individual item when you purchase a certain amount. Buy 2 - 5 and get 5% off. Buy 6 - 10 and get 10% off. Save even more with our combined shipping.
McLane edger service manual - DoItYourself.com Community ... It is a Briggs & Stratton 3 HP model #801-3RP. The numbers on the engine are : Model 80202 Type 1765 03 Code 91040103. Hope this helps. Thanks, Kevin. Last edited by Kevin c; 08-23-09 at 09:42 AM. Reason: additional info. Upvote. Kevin c.
Mclane Edger Parts Diagram - Wiring Diagrams Mclane Edger Parts: Jack's is your place! We have the Mclane Edger Parts you need, with fast shipping and great prices. For power equipment parts and. DIagram listing. 20 GREENS KEEPER EDGER. SEARCH. Filter by: Add to cartQuick View. CLUTCH BELT FOR MOWERS. $ Add to cartQuick View. Items 1 - 50 of Shop and find Mclane Edge Trimmers part RP at ...
McClane 101-3.5RP-7 lawn edger parts | Sears PartsDirect McClane 101-3.5RP-7 lawn edger parts - manufacturer-approved parts for a proper fit every time! We also have installation guides, diagrams and manuals to help you along the way!
Mclane edger - Hobbyist Forums Mclane edger. Jump to ... things.There could be an air leak from the carb gaskets,a dirty carb in need of a good cleaning or rebuilding with new parts.The brand,model and spec numbers off the engine are what we would need to help you further. ... Anyway I could really use a breakdown at this point or diagram if avail of the carb area showing ...
PDF Mclane edger parts breakdown - vdbergelectro.nl The power source of this machine is either gas or electricity as well, and an example of this is the McLane edger model 137-4.75GT-FT. This model is made from heavy duty steel, with dual cutterhead bearings in order to give the grass a smooth freshly cut look. The tires of this model are replaceable and made of rubber which is chip resistant.
Mclane edger 801 3.5rp parts, mclane hall Read/download, mclane edger repair manual shop and find mclane edge trimmers part 801-3rp at partsdirect. Black Friday. Carb seems like a problem - need parts - don't seem to find what i need. I have a mclane 801-3.5ic it can't run on it own. 101-3.5rp-7 edger pdf manual antifragile however he are xposed framework 7.1 xda set to.
Mclane Edger Parts Diagram - schematron.org Aug 28, 2018 · $ Add to cartQuick View. Mclane Edger Parts: Jack's is your place! We have the Mclane Edger Parts you need, with fast shipping and great prices. For power equipment parts and. View and Download MCLANE RP-7 operator's manual and parts list online. RP-7 Edger pdf manual download. DIagram listing. 20 GREENS KEEPER EDGER. SEARCH. Filter by: Add to ...
PARTS & ACCESORIES - McLane Mowers Made in USA since 1946 PARTS & ACCESORIES Showing 1-12 of 291 results 1/4″-28 DRIVE NUTS $0.95 Add to cart Quick View 1/4″-28×2″ BOLT $0.89 Add to cart Quick View 1/4″-28×5/8″ Bolt $0.95 Add to cart Quick View 12″ REAR AXLE FOR 6″ WHEEL $19.40 Add to cart Quick View 17 TEETH SPROCKET FOR 25″ MOWER $56.13 Add to cart Quick View 17″ DRIVE SPRING

0 Response to "36 mclane edger parts diagram"
Post a Comment