38 Hitachi Starter Generator Wiring Diagram
Generator Wiring Diagram And Electrical Schematics Pdf Newage Stamford Generator Wiring Diagram Wiring Diagrams. Ac Generator Circuit Diagram With Internal Regulator. Electrical Schematic Symbols Chart Pdf Panel Wiring How To. Simple House Wiring Pdf Schematics Online. 4cc98 Stamford Generator Wiring Diagram 125 Mp Digital. STARTER GENERATOR INSTALLATION MANUAL - PDF Free... Original Issue 19 August, 2011 Revision : N/R STARTER GENERATOR INSTALLATION MANUAL STARTER GENERATOR SERIES: 150SG 160SG 200SG 200SGL 250SG 300SG 300SGL 400SG PROPRIETARY INFORMATION NOTICE The information.
PDF Service Manual 3.4 Generator Wiring Diagram. (1) Generator armature winding wires Remove all wires leading to the control panel terminal from the generator, and measure the resistance between the wires on the generator side.

Hitachi starter generator wiring diagram
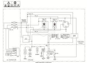
Where is my small engine wiring diagram? | Briggs & Stratton In addition to wiring diagrams, these guides also provide information on Alternator Identification and procedures for an engine replacement with a new Briggs & Stratton engine that utilizes a different style alternator (output connector). If you wish to perform any required small engine maintenance or repairs... Wiring Diagram - Hitachi RAS-25CNH1 Service Manual... | ManualsLib Hitachi RAS-25CNH1 Manual Online: Wiring Diagram. MAIN PARTS COMPONENT page 33 page 34 - WIRING DIAGRAM page 35 - CIRCUIT DIAGRAM page 36 page 37 - BLOCK DIAGRAM page 38 - BASIC MODE page 39 page 40 page 41 page 42 page 43 page 44 page 45 - AUTO SWING... (PDF) Integrated Starter-Generators for Automotive Applications The integrated starter-generator (ISG) replaces both the conventional starter and alternator (generator) of Firstly, a phasor diagram is used to explain the principle of how controlling the phase voltage For improved stability and balance, ribbon bonding was used instead of wire bonding, the...
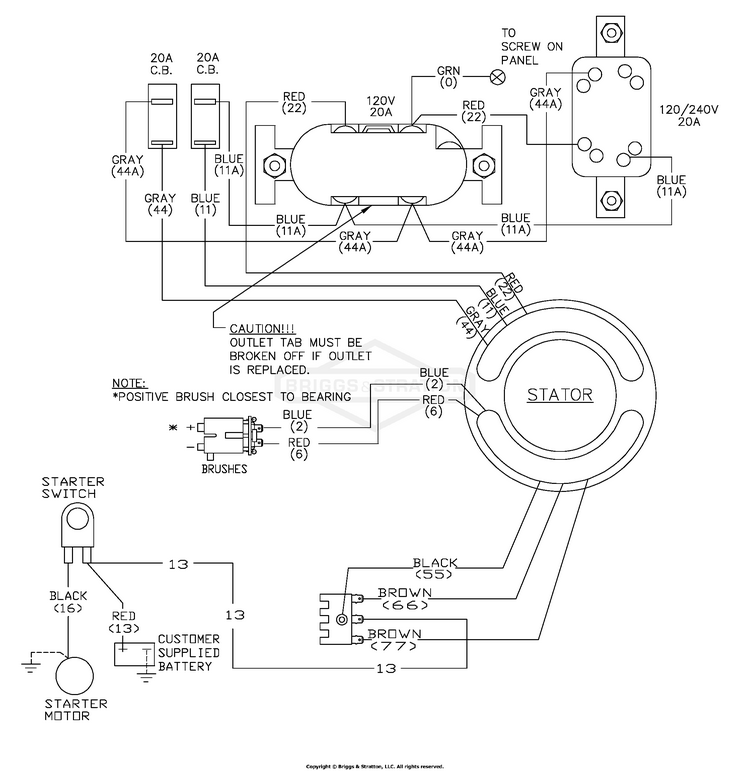
Hitachi starter generator wiring diagram. PDF PowerPoint Presentation | 18-Amp Hitachi Starter-Generator (200-W) •Hitachi Starter-Generator Set (Genset) Is a Simple Unit -DC motor with an Extra Set of Brushes on the Commutator for Charging Service -Starting Circuit Is Energized Only When the Starter Button Is Depressed, and the Generator Circuit Is Operating the Rest of the Time... three phase dol starter Control overload Indicator Power Wiring... 3 Phase DOL Starter Control and Power Wiring Diagram! water Pump Controller with float switch. Joint of Electric Wire with Heat Shrink Tubing. Onan Generator Wiring Diagram Onan Generator Wiring Diagram isavetractors articles 1 wiring diagram for garden tractors Here is an example wiring diagram for a garden tractor that is equipped with a Delco Remy Starter Generator The below diagram also shows our 5 prong 3 position ignition switch and our 4 prong mechanical... SOLVED: I need a wiring diagram for a hitachi starter - Fixya ...diagram for a hitachi starter generator on a yamaha golf cart, the terminals are labled A1, A2, F1 - NEC Mitsubishi MGE 4000 Generator question. hi, i am replacing a kitchen oven. the existing wires consist of 1 bare, 1 black, and 2 red. the oven terminal consists of earth, neutral, and a1 and a2 .does...
Hitachi Starter Generator Wiring Diagram - Fuse & Wiring Diagram New Wiring Diagram Hitachi Starter Generator Diagram. Wiring diagram with hitachi generatorstarter gsb107. 3102201hi1 combination starter generator golf cart 25 amp 12 volt counter clockwise rotation. Electrical Wiring Diagrams (Electrical Circuits, Electrical Schematic...) Electrical Wiring Diagrams. 9,14 Mb. Electrical wiring diagrams for Audi A6 C5/4B (Audi A6 II). Golf Cart Starter Generator Wiring Diagram - Wiring Site Resource Our starters meet or exceed oem quality at a fraction of the cost. Small engine starter generators club car golf carts cub cadet tractors e... Принципиальные электрические схемы, service manuals, прошивки... ...Видеомагнитофоны - ... - AIWA - ... - HITACHI - ... - JVC - ... - PANASONIC - ... - Samsung - ... - SHARP - ... - SONY - ... - THOMSON - ... - Видеодвойки - ... - AIWA - ... - SAMSUNG - ... - DVD-проигрыватели...
PDF PowerPoint Presentation | 18 Amp Hitachi Starter-Generator Hitachi Starter-Generator Retro-Fit Kit. Hitachi GSB107-04A and Replacements. Hitachi 5-Terminal Starter-GeneratorTerminal Designations and Mounting • Handlebar Start Button -Regular Starter Circuit Grounds a Connection at the Handlebar for Electric-Start -The Hitachi Unit Has a Hot Wire... PDF HITACHI Model Модель E24.E35.E40.E50.E57 Generator Hitachi Koki WW.Benzo-Generator.ru. CONTENTS. PAGE. Service and repairs, Replacement parts. Wiring diagram. Operation and maintenance … Components. HITACHI Excavator Manual & Wiring Diagrams PDF History of Hitachi Construction Machinery. Some HITACHI Excavator Manual & Wiring Diagrams PDF are Looking for wiring diagram for M1070 Oshkosh truck location of wires on top of dog box or darren (Friday, 07 December 2018 23:51). looking for service manual for 2006 condor with starter... Wiring Diagram for Garden Tractors with a Delco Remy Starter... The below diagram also shows our 5 prong, 3 position ignition switch, and our 4 prong mechanical voltage regulator. Note: You can either Whichever terminal you do not use, block it off with electrical tape or a wire crimp connection. There is no need to polarize a starter/generator after installation.
27 Detroit Diesel Engine Service Manuals Free Download Detroit Diesel Engines Wiring diagrams. Compact diesel engines GM Diesel were actively used on landing ships, tanks and on standby generators during the Second World War.
Морская техническая документация / Instruction Manuals and Spare... 193294 Diesel Generator set Cummins 6BTA series engine - Specification sheet (136kVA - 150kVA 50Hz, 122kW - 135kW 60Hz Power). 193295 Replacing the stock 35 PSI exhaust valve springs with H.D. 60 PSI exhaust Valve Springs in a 12 valve 5.9L Cummins diesel engine.
Starter generator installation manual AL-4 START CYCLES After every start cycle, the starter-generator as well as the engine should have the opportunity to cool off. Size Torque Value (pound-inches) # 3/8-24 Stud 160 - 190* # 10-32 Stud 20 - 25 *May be increased to 200-235 in lbs. if needed for multiple wires on a single terminal.
Electrical Solutions for Small Engines and Garden Pulling... Cub Cadet Factory Wiring Diagrams (Externally linked to http When testing the starting circuit with a fully charged jumper/booster battery, connect the negative lead These blocks were designed for the starter/generator only. Parts needed to convert virtually any small gas engine to electric gear start
PDF Wiring Diagram Book WIRING DIAGRAM A wiring diagram shows, as closely as possible, the actual location of all component parts of the device. Note: Starters are factory-wired with coil connected for the higher voltage. If starter is used on lower voltage, connect per coil diagram.
Wiring diagram with hitachi generator/starter gsb107 May 23... Hitachi Starter Generators Hitachi GSB107-04A and Replacements •Used in 1998 Ural (650 cc) on Imported Models to U.S. •Also Used in EZ-GO and 5 Terminal Hitachi OE# XXXXX See more results Related searches for hitachi gsb107 wiring diagram hitachi starter generator gsb107 04ahitachi...
Hitachi starter generator wiring diagram golf cart... New Wiring Diagram Hitachi Starter Generator #diagram # May 1, 2019 - New Wiring Diagram Hitachi Starter Generator #diagram #diagramsample #diagramtemplate #wiringdiagram #diagramchart #worksheet #worksheettemplate Check more at https: Golf Cart Motor Gas Golf Carts...
Wiring Diagram Hitachi Starter Generator - 9 Hitachi Lr180 03c Alternator Wiring Diagram Wiring Diagram. Yamaha Golf Cart Starter Generator Wiring Wiring Diagram. Delco Starter Parts Breakdown Box Wiring Diagram. Mini Airboat Association. Bolens Lawn Tractor Ignition Switch Wiring Diagram Wiring.
(PDF) Integrated Starter-Generators for Automotive Applications The integrated starter-generator (ISG) replaces both the conventional starter and alternator (generator) of Firstly, a phasor diagram is used to explain the principle of how controlling the phase voltage For improved stability and balance, ribbon bonding was used instead of wire bonding, the...
Wiring Diagram - Hitachi RAS-25CNH1 Service Manual... | ManualsLib Hitachi RAS-25CNH1 Manual Online: Wiring Diagram. MAIN PARTS COMPONENT page 33 page 34 - WIRING DIAGRAM page 35 - CIRCUIT DIAGRAM page 36 page 37 - BLOCK DIAGRAM page 38 - BASIC MODE page 39 page 40 page 41 page 42 page 43 page 44 page 45 - AUTO SWING...

Rareelectrical STARTER COMPATIBLE WITH GENERATOR EZ GO GOLF TURF UTILITY INDUSTRIAL CART GSB107-10B GSB107-10C
Where is my small engine wiring diagram? | Briggs & Stratton In addition to wiring diagrams, these guides also provide information on Alternator Identification and procedures for an engine replacement with a new Briggs & Stratton engine that utilizes a different style alternator (output connector). If you wish to perform any required small engine maintenance or repairs...
0 Response to "38 Hitachi Starter Generator Wiring Diagram"
Post a Comment