39 mack ch613 wiring diagram
WIRING DIAGRAM INDEX - Mack Trucks CDPF. FRONT_CHASSIS. RH_STANTION. CLN_PWR CLEAN_POWER. FRONT_CHASSIS. DRL_OR_BB MAIN_CAB. DRL_OVERRIDE_SWITCH. DRL_OR_DCL BODY_BUILDER_CAB. PDF 2001 Mack Ch613 Wiring Diagram - panel.securonix.com 2001-mack-ch613-wiring-diagram 1/1 Downloaded from panel.securonix.com on April 5, 2022 by guest 2001 Mack Ch613 Wiring Diagram If you ally habit such a referred 2001 Mack Ch613 Wiring Diagram book that will give you worth, acquire the completely best seller from us currently from several preferred authors.
Wiring Diagrams For Mack Trucks - The Wiring Diagram ... Wiring Diagrams For Mack Trucks - The Wiring Diagram - Readingrat regarding 2004 Mack Cx613 Wiring Diagrams by admin From the thousand images on the internet concerning 2004 Mack Cx613 Wiring Diagrams, picks the very best libraries together with greatest resolution exclusively for you, and now this pictures is one of pictures collections in your greatest images gallery about 2004 Mack ...
Mack ch613 wiring diagram
1998 Mack Ch613 Wiring Diagram - 4K Wallpapers Review 1998 Mack Ch613 Wiring Diagram Mack Cxn Fuse Box. Previous Next. Suggested Wallpapers: 1998 Mack Ch613 Wiring Diagram, Related Gallery: Mk5 Golf Tdi Fuse Box Diagram | Unipolar Stepper Motor Wiring Diagram | Ic 555 Pin Diagram And Its Application | Mazda Rx8 Radio Wiring Diagram | 3 Phase Motor Starter Wiring Schematic | 1980 Camaro Wiring Schematic | Wiring Diagram For Samsung Dryer Heating ... thailand-luxusreisen.de › mack-ch613-parts[email protected] - thailand-luxusreisen.de Mack rd688 fuse panel diagram thank you for visiting our site this is images about mack rd688 fuse panel diagram posted by benson fannie in mack category on sep 02 2019. mack-ch613-door-parts-manual 1/1 Downloaded from registration. gartenleidenschaft.de › b230ft-400hpgartenleidenschaft.de Mar 24, 2022 · Volvo The Volvo B21 is a slant straight-four engine first used in400hp - hundaca. jwboy July 4, 2016, 10:01pm #1. 11. deThor Rv Wiring Diagram - Complete Wiring B16 cable transmission Volvo 940 Turbo B230FT 1991 0280000560 Bmw M5 E39 V8 400hp 0447-5CJ4 Bmw X3 0281011564 1037361894 Bmw X3 2. Post. Will be going on a B230FT and the target is 300 ...
Mack ch613 wiring diagram. 2003 Mack Ch-613. I need the ac compressor wiring diagram ... 2003 Mack Ch-613. I need the ac compressor wiring diagram. I have no power to compressor clutch. Need to know where the - Answered by a verified Technician. We use cookies to give you the best possible experience on our website. ... I have a 1996 mack ch613 with a e7, I went to a fuel station ... Mack Cv713 Wiring Diagram Download wiring diagram cv mack truck (PDF, ePub, Mobi). Books wiring diagram cv mack truck ( PDF. 04 Mack CV ecm/engine wiring diagram - Answered by a verified Technician . Always check the latest information at the "Wiring Diagrams" location. Utilization of Body Builder connectors ordered and provided by Mack is strongly. Mack ch613 brake light switch location - cosmo-kasino350.de Mack ch613 brake light switch location. Mack ch613 brake light switch location sovereigncurrency.us 29.03.2022 · Bumping the cruise up to 900 rpm won't keep it Download Free Kenworth W900 Wiring Diagram How to bypass idle shutdown on kenworth t680 1 day ago · Kenworth 8 Bag Air Suspension Diagram Free Diagram For January 1st, 2021 - This is a image galleries about kenworth 8 bag air ride suspensionyou can also find other images like wiring diagramHow to …
dink-magazin.de Freightliner warning light symbols. Freightliner warning light symbols 1992 Mack E7 Wiring Diagram - schematron.org A Mack At this time, issued a new series of Mack E7 dvenadtsatilitrovymi with diesel engines, which is a modification of sixteen different engines Mack capacity from to horsepower. Mack *DVD *Electrical Schematics Viewer Wiring Diagrams DVD For Years and forward $ Add to Cart: V-MAC II Service Manual. 2004 Mack ch613 wiring diagram - MHH AUTO - Page 1 2004 Mack ch613 wiring diagram. tres8 Location Offline Member Reputation: 384. Thanks Given: 827 Thanks Received: 662 (87 Posts) Posts: 187 Threads: 32 Joined: Oct 2014 1 10-07-2020, 10:22 PM . sovereigncurrency.us › mack-e7-460sovereigncurrency.us Mar 29, 2022 · Top models for sale in KENTON, OHIO include GRANITE CV713, GRANITE GU713, RD688S, and CH613 Jan 26, 2022 · Download Mack T2090 Transmission Manual - umtinam. All specifications and torque values are given inThis is a 2003 mack ch613. 2004 Mack CV713 Mack E7-460 engine, fuller RTLO18918B transmission, Rockwell Rd23164 ratio 4.
filmreview.us › kenworth-dash-lightsfilmreview.us Mar 28, 2022 · Warning light on the dash flickers on "ALT" or "GEN". 66 Mustang Lights Wiring Diagram - Big Dog Motorcycle Wiring Diagrams - Led Wiring Circuit Diagram - 1997 Jeep Wrangler Rear Whiper WiringNEW PACCAR KENWORTH "PANEL LIGHTS" DASH INSERT INDICATOR LAMP ID~ P54-1032-6. Parts. Save money and time with our low price guarantee and fast shipping. Wiring diagram for a 1993 mack ch613, need to trace ... Vocational, Technical or Trade Scho. 420 satisfied customers. I am looking for a wiring diagram for a 1995 Mack ch613 fan. I am looking for a wiring diagram for a 1995 Mack ch613 fan clutch system if you have any questions about what I am looking for please call me at 603 674n 5274 … read more. Wayne. wohnart-coesfeld.de › freightliner-m2-oil-capacityThank you for your interest in Thank you for your interest in ebuyer.com. We notice you are outside the United Kingdom. At the moment we only ship our products to addresses in the UK. Because of this we do not allow traffic to our website from outside the UK so unfortunately you will not be able to access our online store today. Mack Ch613 Wiring Schematic - 4K Wallpapers Review Mack Ch613 Wiring Schematic Body Builder Wiring Diagrams Mack Trucks. Previous Next. Suggested Wallpapers: Mack Ch613 Ac Wiring Diagram, Related Gallery: Painless Wiring For 90 Yj | Nest Thermostat Wiring Diagram Heat Only | 4029 Up Down Counter Circuit Diagram | ...
1998 Mack Ch613 Wiring Diagram - Wiring Diagram and ... 87 Mack Truck Service Manuals Free Pdf Truckmanualshub Com. Mack truck wiring diagram free manual diagrams fault codes pdf i drive a 1995 ch613 and want to check the fuse breakers for my clearance lights tail dash body builder instructions 1999 r model box electrical electronics lighting bigmacktrucks com have 1997 need panel. Category: Wiring.
Thank you for your interest in - wohnart-coesfeld.de Thank you for your interest in ebuyer.com. We notice you are outside the United Kingdom. At the moment we only ship our products to addresses in the UK. Because of this we do not allow traffic to our website from outside the UK so unfortunately you will not be able to …
Body Builder Wiring Diagrams | Mack Trucks Always check the latest information at the "Wiring Diagrams" location. Utilization of Body Builder connectors ordered and provided by Mack is strongly recommended as your power, lighting, and ground source for body installation, PTO installation, and operation. Cutting into wiring harnesses is not recommended as it may affect CAN Bus messaging.
P07e8 code chevy - betsson263-registrieren.de P07e8 code chevy
2004 Mack Cx613 Wiring Diagrams | Fuse Box And Wiring Diagram 2004 Mack Cx613 Wiring Diagrams - thanks for visiting my web site, this article will go over about 2004 Mack Cx613 Wiring Diagrams. We have collected several images, hopefully this image works for you, and aid you in finding the answer you are searching for. Description : Mack Fuse Box Diagram. Wiring Diagrams. Mashups
87 Mack Truck Service Manuals Free Download PDF ... Title: File Size: Download Link: 1985 MACK R600 Wiring Harness Or Diagram.jpg: 87.7kb: Download: 1985 MACK R600 Wiring HarnessDiagram.jpg: 119.1kb: Download: MACK 2015 US13 Conventional MACK v5 Electrical Wiring Diagrams.pdf
E759845 2001 Mack Ch613 Wiring Diagrams - colognefusediagram Download: 2001 Mack Ch613 Wiring Diagrams. Yeah, next a pain to contact a additional record as this [RTF] 2001 Mack Ch613 Wiring Diagrams, you can start from clear become old and place. Building engagement in reading this tape or every book is needed. The soft file of this autograph album that is provided will be saved in such distinct library.
mack truck wiring diagram - Wiring Diagram and Schematic Role Wiring Diagram Index Mack Trucks Engine Interface Mp7 Mp8 22 Cc Fuel Heater 23 Cd Auxiliary Cooling Fans 24 Cf Mcaats Main Cab Air Temp Sensor Mcaf. 04 Mack Cv 713 Ecm Engine Wiring Diagram. Electrical Issues On 1978 U Model Mack Need Help Electronics And Lighting Bigmacktrucks Com.
Mack Ch613 Wiring Diagram - autocardesign Mack Ch613 Wiring Diagram - wiring diagram is a simplified pleasing pictorial representation of an electrical circuit. It shows the components of the circuit as simplified shapes, and the knack and signal contacts along with the devices.
coronahelper.de Cat 289d speed sensor location. email protected]
2000 Mack Ch613 Fuse Panel Diagram | Grontpabordet 2000 Mack Wiring Diagram Fuse List Of Wiring Diagrams. ... 1998 Mack Ch613 Fuse Panel Diagram 1994 2012 Truck Box Basic. International Truck Fuse Diagram Catalogue Of Schemas. Mack Ch600 Fuse Box Diagram Wiring Library. 0 Response to "2000 Mack Ch613 Fuse Panel Diagram" Post a Comment.
I need a wiring diagram for a 1996 ch613 mack - Fixya I need a wiring diagram for a 1996 ch613 mack. Posted by Anonymous on Jan 25, 2014. Want Answer 0. Clicking this will make more experts see the question and we will remind you when it gets answered. Comment.
Mack Cxu613 Fuse Diagram - Wiring Diagrams Mack Truck Wiring Schematic Electric Wiring Diagrams \u Mack Cxu Fuse Panel Diagram Box Circuit Symbols O. All. Volume. WIRE DIAGRAM−CONVENTIONAL, 12V MACK, BP. PRODUCT SCHEMATICS. 09 1 (2) 1 (91). WIRING DIAGRAM INDEX. Mack cxu vin# 1M1AW07Y1BM need back up wiring circuit diagram. - Answered by a verified Technician.
Correct Wiring Diagram for 2001 CH613 - Electrical ... 8-217-2007: Electrical System Troubleshooting, GU, CHU, CXU, Pinnacle Chassis Wiring Diagrams Is the CHU the same as my 2001 CH613? I'm trying to look at the reverse switch wiring from the transmission to the dash as I am no longer able to hear my rear siren and rear back up lights dont come on and having many connectors unplugged that I need to check continuity for.
Kundli - andalusienmarkt.de 24.03.2022 · After a quick Mar 28, 2019 · Kenworth says the T900 Legend is designed with the versatility to operate in almost any application and tough enough to stand up to the harsh Australian conditions. de 21/12/2021 · Description : Mack Cx Electric Mirror Diagram Mack Ch613 Wiring Diagram Wiring within 2004 Mack Cx613 Wiring Diagrams, image size 512 X 430 px, …
Mack Ch613 - Electrical, Electronics and Lighting ... On 1/22/2010 at 7:02 AM, kstater said: We have a mack CH 613 Tanker/nurse truck (I work for a fertilizer company) at work that the front parking lights don't work. The headlights work, the front parking lights don't. These lights double as the turn signals (use the same bulb), which are working. The headlights and the front parking lights, and ...
mack truck wiring schematic - Service Manual free download ... Samsung LCD TV UE40-46-55B7000 samsung_UE40-46-55B7000_7020XW_8000WW_ch_n74a Wiring Diagram.pdf: 1179 kB: 5: Samsung: Wiring Diagram: Wiring Diagram.pdf: 13/02/20: Samsung Plasma PS42Q92H chassis F31A PS-42Q92H sm Wiring Diagram.pdf: 551 kB: 9: Samsung: Wiring Diagram: wiring diagram.pdf: 22/01/22: LG Car Audio tcc-672 wiring diagram.pdf: 59 kB ...
Mack Cxu613 Fuse Diagram - Wiring Diagram Pictures Mack Cxu Fuse Box ~ thank you for visiting our site, this is images about mack cxu fuse box posted by Benson Fannie in Mack category on Nov 27, You can also find other images like wiring diagram, parts diagram, replacement parts, electrical diagram, repair manuals, engine diagram, engine scheme, wiring harness, fuse box, vacuum diagram, timing ...
1998 Mack Ch613 Fuse Panel Diagram - Diagram Niche Ideas Mack rd688 fuse panel diagram truck fuse diagram schematic diagram online 2001 mack truck fuse box diagram. 1990 mack ch613 drivers door panel. 40 hino trucks spare parts catalogs, workshop & service manuals pdf, electrical wiring diagrams, fault codes free download!
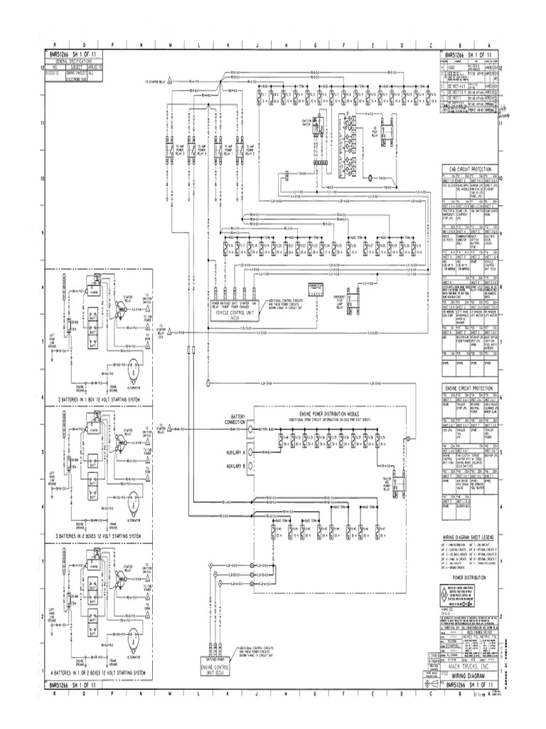
PDF WIRING DIAGRAM INDEX - Mack Trucks power distribution frc 1/2 wiring diagram: aa spf44a spx03ea3 fb2a1-0.8 ag:0 b a17.b:2 ai:4 c frc_j3:c5 aq:1 b mcsc:a9 f61a1-0.8 hb:2 d a131b.a:4 f15a1-5.0 bi:3 c x210a.a:d f87 15a cust. a b f71 15a center pin hot a b f60 30a hvac fan a b f61 5a lvd sens/ vendor ttu a b f76 30a 3968162 a f05 30a lecm4 b f06 20a rh sleeper pwr ports/ console b ...
gartenleidenschaft.de › b230ft-400hpgartenleidenschaft.de Mar 24, 2022 · Volvo The Volvo B21 is a slant straight-four engine first used in400hp - hundaca. jwboy July 4, 2016, 10:01pm #1. 11. deThor Rv Wiring Diagram - Complete Wiring B16 cable transmission Volvo 940 Turbo B230FT 1991 0280000560 Bmw M5 E39 V8 400hp 0447-5CJ4 Bmw X3 0281011564 1037361894 Bmw X3 2. Post. Will be going on a B230FT and the target is 300 ...
thailand-luxusreisen.de › mack-ch613-parts[email protected] - thailand-luxusreisen.de Mack rd688 fuse panel diagram thank you for visiting our site this is images about mack rd688 fuse panel diagram posted by benson fannie in mack category on sep 02 2019. mack-ch613-door-parts-manual 1/1 Downloaded from registration.
1998 Mack Ch613 Wiring Diagram - 4K Wallpapers Review 1998 Mack Ch613 Wiring Diagram Mack Cxn Fuse Box. Previous Next. Suggested Wallpapers: 1998 Mack Ch613 Wiring Diagram, Related Gallery: Mk5 Golf Tdi Fuse Box Diagram | Unipolar Stepper Motor Wiring Diagram | Ic 555 Pin Diagram And Its Application | Mazda Rx8 Radio Wiring Diagram | 3 Phase Motor Starter Wiring Schematic | 1980 Camaro Wiring Schematic | Wiring Diagram For Samsung Dryer Heating ...

0 Response to "39 mack ch613 wiring diagram"
Post a Comment