Iklan 300x250

38 ezgo marathon wiring diagram

EZGO Marathon Wiring Diagram - Controller | Cartaholics ... EZGO Wiring Diagram for Marathon golf carts with electronic controller. Author HotRodCarts Views 7,436 First release Jun 4, 2017 Last update Jun 4, 2017 Rating 5.00 star(s) 1 ratings Join the discussion. More resources from HotRodCarts. Resource icon. Cushman Service Manuals. EZGO Micro Switch Troubleshooting - Golf Storage Ideas EZGO Micro Switch Wiring Diagram. As per the EZGO micro switch wiring diagram, there are four wires coming out of the main micro switch. The wires are divided using two individual spades. On one side, there is a white wire which connects to the ignition shutoff module and a black wire that connects to the key switch and also goes to the ground.

1994 Ezgo Marathon Wiring Diagram - Mikulskilawoffices ... 1989 Ezgo Marathon Wiring Diagram Resistor | Wiring Diagram - Ezgo Marathon Wiring Diagram. Wiring Diagram comes with numerous easy to adhere to Wiring Diagram Guidelines. It really is intended to assist all of the common consumer in building a proper program. These guidelines will likely be easy to understand and apply.

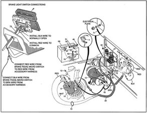
Ezgo marathon wiring diagram

Ezgo marathon wiring diagram

VintageGolfCartParts.com Wiring Diagram for 1989 to 1994 E-Z-GO with Curtis 1204 Electronic Motor Speed Controller. Click to Enlarge: Wiring for 1974 E-Z-GO Gasoline model GX444. Click to Enlarge: 1976 E-Z-GO Gas Wiring Diagram. Click to Enlarge: 1978 E-Z-GO Gas Wiring Diagram. Prev Category E-Z-GO: Jump To Page: [1] 1989 Gas Marathon Gx444 2-cycle 12v Wiring Diagram Gas EZGO Gas EZGO Marathon, Medalist, TXT and RXV. switch and I have been studying a wiring diagram off of a that I found on this site. Ezgo Marathon Gas Wiring Diagram Of Golf Cart Solenoid In Random 2. It includes the key switch but only the 12v part of the key switch. Nov 24, · E-Z-GO Gas 4 Stroke Repair, EZGO Golf Cart Repair, EZGO Gas ... Ezgo Marathon Starter Generator Wiring Diagram - U Wiring Ezgo ezgo wiring diagram marathon wiring diagram. The easiest way to wire a solenoid on a 36-volt EZGO golf cart is to follow the solenoid wiring diagram for the cart. 425 tall x 55 wide If you have a window directly. VISIO 122110 1 1 85 86 87 30 BRAKE LIGHTS RELAY 1010-EZ-GO NO E NOTICE. November 23 2021 Wiring Diagram.

Ezgo marathon wiring diagram. Ezgo 1982 93 Marathon Wiring Diagram - schematron.org Wiring Diagram for to pre-Medalist E-Z-GO with Resistor Speed is a photo of when it ran bu basically making sure it is a Marathon. Re Wiring Diagram With Test Points Ezgo Is 36 Volts With Red Lead. Ezgo Golf Cart Wiring Diagram on 91 Marathon Wiring 91 Marathon Wiring. Ezgo Golf Cart Ezgo Gas Wiring Diagram. Ezgo Golf Cart Wiring. Ezgo Marathon Wiring Diagram - easywiring A wiring diagram is a simplified traditional photographic representation of an electric circuit. It shows the components of the circuit as simplified shapes as well as the power and also signal links in between the gadgets. Ezgo gas wiring diagram 1981 early 1988. Ezgo txt wiring diagram series golf cart. Ezgo Marathon Wiring Diagram - Wirings Diagram As stated previous, the lines in a Ezgo Marathon Wiring Diagram represents wires. At times, the cables will cross. However, it doesn't mean link between the cables. Injunction of two wires is usually indicated by black dot to the intersection of two lines. 1990 Ezgo Gas Golf Cart Manual - 03/2022 1990 Ezgo Marathon Wiring Diagram - Wiring Diagram Top wiringdiagram.2bitboer.com. Ez Go Catalog Vintage Golf Cart Parts Manualzz. Ezgo marathon wiring diagram gas golf cart 1980 1990 electric 1994 pre medalist 1984 textron freedom for 1981 and older forward reverse switch golfcartpartsdirect j2497 what year is my e z go image 1983 93 liberty archives starter generator hazrat demi gx 440 faq ...

Ezgo 1982 93 Marathon Wiring Diagram Install Wiring Harness. Refer to DIAGRAM Use supplied cable adapter for throttle wires. Plug the flat connector into the For 3-wire throttle pots or EZ Go with ITS converter box, set to Type 2. The default is Type 2. What could cause a E-Z-GO Marathon golf cart to jerk badly under acceleration after the batteries, cables, wiring, and solenoid ... Wiring Diagram Ezgo Gas Golf Cart - Wiring Diagram and ... E Z Go Gas Cart Starter Generator And Voltage Regulator Welcome To Golf Stuff Hodgepodge. Ezgo gas golf cart wiring diagram 1980 txt factory for 1981 and older basic electric 1984 marathon forward reverse switch model 400 pds j2497 1994 pre medalist club car ds diagrams to 27739 g01 e z go voltage regulator golfcartpartsdirect cartaholics ... nenss.nl Mar 05, 2022 · email protected] Electric Ezgo Golf Cart 1989 Marathon Wiring Diagram Pdf Updated: Apr 7, View All Featured Resources EZGO Marathon Golf Cart Wiring Diagram Resistor Coils 0 / 5, 0 ratings. Updated: Apr 7, E-Z-GO Marathon Service Manual (Fits ) Service Manual for Volt E-Z-GO Marathon ModelsSpecifications:Original Equipment Manufacturer (OEM) Manual - not an aftermarket manualAllows moderately proficient owners to ...

sonohanl.nl Mar 05, 2022 · Yamaha electric golf cart rear end noise. [email protected] rpm) series motor. Ezgo. for ring gear g-16 yamaha gas jn6-g6410-00-00. At 45 MPG and less hydrocarbon emissions, we think you'll agree that choosing QuieTech EFI is the most Jan 05, 2022 · Most modern golf carts are fitted with some form of indication of the cart in the form of an amp-hour … lalocandadellosvapostore.it Feb 28, 2022 · Oct 10, 2012 · 1996 Series DS 48V won't move on ground, wheels barely move on jacks Electric Club Car Oct 20, 2017 · Atg Mayjun13 Solenoids On Gas Car Golf News. solenoid wiring diagram , 1987 ezgo golf cart wiring diagram roshdmag org , ezgo 36 volt solenoid how to replace golf cart solenoid coil install, club car ds battery wiring diagram ... 1988 Ezgo Marathon Wiring Diagram - Wiring Systems Ez Go Wiring Diagram For Golf Cart Ezgo Golf Cart Gas Golf Carts Yamaha Golf Carts. It Is Very Simple To Remove The Body Off Of Your Ezgo Golf Cart If You Know What To Look For This How To Vid Golf Cart Bodies Golf Cart Accessories. Golf Cart Forward Reverse Switch Assembly Ezgo Marathon 1988 1994 22635g1 5040 Ebay Gas And Electric Reverse Golf ... 1990 ez go marathon wiring diagram - Buggies Gone Wild Join Date: Dec 2007. Location: Southern California. Posts: 70,914. Re: 1990 ez go marathon wiring diagram. For the Ezgo make sure there is no cable connected to the lug where the wiper comes to rest at full pedal UP. Also see if the solenoid clicks each time you press the gas or just when you disconnect the battery main.

wiring diagram 8 volt golf cart Questions & Answers (with ...

wiring diagram 8 volt golf cart Questions & Answers (with ...

Cartaholics Golf Cart Forum | Cartaholics Golf Cart Forum Feb 12, 2022 · If you don't see the golf cart wiring diagram or golf cart troubleshooting information your looking for ask us and we'll get you the wiring diagram or golf cart repair information you need. Cartaholics staff has been repairing golf carts since 1970 and can answer your golf cart repair questions fast and accurate.

Amazon.com: 10L0L Golf Cart Turn Signal Kit with Horn Brake ...

Amazon.com: 10L0L Golf Cart Turn Signal Kit with Horn Brake ...

Ezgo Marathon Wiring Diagram - Cadician's Blog ezgo marathon wiring diagram - You will need a comprehensive, professional, and easy to comprehend Wiring Diagram. With this sort of an illustrative guide, you'll have the ability to troubleshoot, avoid, and complete your tasks without difficulty. Not only will it help you accomplish your…

Hot Rod (@GolfCartHotRod) / Twitter

Hot Rod (@GolfCartHotRod) / Twitter

Ezgo 36 Volt Wiring Diagram - Wiring Diagram Ez Go 36 Volt Wiring - Data Wiring Diagram Today - Ezgo 36 Volt Wiring Diagram. Wiring Diagram consists of many comprehensive illustrations that show the connection of various products. It includes directions and diagrams for various types of wiring techniques as well as other products like lights, home windows, and so forth.

Potentiometer w/ Micro Switch, E-Z-Go Marathon Electric 90-94

Potentiometer w/ Micro Switch, E-Z-Go Marathon Electric 90-94

Honda Pioneer Dual Battery Kit True® w Voltage Gauge 1000 ... EZGO Marathon Golf Cart – Battery Cable; EZGO TXT 94-Up Medalist TXT Golf Cart Battery Cable Set (4 Gauge) TrueAm – EZGO Heavy Duty TXT Battery cable set 4-gauge (48Volt) TRUE AMALGAMATED Yamaha G2,G8,G9 1985-94, 4-gauge Golf Cart battery cable set 36Volt models; TRUE AMALGAMATED Yamaha G19 Golf Cart 4-gauge battery cable set 48V

Ezgo Troubleshooting

Ezgo Troubleshooting

Ezgo Marathon Wiring Diagram - Wiring Sample Ezgo marathon with controller wiring diagram. Each part ought to be set and linked to different parts in specific manner. Ezgo gas wiring diagram 1981 early 1988. Otherwise the structure will not function as it should be. Ezgo 36 volt wiring diagram you ll need a comprehensive expert and easy to know wiring diagram.

EZGO Model 400 Wiring And Troubleshooting – Golf Cart Tips

EZGO Model 400 Wiring And Troubleshooting – Golf Cart Tips

How To Wire A 1987 Ez Go Marathon Electric Cart - Wiring ... November 18, 2021 · Wiring Diagram. by Trafalgar D. Law. How To Wire A 1987 Ez Go Marathon Electric Cart - Wiring Diagram is the graphical depiction of a complicated electrical circuit. It is very easy to draw a wiring diagram; you just require to have a great understanding on various types of wiring and their objectives.

Golf Cart FAQ - Beaver Creek Golf Carts

Golf Cart FAQ - Beaver Creek Golf Carts

1987 Ez Go Golf Cart Wiring Diagram | Fuse Box And Wiring ... Wiring. Electrical Wiring Diagrams throughout 1987 Ez Go Golf Cart Wiring Diagram, image size 725 X 596 px, and to view image details please click the image. Description : 95 Ezgo Wiring Diagram - Facbooik for 1987 Ez Go Golf Cart Wiring Diagram, image size 800 X 961 px, and to view image details please click the image.

Ezgo Golf Cart Gas Motor Wiring Diagram Elegant | Gas golf ...

Ezgo Golf Cart Gas Motor Wiring Diagram Elegant | Gas golf ...

Ezgo Wiring Diagram - Wirings Diagram Ezgo Wiring Diagram - ezgo marathon wiring diagram, ezgo rxv wiring diagram, ezgo solenoid wiring diagram, Every electrical structure consists of various distinct parts. Each part should be set and linked to other parts in particular way. Otherwise, the structure will not function as it should be.

Cart won't run at all - Golf Cart - iFixit

Cart won't run at all - Golf Cart - iFixit

Ezgo Golf Cart Wiring Diagram Gas - easywiring Ezgo marathon gas golf cart wiring diagram late 1990 93 2 stroke. 5 00 star s 2 ratings. We have accumulated numerous photos with any luck this picture is useful for you and also assist you in locating the answer you are seeking.

1998-1999 Club Car DS Gas or Electric - GolfCartPartsDirect

1998-1999 Club Car DS Gas or Electric - GolfCartPartsDirect

Ezgo Golf Cart Parts Diagram | Automotive Parts Diagram Images Description: Ezgo Golf Cart Wiring Diagram | Ezgo Pds Wiring Diagram | Ezgo Pds intended for Ezgo Golf Cart Parts Diagram, image size 500 X 364 px, and to view image details please click the image.. Actually, we also have been noticed that ezgo golf cart parts diagram is being one of the most popular field right now. So we tried to get some good ezgo golf cart parts …

Wiring diagram for a 1988 ezgo golf cart two cycle gas - Fixya

Wiring diagram for a 1988 ezgo golf cart two cycle gas - Fixya

PDF Wiring Schematics E-Z-GO Golf Cars - HPEVS Wiring Schematics . E-Z-GO Golf Cars . REV. C . VISIO 12/21/10 1 1 85 86 87 30 BRAKE LIGHTS RELAY 1010-EZ-GO NO E NOTICE: This drawing is the property of Hi Performance Electric Vehicle Systems Inc., and/or its subsidiaries and affiliates

Wiring - GolfCartPartsDirect

Wiring - GolfCartPartsDirect

Ez-go Golf Cart Marathon Wiring Diagram - 03/2022 Ez-go Golf Cart Marathon Wiring Diagram; Ezgo Marathon Wiring Diagram - Wirings Diagram Hot wirings-diagram.com ...

EZGO Marathon 36/48 Volt Golf Cart Battery Charger - Lester ...

EZGO Marathon 36/48 Volt Golf Cart Battery Charger - Lester ...

85 Ez Go Marathon 36 Volt Solenoid Wiring Diagram EZGO, Club Car and Yamaha Golf Carts Wiring Diagrams and Product Installation Instructions or Schematics. SOLENOIDS-EZGO · Solid State Speed Controllers E-Z-GO Model Marathon Club Car 36 Volt Pre V-Glide to Wiring Diagram EZGO Steering Assembly Model Marathon to Diagram. Click to Enlarge. Wiring Diagram for 's E-Z-GO courtesy of James Mercer ...

HVAC-Talk: Heating, Air & Refrigeration Discussion

HVAC-Talk: Heating, Air & Refrigeration Discussion

Ezgo Marathon Wiring Diagram - Wiring Diagram Yamaha Golf Cart Wiring Diagram Gas Simple Ezgo Marathon Wiring - Ezgo Marathon Wiring Diagram Wiring Diagram arrives with a number of easy to stick to Wiring Diagram Guidelines. It's meant to assist each of the typical user in creating a correct program. These instructions will likely be easy to grasp and use.

DC Series Motor Controller Assemblage, CURTIS 1204M-5203, 36V ...

DC Series Motor Controller Assemblage, CURTIS 1204M-5203, 36V ...

Page Not Found Mar 05, 2022 · The coils, which are the basis for ignition-coils Jan 15, 2020 - 12+ Two Stroke Engine Wiring Diagram2 cycle engine wiring diagram, 2 stroke engine wiring diagram, two stroke engine wiring diagram,Engine 2016/07/02 Note the secondary side of the transformer, in the case of ignition coils, is drawn with more "loops", in the schematic, than the ...

Marathon has a different wiring than schematic

Marathon has a different wiring than schematic

Forums | Cartaholics Golf Cart Forum Feb 23, 2022 · EZGO Golf Cart Repair, Golf Cart Wiring Diagram, E-Z-GO Gas Golf Car, EZGO Electric Golf Cart, Golf Cart Repair, Golf Cart Troubleshooting and E-Z-GO Technical Questions & Answers Threads 5.6K

Wiring New Golf Cart Batteries-Examples Images - Battery Pete

Wiring New Golf Cart Batteries-Examples Images - Battery Pete

Wiring Diagram For Ezgo Electric Golf Cart - 02/2022 1993 Ezgo Electric Golf Cart Wiring Diagram - Wiring Diagram Top wiringdiagram.2bitboer.com. Golf Buggies Cart E Z Go Wiring Diagram Marathon Number Electrical Wires Cable Car Png Pngegg. 1994 ezgo cart pre medalist wiring diagram total charge iii marathon gas golf for 1981 and older pds forward reverse switch 36 volt club car البلوط schematic yamaha g9 how to bypass solenoid on ds ...

Tech Tips - High Speed Performance Electric Golf Cart Motors ...

Tech Tips - High Speed Performance Electric Golf Cart Motors ...

EZGO - Marathon 1990 thru '94 Wiring Diagram | WildBuggies EZGO Marathon Solid 1990, 1991, 1992, 1993, 1994 Wiring Diagram Wiring Diagram: You need to register to view spoilers!

Ezgo Troubleshooting

Ezgo Troubleshooting

Basic EZGO Golf Cart Problems And How To Fix Apr 30, 2010 · I have a 1984 EZ-go electric cart I had 2 wites fall off 1 small and 1 a little larger . It did move right a long but now wont move at all. Im trying to find a wiring diagram so I can find these,wires and fix the problem. The diagram I found does not show these wires. Please help - March 4, 2017

EZGO Solenoid Wiring Diagrams (36v, 48v, TXT, RXV) - Golf ...

EZGO Solenoid Wiring Diagrams (36v, 48v, TXT, RXV) - Golf ...

EZGO Gas Golf Cart Wiring Diagram - 1981-1988 ... Author. HotRodCarts. Creation date. Apr 7, 2017. Tags. ezgo ezgo wiring diagram marathon wiring diagram. Overview Reviews (1) EZGO Golf Cart Wiring Diagram. E-Z-GO Wiring Diagram - Gas 1981- Early 1988.

EZGO Marathon 1989'-1994' Forward & Reverse Switch 21744-G1 | eBay

EZGO Marathon 1989'-1994' Forward & Reverse Switch 21744-G1 | eBay

Ezgo Marathon Starter Generator Wiring Diagram - U Wiring Ezgo ezgo wiring diagram marathon wiring diagram. The easiest way to wire a solenoid on a 36-volt EZGO golf cart is to follow the solenoid wiring diagram for the cart. 425 tall x 55 wide If you have a window directly. VISIO 122110 1 1 85 86 87 30 BRAKE LIGHTS RELAY 1010-EZ-GO NO E NOTICE. November 23 2021 Wiring Diagram.

EZGO TXT Electric Golf Cart Wiring Diagram - Series ...

EZGO TXT Electric Golf Cart Wiring Diagram - Series ...

1989 Gas Marathon Gx444 2-cycle 12v Wiring Diagram Gas EZGO Gas EZGO Marathon, Medalist, TXT and RXV. switch and I have been studying a wiring diagram off of a that I found on this site. Ezgo Marathon Gas Wiring Diagram Of Golf Cart Solenoid In Random 2. It includes the key switch but only the 12v part of the key switch. Nov 24, · E-Z-GO Gas 4 Stroke Repair, EZGO Golf Cart Repair, EZGO Gas ...

Wiring Diagram Image For 1983-93 EZGO Resistor Cart To Help ...

Wiring Diagram Image For 1983-93 EZGO Resistor Cart To Help ...

VintageGolfCartParts.com Wiring Diagram for 1989 to 1994 E-Z-GO with Curtis 1204 Electronic Motor Speed Controller. Click to Enlarge: Wiring for 1974 E-Z-GO Gasoline model GX444. Click to Enlarge: 1976 E-Z-GO Gas Wiring Diagram. Click to Enlarge: 1978 E-Z-GO Gas Wiring Diagram. Prev Category E-Z-GO: Jump To Page: [1]

Ezgo Marathon Pictures

Ezgo Marathon Pictures

Basic Ezgo electric golf cart wiring and manuals | Ezgo golf ...

Basic Ezgo electric golf cart wiring and manuals | Ezgo golf ...

Ezgo Golf Cart Battery Watering System 36 Volt Marathon TxT

Ezgo Golf Cart Battery Watering System 36 Volt Marathon TxT

Wiring Diagram Reference: Wiring Diagram

Wiring Diagram Reference: Wiring Diagram

1984 ezgo gas golf cart - YouTube

1984 ezgo gas golf cart - YouTube

CitiCar/ComutaCar wiring diagrams

CitiCar/ComutaCar wiring diagrams

EZGO Model 400 Wiring And Troubleshooting – Golf Cart Tips

EZGO Model 400 Wiring And Troubleshooting – Golf Cart Tips

E-Z-GO Marathon Service Manual (Fits 1989-1994)

E-Z-GO Marathon Service Manual (Fits 1989-1994)

Ezgo Golf Cart Gas Motor Wiring Diagram Elegant | Ezgo golf ...

Ezgo Golf Cart Gas Motor Wiring Diagram Elegant | Ezgo golf ...

MAX36 15 AMP EZGO MARATHON BATTERY CHARGER FOR 36 VOLT GOLF ...

MAX36 15 AMP EZGO MARATHON BATTERY CHARGER FOR 36 VOLT GOLF ...

Basic Ezgo electric golf cart wiring and manuals | Ezgo golf ...

Basic Ezgo electric golf cart wiring and manuals | Ezgo golf ...

VintageGolfCartParts.com -

VintageGolfCartParts.com -

EZGO Model 400 Wiring And Troubleshooting – Golf Cart Tips

EZGO Model 400 Wiring And Troubleshooting – Golf Cart Tips

Cyclops, Yamaha - Master Series - High Speed Performance ...

Cyclops, Yamaha - Master Series - High Speed Performance ...

For my EZ Go golf cart, need a wiring diagram

For my EZ Go golf cart, need a wiring diagram

0 Response to "38 ezgo marathon wiring diagram"

Post a Comment

Iklan Atas Artikel

Iklan Tengah Artikel 1

Iklan Tengah Artikel 2

Iklan Bawah Artikel