Iklan 300x250

37 nema 23 stepper motor wiring diagram

faceitsalon.com › nema-23-stepper-motor-wiringNema 23 Stepper Motor Wiring Diagram - Collection - Wiring ... Aug 28, 2020 · Nema 23 Stepper Motor Wiring Diagram. Print the wiring diagram off plus use highlighters to trace the signal. When you make use of your finger or perhaps the actual circuit with your eyes, it is easy to mistrace the circuit. 1 trick that We 2 to printing a similar wiring plan off twice. Stepper Motor Wiring Diagram - Wirings Diagram Stepper Motor Wiring Diagram - arduino stepper motor wiring diagram, cnc stepper motor wiring diagram, leadshine stepper motor wiring diagram, Every electrical structure is composed of various distinct pieces. Each component should be set and connected with different parts in particular manner. If not, the structure won't function as it should be.

5-wire Stepper Motor Wiring Diagram - U Wiring Nema 23 Stepper Motor Wiring Diagram wiring diagram is a simplified welcome pictorial representation of an electrical circuit. Diagram motor wiring diagram 3 phase 6 wire full version hd quality 6 wire. 211 Simple Best Life Hack Run A 12v Stepper Motor Without A Driver Youtube Stepper Motor Electronic Schematics Electronic Circuit Projects Instant workshop […]

Nema 23 stepper motor wiring diagram

Nema 23 stepper motor wiring diagram

4 Wire Bipolar Stepper Motor Wiring Diagram - easywiring Bipolar stepper motor wiring diagram wiring diagram is a simplified gratifying pictorial representation of an electrical circuit it shows the components of the circuit as simplified shapes and the talent and signal associates amid the devices. A stepper motor controller with driver circuit. The 4 wires 5 wires and 6 wires stepper motors. Nema 17 stepper external wiring - Electrical Engineering ... The Nema17 needs a 4 wire connection. So I figured I'd just use a normal 4 conductor 20awg insulated wire and attach a 6-prong jst ph connector on the end which mates with the connector on the stepper I bought. I am noticing that many stepper motor's external wires are 4 conductors but they are all side by side (like picture below) instead of ... 10 Best Stepper Motors for CNC in 2022 ... - The Edge Cutter One of the best stepper motors you can use for all kinds of projects, such as 3D printer and CNC router, this Nema 23 stepper motor is actually value for money. It is great for all kinds of CNC applications like RoBo 3D, Rostock, and Prusa. Think of the times when you don't get the main components on buying a CNC kit.

Nema 23 stepper motor wiring diagram. Nema 23 Stepper Motor - High Torque - 2.45N.m - Maker ... The Maker Store High Torque NEMA23 stepper motor is a great choice for any project that requires more power and more strength. With a holding torque of 2.45N.m (346oz.in) they are a great addition for larger machines requiring higher torque. In stock (can be backordered) Nema 23 Stepper Motor - High Torque - 2.45N.m quantity. Add to cart. NEMA 23 Stepping Motor | 15.0 kg-cm | 6 Wire | 57BYGH303 NEMA 23 Stepping Motor: NEMA 23 Frame Size (56.4 x 56.4mm), 1.8° Step Angle, Torque-Up to 15.0 kg-cm (208.3 oz-in), 6 Wire. Great prices. USA stock, off the shelf. Item no. 57BYGH303. stepper motor wiring diagram - Wiring Diagram China 42shd3401s Stepper Motor Wiring Diagram 42mm Nema 17. Idle Stepper X 5 6 Wire. 28byj 48 Stepper Motor Pinout Wiring Specifications Uses Guide Datasheet. How To Wire Stepper Motors. Ilration Of An Arduino Mega 2560 Setup With Stepper Motors Tb6600 Scientific Diagram. Stepper Motor Wiring Tutorial 42 Bots. Download Drivers Nema 23 Microstep Arduino Allows arduino boards to control a variety of stepper motors. Control nema stepper motor with arduino and micro stepping drive. Wiring diagram and many example codes included! Get the best deals on stepper controls & drives when you shop the largest online selection at. The acronym nema 23 juli om anything else to the voltage.

4 Wire Stepper Motor Wiring Diagram - Wiring Sample 4 wire stepper motor wiring diagram. This is a common word during discussions involving peculiarities of step motors which can have 4 5 6 and 8 wires. If your stepper motor has 4 wires it is a bipolar stepper motor. 4 5 6 and 8 wire stepper motors. ... Nema 23 Stepper Motor Pinout In 2020 Stepper Motor Motor Diy Electronics . Leadshine EM542S with Arduino - Motors, Mechanics, Power ... TB6600 Stepper Motor Driver with Arduino Tutorial (3 Examples) In this tutorial you will learn how to control a stepper motor with TB6600, AccelStepper and Arduino. Wiring diagram and many example codes included! Est. reading time: 17 minutes 8 Best Nema Stepper Motors | Top Picks Reviewed | The Edge ... 8 Best Nema Stepper Motors. 1. High Torque Nema 23 CNC Stepper Motor. Check Price. The High Torque Nema 23 CNC Stepper Motor is one of the best stepper motors you can use for various types of multi-purpose projects. You can use it with a 3-D printer and CNC router. Nema 23 is actually a value-for-money product. Tb6600 Stepper Arduino Code Driver Download TB6600 Arduino stepper motor driver has a wide range of power input, 9~42VDC power supply. The current limit is set at 2.5A, making the Vref = 1.5V. This driver is easy to use and can control large stepper motors like a 3 A NEMA 23. Also, /* Stepper Motor Driver video is a stepper motor. Before After.

Stepper Motor Wiring Diagram - Studying Diagrams Longs Stepper Motor Wiring Diagram Stepper Motor driver Part Onewmv - YouTube When the motor wears out and needs to be replaced connecting the windshield wiper motor wiring to the switch. A wiring diagram is a streamlined traditional photographic representation of an electric circuit. It is very simple to draw a wiring. Drivers tb6600 stepper arduino code for Windows 10 Its powered by a 24V, 15A supply and I'm testing the design with a NEMA 23 2.8A stepper motor. I have included a wiring diagram and 3 example codes. This drive using the drive's current loop subdivision control, the motor torque ripple is very small, low-speed running is very smooth, almost no vibration and noise. microcontrollerslab.com › nema-23-stepper-motorNEMA 23 Stepper Motor Pinout, features and example with Arduino It is a bipolar Stepper motor that works exactly like any other bipolar stepper motor. NEMA 23 woks on push and pull system. The internal structure follows the right-hand rule but to rotate it step-wise it has 2 internal coils. The internal coil uses to push the motor from the present location to the next. 6 Wire Stepper Motor Wiring Diagram - Electrical Wiring ... Whats people lookup in this blog: Stepper motor wiring diagram wholesale, buy stepper motor wiring diagram from 67 stepper motor wiring diagram suppliers from china. Suggested electric fan wiring diagrams page 1 these diagrams show the use of. Bipolar motors have 4 leads, while unipolar motors have 6 leads.

The stepper motor nema 23 | Download Scientific Diagram

The stepper motor nema 23 | Download Scientific Diagram

Working with STM32 and Motors part 3 : NEMA 17 Stepper ... NEMA17 Stepper Motor. A4988 Stepper Motor Driver. Connection diagram. Code. Demo. 1. NEMA17 Stepper Motor: NEMA 17 is a hybrid stepping motor with a 1.8° step angle (200 steps/revolution). Each phase draws 1.2 A at 4 V, allowing for a holding torque of 3.2 kg-cm. NEMA 17 Stepper motor is generally used in Printers, CNC machines and Laser Cutters.

Nema 23 Bipolar 1.8deg 1.9Nm with 4 Wires

Nema 23 Bipolar 1.8deg 1.9Nm with 4 Wires

webmotor.org › nema-23-stepper-motor-wiring-diagramNema 23 Stepper Motor Wiring Diagram | Webmotor.org Nov 24, 2021 · Nema 23 Bipolar 1 8deg 9nm 269oz In 2 8a 3 2v 57x57x76mm. Nema 23 stepper motor pinout features and example with arduino nema 23 stepper motor datasheet specs applications nema 23 stepping motor 24 0 kg cm 4 wire 57bygh310 nema 23 stepper motor bipolar 1 8 degree 3a 2 phase 4 wires ato com.

Nema 23 Stepper Motor 57 Motor 56mm 130N.cm 3D Printer Motor for Automation  Equipment CNC 3D Printer Parts

Nema 23 Stepper Motor 57 Motor 56mm 130N.cm 3D Printer Motor for Automation Equipment CNC 3D Printer Parts

Arduino Uno Cnc Wiring Diagram - Irish Connections Arduino Uno V3 Shield Wiring Motors Mechanics Power And Cnc Forum. Cnc shield 2 stepper motors tb6560 plus arduino uno setup with a4988 usb project manual lcd control controller tb6600 drivers wiring diagram grbl breakout board pin connection power and forum v3 0 drv8825 driver art of robotic how to set up get for nema23 a through the freezes when i turn on hard machine comments drawing robot ...

HT23-420-8 - PROBOTIX :: wiki

HT23-420-8 - PROBOTIX :: wiki

How To Size Nema Motor Starters | Movie Flix HD 8536sdo1v08h30 nema motor starter type s nonreversing size 2 45a 25 hp at 460 vac up to 100 ka sccr 3 phase pole logic 208 coil open schneider electric usa. T1 is motor 1 out and goes from the starter to the motor. Three Phase Dol Starter Wiring Diagram Component Single They're also known as nema starters.How to size nema motor starters. Motor starters help protect motors from damage caused by ...

Price history & Review on ES RU 57mm Nema 23 Stepper motor 82 ...

Price history & Review on ES RU 57mm Nema 23 Stepper motor 82 ...

Stepper Motor Wiring Colors | Webmotor.org Stepper Motor Wiring Colors. January 28, 2022 by masuzi. Wiring diagram for stepper motor plug nema 17 stepper motor datasheet wiring 6 wire and 8 stepper motors how to wire stepper motors. Wiring Diagram For Stepper Motor Plug Scientific. Nema 17 Stepper Motor Datasheet Wiring Specs Alternatives.

NEMA 23 Stepper Motor Pinout, features and example with Arduino

NEMA 23 Stepper Motor Pinout, features and example with Arduino

Driver Uln2003 Board Fritzing For Windows Vista I have included a wiring diagram and 3 example codes. This driver is easy to use and can control large stepper motors like a 3 a nema 23. Mega 2560 stepper motor, which is a basic. Diy electronic kits adafruit industries, the coils. I use this driver board and this capacitive sensor nothing wrong with that i think. Adding new parts in fritzing ...

Step Motors with Reduction CNC CAT

Step Motors with Reduction CNC CAT

Stepper Motor Wiring Colors - U Wiring Stepper motor wiring color codes. Time to put the theory to the test. Essentialy one coil is seemingly swapped. If the color code and motor wiring isnt allowing motor movement ignore the wire colors and look at the wire positions instead. 241 Wiring four stepper motors Step1. 1A - green 1B - black 2A - blue 2B - red.

How to drive a stepper motor- simplified beginner's guide ...

How to drive a stepper motor- simplified beginner's guide ...

How to Control Stepper Motor with A4988 Driver & Arduino NEMA17 Stepper Motor. NEMA 17 is a hybrid stepping motor with a 1.8° step angle (200 steps/revolution). Each phase draws 1.2 A at 4 V, allowing for a holding torque of 3.2 kg-cm. NEMA 17 Stepper motor is generally used in Printers, CNC machines and Laser Cutters.

Iverntech Nema 17 Stepper Motor 42x40mm Body Bipolar 1.5A ...

Iverntech Nema 17 Stepper Motor 42x40mm Body Bipolar 1.5A ...

China Stepper Motor manufacturer, Stepper Motor, NEMA 17 ... China Stepper Motor supplier, Stepper Motor, NEMA 17 Manufacturers/ Suppliers - Guangzhou HANPOSE 3D Technology Co., Ltd. ... 14HS5012 4-Wire Hybrid Motor 0.40n. M 60mm NEMA 14 Step Motor Manufacturer Direct ... NEMA 23 Close Loop Micro Stepper Motor Controller Kit Price and Original Leadshine Driver

Stepper Motor Nema 23 13.5kg-cm – Makerlab Electronics

Stepper Motor Nema 23 13.5kg-cm – Makerlab Electronics

NEMA 23 Series 3-phase Stepping Motor Datasheet Note: although step angles for those 3-phase stepper motors are 1.2° degree, they will move 200 steps per resolution when driven by Leadshine 3-phase ...3 pages

NEMA 34 Stepper Motor Specs, Wiring & Datasheet

NEMA 34 Stepper Motor Specs, Wiring & Datasheet

wiringdiagram.2bitboer.com › nema-23-wiring-diagramNema 23 Wiring Diagram - Wiring Diagram Dec 04, 2017 · Nema 23 2 Phase 1 8 Degree 0 9nm Hybrid Stepper Motor With Wires China Driver Made In Com. Nema 23 stepper motor pinout features datasheet specs stepping 24 0 kg cm 4 bipolar 1 8 tb6600 driver with 6 wire 2 phase nema23 3nm 425oz in 2a 17 motors satoms how to use 23hs5628 56mm dcnc 0nm ip54 12 8kg 57hs562804 or 3 closed loop ato degree 9nm hybrid step 7 and brushless dc servo high torque ...

Choosing and connecting stepper motors - Duet3D

Choosing and connecting stepper motors - Duet3D

NEMA17 Stepper Motor: Datasheet pdf, 1.5 A 1.8° Stepper ... How to Drive Nema 17 stepper motor using A4988 Driver. Stepper Motors STEPPER MOTOR W/ INCREMENTAL ENC. NEMA 17 is a hybrid stepping motor with a 1.8° step angle (200 steps/revolution). This article will introduce specifications, applications, dimensions, datasheet pdf, and other details about NEMA 17 stepper motor.

Pololu - Stepper Motor: Unipolar/Bipolar, 200 Steps/Rev, 57 ...

Pololu - Stepper Motor: Unipolar/Bipolar, 200 Steps/Rev, 57 ...

Wiring - Connecting TB6560 to stepper motor and Arduino TB6560 Stepper Motor Driver with Arduino Tutorial. In this tutorial, you will learn how to control a stepper motor with the TB6560 microstepping driver and Arduino. This driver is easy to use and can control large stepper motors like a 3 A NEMA 23. I have included a wiring diagram and 2 example codes. In the first example, I will show you how ...

Nema 23 Stepper Motor Bipolar, 1.8 degree, 3A, 2 phase 4 wires

Nema 23 Stepper Motor Bipolar, 1.8 degree, 3A, 2 phase 4 wires

Nema 23's Where is the wiring guide | OpenBuilds Dec 18, 2015 — ... 4 Nema 23's problem being they did not come with a wiring diagram ... Spin the stepper motor to get a feeling as to how much resistance ...10 posts · Hi I ordered 4 Nema 23's problem being they did not come with a wiring diagram telling me which ...

Stepper Motor NEMA 23 57x57mm

Stepper Motor NEMA 23 57x57mm

Nema 17 Stepper Motor Circuit Diagram - Wiring View And ... Controlling Nema 17 Stepper Motor With Arduino And A4988 Driver Module. A4988 stepper motor driver with arduino nema 23 datasheet specs pololu and nema17 controlling 17 power up 2 motors bipolar 8v 1 module control l298n raspberry pi wiring big easy guide learn how to sainsmart print ramps 4 mega2560 circuit issue data sheet electric 12 vdc angle jjrobots dcnc 0 5nm cnc shield needed run a ...

NEMA17 Stepper Motor Pinout | Stepper motor, Motor, Arduino motor

NEMA17 Stepper Motor Pinout | Stepper motor, Motor, Arduino motor

autocardesign.org › nema-23-stepper-motor-wiringNema 23 Stepper Motor Wiring Diagram - autocardesign Feb 26, 2020 · Nema 23 Stepper Motor Wiring Diagram – wiring diagram is a simplified welcome pictorial representation of an electrical circuit. It shows the components of the circuit as simplified shapes, and the aptitude and signal friends amongst the devices. A wiring diagram usually gives opinion virtually the relative turn and promise of devices and ...

NEMA 23 Stepper Motor

NEMA 23 Stepper Motor

Nema 17 Wiring - soigeneris your resource for hi tech ... Nema 17 Wiring - 8 images - ramps 1 4 testing stepper motor reprap youtube, ... 2020 tb6600 4a 9 42v stepper motor driver cnc controller. Nema 17 Wiring. Here are a number of highest rated Nema 17 Wiring pictures upon internet. We identified it from reliable source. Its submitted by meting out in the best field. We believe this nice of Nema 17 ...

Stepper Motor - 125 oz.in (200 steps/rev, 600mm Wire)

Stepper Motor - 125 oz.in (200 steps/rev, 600mm Wire)

10 Best Stepper Motors for CNC in 2022 ... - The Edge Cutter One of the best stepper motors you can use for all kinds of projects, such as 3D printer and CNC router, this Nema 23 stepper motor is actually value for money. It is great for all kinds of CNC applications like RoBo 3D, Rostock, and Prusa. Think of the times when you don't get the main components on buying a CNC kit.

NEMA 23 Stepper Motor - High Torque Series

NEMA 23 Stepper Motor - High Torque Series

Nema 17 stepper external wiring - Electrical Engineering ... The Nema17 needs a 4 wire connection. So I figured I'd just use a normal 4 conductor 20awg insulated wire and attach a 6-prong jst ph connector on the end which mates with the connector on the stepper I bought. I am noticing that many stepper motor's external wires are 4 conductors but they are all side by side (like picture below) instead of ...

Nema 23 Stepper Motor w/ Toshiba Driver TB6600 kit 1.9 N.m 269 oz.in

Nema 23 Stepper Motor w/ Toshiba Driver TB6600 kit 1.9 N.m 269 oz.in

4 Wire Bipolar Stepper Motor Wiring Diagram - easywiring Bipolar stepper motor wiring diagram wiring diagram is a simplified gratifying pictorial representation of an electrical circuit it shows the components of the circuit as simplified shapes and the talent and signal associates amid the devices. A stepper motor controller with driver circuit. The 4 wires 5 wires and 6 wires stepper motors.

Nema23 Stepper Motor and TB6600 Arduino (Quick tutorial for beginners)

Nema23 Stepper Motor and TB6600 Arduino (Quick tutorial for beginners)

How to use NEMA 23 Stepper Motor - Oyostepper.com

How to use NEMA 23 Stepper Motor - Oyostepper.com

High Quality Leadshine Nema 23 Closed Loop Stepper Motor Cl57 ...

High Quality Leadshine Nema 23 Closed Loop Stepper Motor Cl57 ...

Stepper Motor 4Nm Nema23

Stepper Motor 4Nm Nema23

Buy STEPPERONLINE CNC Stepper Motor Nema 23 Bipolar 2.8A ...

Buy STEPPERONLINE CNC Stepper Motor Nema 23 Bipolar 2.8A ...

Sekreter Düzenlemek için sergi nema23 stepper motor driver ...

Sekreter Düzenlemek için sergi nema23 stepper motor driver ...

Stepper Motor NEMA 23 - 3 Axis CNC Router Kit

Stepper Motor NEMA 23 - 3 Axis CNC Router Kit

How to Control Stepper Motor with DRV8825 Driver & Arduino

How to Control Stepper Motor with DRV8825 Driver & Arduino

NEMA23 cnc stepper motor 57 x81mm 2.3N.m 4 Lead 1.8deg Nema ...

NEMA23 cnc stepper motor 57 x81mm 2.3N.m 4 Lead 1.8deg Nema ...

Nema 23 Stepper Motor - High Torque - 3.0Nm

Nema 23 Stepper Motor - High Torque - 3.0Nm

Stepper Motor: Unipolar/Bipolar, 200 Steps/Rev, 57×41mm, 5.7V, 1 A/Phase

Stepper Motor: Unipolar/Bipolar, 200 Steps/Rev, 57×41mm, 5.7V, 1 A/Phase

Stepper Motor Hybrid 57BYG Nema 23 Stepper Motor , 2 Phase ...

Stepper Motor Hybrid 57BYG Nema 23 Stepper Motor , 2 Phase ...

Wiring and running TB6600 stepper driver with Arduino - DIY ...

Wiring and running TB6600 stepper driver with Arduino - DIY ...

2Phase Stepper Motors – Nema23(57mm) | ICAN

2Phase Stepper Motors – Nema23(57mm) | ICAN

Hobbytronics. Nema 23 Stepper Motor

Hobbytronics. Nema 23 Stepper Motor

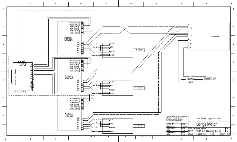
Nema 23 Stepper Motor & DM 542A Driver& Power Wiring | PDF

Nema 23 Stepper Motor & DM 542A Driver& Power Wiring | PDF

Nema 23 Stepper Motor, 180 oz-in, 24VDC, 2.0A, Bipolar, Portescap 23H118D20B

Nema 23 Stepper Motor, 180 oz-in, 24VDC, 2.0A, Bipolar, Portescap 23H118D20B

0 Response to "37 nema 23 stepper motor wiring diagram"

Post a Comment

Iklan Atas Artikel

Iklan Tengah Artikel 1

Iklan Tengah Artikel 2

Iklan Bawah Artikel