36 toro timecutter z4200 drive belt diagram
Toro Timecutter Z4200 Drive Belt Diagram Nov 26, 2018 · Toro Timecutter Z4200 Drive Belt Diagram Be sure that you have the correct drive belt size for your mower. There is no need to take your Toro lawnmower into the shop to have the drive belt replaced. Refer to your owner's manual for specific diagrams for your lawnmower model. Dealer or Toro Customer Service and have the model .. Toro Timecutter Z4200 Drive Belt Diagram Mar 22, 2019 · Toro Timecutter Z4200 Drive Belt Diagram 22.03.2019 22.03.2019 0 Comments on Toro Timecutter Z4200 Drive Belt Diagram Remember the belt rule, V of the belt goes in V schematron.org pulleys that Or the friction nut (one on each transmission) is too tight.
PDF TimeCutter Z4200,Z4220,and Z5000RidingMowers FormNo.3361-179RevA TimeCutter®Z4200,Z4220,and Z5000RidingMowers ModelNo.74360—SerialNo.290000001andUp ModelNo.74363—SerialNo.290000001andUp ModelNo.74370 ...

Toro timecutter z4200 drive belt diagram
Toro Zero Turn Ground Drive Belt Replacement [42"] (2020 ... Save some MONEY and do it yourself! Video tutorial on how to change/ replace the drive belt on your Toro 42" Timecutter. The model year is 2020 and the mod... ARIMain - WEINGARTZ Toro 74360, TimeCutter Z4200 Riding Mower, 2010 (SN 310000001-310999999) 42 Inch Deck Spindle and Belt Drive Assembly Parts Lookup and OEM Diagrams | PartsTree Parts lookup and repair parts diagrams for outdoor equipment like Toro mowers, Cub Cadet tractors, Husqvarna chainsaws, Echo trimmers, Briggs engines, etc. The Right Parts, Shipped Fast! ... 74360 (Z 4200) - Toro 42" TimeCutter Zero-Turn Mower (SN: 270000001 - 270999999) (2007)
Toro timecutter z4200 drive belt diagram. PDF Toro timecutter z4200 drive belt diagram Toro timecutter z4200 drive belt diagram Chosen Solution @kadekaaz the very first thing I'd check is the drive belt make sure that it is routed properly and see if that works. Check your clutch to make sure it works. After that check to see if the control arm is properly seated on your hydrostatic drive as well as the motion control assembly. Parts Lookup and OEM Diagrams | PartsTree Parts lookup and repair parts diagrams for outdoor equipment like Toro mowers, Cub Cadet tractors, Husqvarna chainsaws, Echo trimmers, Briggs engines, etc. The Right Parts, Shipped Fast! ... 74360 (Z 4200) - Toro 42" TimeCutter Zero-Turn Mower (SN: 270000001 - 270999999) (2007) Toro 74380 TimeCutter Z4200 Riding Mower Parts - Quick ... This quick parts reference guide will provide you with the most common Toro 74380 TimeCutter Z4200 Riding Mower Parts. These Toro Lawn Tractor Parts may include: Tune Up Kit, Spark Plug, Mower Blades, Traction Drive Belt, Transmission Belt, Mower Drive Belt, Batery, and Air Filters. If you need help finding Toro Lawn Tractor Parts Search Using ... Amazon.com : SureFit Deck Drive Belt Replacement for Toro ... SureFit Deck Drive Belt Replacement for Toro 110-6774 42" TimeCutter Z4200 Z4220 Z5000 Z5020 Z5040 Zero-Turn Mowers 3.9 out of 5 stars 21 1 offer from $14.95
Toro Timecutter Z Service Manual TORO TIMECUTTER Z SERVICE MANUAL Table of Contents - Page 2 of 2 MOWER DECKS: 44" AND 52" DECK ASSEMBLIES BELT REMOVAL AND REPLACEMENT ... Transaxle Drive Belt drive with self-tensioning system Belt drive with self-tensioning system Ground Speed Infinite, 0 to 6.5 MPH (10.5-km/hr) forward Toro 74360, TimeCutter Z4200 Riding Mower, 2007 (SN ... Toro 74360, TimeCutter Z4200 Riding Mower, 2007 (SN 270000001-270999999) 42 INCH DECK SPINDLE AND BELT DRIVE ASSEMBLY Exploded View parts lookup by model. Complete exploded views of all the major manufacturers. It is EASY and FREE Toro 74360 TimeCutter Z4200 Riding Mower Parts - Quick ... This quick parts reference guide will provide you with the most common Toro 74360 TimeCutter Z4200 Riding Mower Parts. These Toro Lawn Tractor Parts may include: Tune Up Kit, Spark Plug, Mower Blades, Traction Drive Belt, Transmission Belt, Mower Drive Belt, Batery, and Air Filters. Toro Timecutter Z5000 Wiring Diagram 498 31 Toro Timecutter Z4200 Drive Belt Diagram - Wiring Diagram Database Toro 74402, TimeCutter Z380 Riding Mower, 2005 (SN 250000001-250999999 ... [HW_7303] Wiring Diagram Likewise Toro Workman Electric Wiring Diagram ...
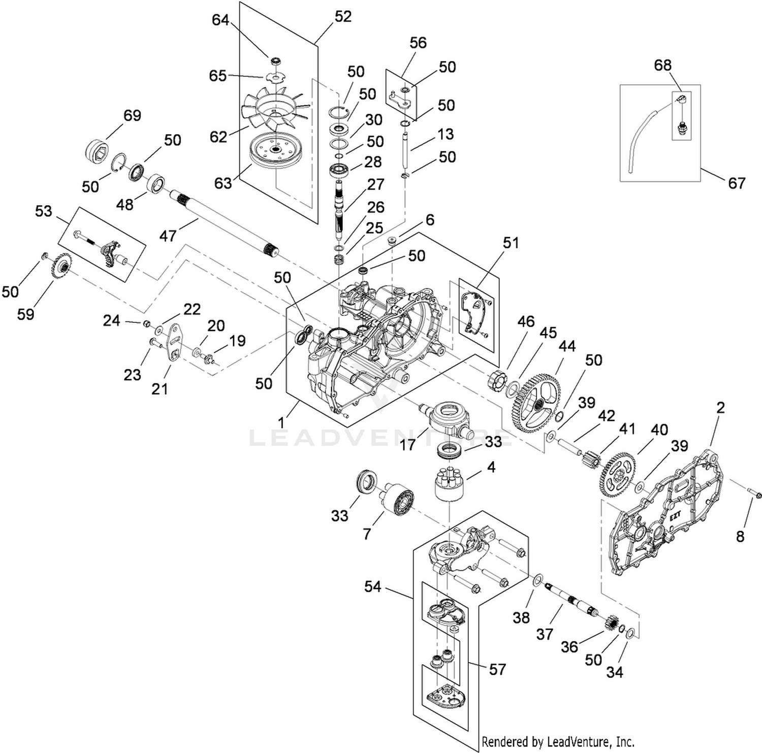
Toro Z4200 Parts Diagram - schematron.org Dec 29, 2018 · Toro Z4200 Parts Diagram. All Mower Spares stock a wide range of products from Toro. All Mower Spares stocks a range of spare parts and mower spares for Toro lawn Add to wish list. Genuine Toro parts ensure your mower performs as it's intended by providing the . Replacement Part List . TimeCutter Z4200 - Toro Hydro Drive Assembly 6 Ref Part No. Qty. Description 1 110-6771 1 Hydro-RH 2 110-6770 1 Hydro-LH 3 322-4 2 Screw-HH 4 322-11 2 Screw-HH 5 3230-9 4 Screw-CARR 6 3296-58 17 Nut-Lock, NI 7 322-6 1 Screw-HH 8 322-7 1 Screw-HH 9 110-6677 2 Clip-Spring 10 110-6774 1 V-Belt 11 63-1590 1 Spring-Idler 12 110-6775 2 Pulley-Idler 13 5-4460 3 Washer-Pivot Parts - TimeCutter Z4200 Riding Mower | Toro 42 Inch Deck Spindle and Belt Drive Assembly. Air Intake and Filtration Assembly Kohler SV590-0019. ... TimeCutter Z4200 Riding Mower ... Toro Product Type Riding Products Product Series Zero Radius Turn, Consumer Chassis Type ZRT - Consumer ... Deck Belt for Toro TimeCutter RZT420H, Z4200, Z4220, Z4235 ... Deck Belt for Toro TimeCutter RZT420H, Z4200, Z4220, Z4235, Z4202, 42" Cut 1106871, 110-6871 Time Cutter
How to Replace a Toro Zero-Turn Riding Mower Ground Drive Belt This video from Sears PartsDirect shows how to replace a ground drive belt in some Toro zero-turn riding mowers. The ground drive belt connects the engine cr...
The driving belt slipped on my Toro Timecutter SS4225 42 ... The driving belt slipped on my Toro Timecutter SS4225 42 in. zero turn riding mower. 1. I need reliable instructions on how to access the drive belt and a diagram showing how the belt is installed. 2. In addition, the mounting bolt for the electric clutch won't come out.
Parts Lookup and OEM Diagrams | PartsTree Repair parts lookup and OEM diagrams for outdoor equipment like Toro lawn mowers, Cub Cadet tractors, Husqvarna chainsaws, Echo trimmers, Briggs engines. ... Results for "74360 z4200 toro timecutter z4200 zero turn mower sn 280000001 280999999 2008" (37793 Models)
Parts - TimeCutter Z4200 Riding Mower | Toro 42 Inch Deck Spindle and Belt Drive Assembly. Air Intake and Filtration Assembly Kohler SV590-0213. ... TimeCutter Z4200 Riding Mower ... Toro Product Type Riding Products Product Series Zero Radius Turn, Consumer Chassis Type ZRT - Consumer ...
Parts Lookup and OEM Diagrams | PartsTree Parts lookup and repair parts diagrams for outdoor equipment like Toro mowers, Cub Cadet tractors, Husqvarna chainsaws, Echo trimmers, Briggs engines, etc. ... Results for "74360 z4200 toro timecutter z4200 zero turn mower sn 310000001 310999999 2010" (38096 Models) ... 74325 (Z 420) - Toro 42" TimeCutter Zero-Turn Mower (SN: 250000001 ...
Toro TimeCutter Drive belt replacement - YouTube This video will show you how to replace a hydrostatic drive belt on a Toro Timecutter zero turn lawnmower. This repair is done with with 4 basic tools and do...

New 265-203 OEM Replacement Belt for Toro TimeCutter Z4200, Z4220, Z4235, Z5000, Z5020, Z5030, Z5035
Toro 74360, TimeCutter Z4200 Riding Mower, 2010 (SN ... Toro 74360, TimeCutter Z4200 Riding Mower, 2010 (SN 310000001-310999999) 42 INCH DECK SPINDLE AND BELT DRIVE ASSEMBLY Exploded View parts lookup by model. Complete exploded views of all the major manufacturers. It is EASY and FREE

8TEN Spindle Assembly for Toro 50 inch Deck Timecutter Z4200 Z4202 Z4220 Z4235 Z5020 110-6866 117-1192 3 Pack
Toro Timecutter SS4260 42in Zero Turn Mower Deck Belt ... In this video i replace a worn out deck belt on a toro timecutter zero turn riding mower.
Hydro Pump Drive Belt for Toro TimeCutter Z4200, Z4220, Z4235, Z5000, Z5020, Z5030, Z5035, Z5040, Z5060, 1106774, 110-6774 Time Cutter
ARIMain - WEINGARTZ Find parts for your toro 42 inch deck spindle and belt drive assembly with our free parts lookup tool! Search easy-to-use diagrams and enjoy same-day shipping on standard Toro parts orders.
Toro 74360, TimeCutter Z4200 Riding Mower, 2007 (SN ... Toro 74360, TimeCutter Z4200 Riding Mower, 2007 (SN 270000001-270999999) Exploded View parts lookup by model. Complete exploded views of all the major manufacturers. It is EASY and FREE
Parts Lookup and OEM Diagrams | PartsTree Parts lookup and repair parts diagrams for outdoor equipment like Toro mowers, Cub Cadet tractors, Husqvarna chainsaws, Echo trimmers, Briggs engines, etc. The Right Parts, Shipped Fast! ... 74360 (Z 4200) - Toro 42" TimeCutter Zero-Turn Mower (SN: 270000001 - 270999999) (2007)
ARIMain - WEINGARTZ Toro 74360, TimeCutter Z4200 Riding Mower, 2010 (SN 310000001-310999999) 42 Inch Deck Spindle and Belt Drive Assembly
Toro Zero Turn Ground Drive Belt Replacement [42"] (2020 ... Save some MONEY and do it yourself! Video tutorial on how to change/ replace the drive belt on your Toro 42" Timecutter. The model year is 2020 and the mod...
0 Response to "36 toro timecutter z4200 drive belt diagram"
Post a Comment