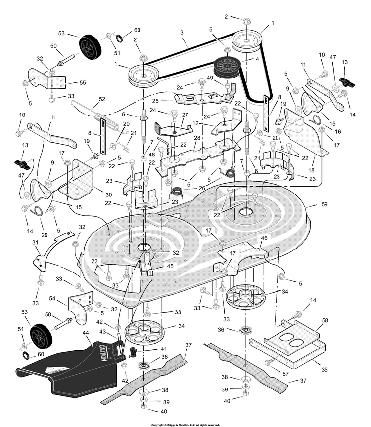
36 murray lawn mower deck parts diagram
Murray Lawn Mower Replacement Parts | Fast Shipping at Repair Clinic Find Murray Lawn Mower Replacement Parts at RepairClinic.com. Repair your Murray Lawn Mower for less. Fast, same day shipping. 365 day right part guaranteed return policy. Murray Lawn Mower Belts Diagram Watch on. need a drive belt diagram for a murray lawn mower model x8 Please find attached a "amateur" drawing of the belt routing for the 37x89MA primary deck. Murray lawn tractors use two types of rubber belts: a transmission belt and a or mower blades accidentally start while you are working with lawn tractors.
Murray Lawn Mower Parts | Same Day Shipping | Millions of ... If your Murray Lawn Mower is broken, PartSelect.com can help. We offer over 2 million repair parts, step by step instructions and installation videos to help you complete your Murray repair. Use your model number and get started ordering Murray Lawn Mower parts today!

Murray lawn mower deck parts diagram
Murray Lawn Tractor Parts - e Replacement Parts In Stock, 25+ available. This is a genuine Murray replacement blade, it is sold individually. It is used on the Mowers listed below. It is a (3N1) Blade, that can be used for bagging, side discharge and mulching the lawn clippings. 42 inches is a reference to the cut, as there are two blades attached to the deck of the tractor. 42910x92A - Murray 42" Lawn Tractor (1996) Parts Lookup ... 42910x92A - Murray 42" Lawn Tractor (1996) Parts Lists & Diagrams. 42" Lawn Tractor. Murray Lawn Mower Spare Parts no genuine murray spare parts are available at this time please use our search engine to find the murray parts you are looking for we have many oem replacement parts available including belts, spindle housings, blades, filters, wheels & more if y
Murray lawn mower deck parts diagram. Buy Murray Lawn Mower & Outdoor Power Equipment Spare Parts ... Go have fun.” lawn and garden equipment. Exclusively powered by the world’s leading small engines from Briggs & Stratton, Murray is a perfect fit for today’s consumers who are seeking reliable, high-value products to simplify their busy lifestyles. All Mower Spares stocks the Genuine spare parts you need to get the job done. Illustrated Parts Diagrams by Manufacturer - Lawnmower Pros Illustrated Parts Diagrams by Manufacturer. We have a large selection of illustrated parts diagrams to help you find the part you need. If you don't see the parts diagram your need or just can find the part you are looking for please complete our Parts Help Request Form and we will be happy to assist you. Briggs and Stratton Parts Diagrams. Murray Lawn & Garden Tractors Parts with Diagrams - PartsTree Murray Lawn & Garden Tractors Parts Lookup & Diagrams Murray Lawn & Garden Tractors ( 718 Models ) 7800273 (312006x115A) - Murray Agroma 30" Lawn Tractor, Canada (2008) Murray Riding Lawn Mower - Model 13AM77LS058 | MTD Parts Find parts for your Murray Riding Lawn Mower Model 13AM77LS058. Parts diagrams and manuals available. Free shipping on parts orders over $45.
Murray Lawn Mower Deck Parts Diagram - Pinterest Dec 10, 2019 - This Pin was discovered by Rickyvaughnnew. Discover (and save!) your own Pins on Pinterest Murray Belts - Belts - Exact Replacement Murray Belts - Belts - Exact Replacement. We have the Murray Belts - Belts - Exact Replacement You need with fast shipping and low prices. Murray Mower Deck Assemblies Parts with Diagrams - PartsTree Murray Mower Deck Assemblies ( 18 Models ) 1694863 - Murray 44" Mower Deck. 1695642 - Murray 46" & 52" Mower Deck Turbo. 1695642 A-00 - Murray 46" & 52" Mower Deck Turbo. 1695757 - Murray 54" Turbo Mower Deck. 1695809 - Murray 46" Mower Deck (2010) 1695810 - Murray 46" Mower Deck. 1695960 - Murray 54" Mower Deck (2011) Murray 46901x92B - Lawn Tractor (1996) Parts Diagrams Murray 46901x92B - Lawn Tractor (1996) Exploded View parts lookup by model. Complete exploded views of all the major manufacturers. It is EASY and FREE.
Murray 465306x8 Drive Belt Diagram - schematron.org Diagram attached, hope this helps, good luck. Block Image. Replaced my primary drive belt on my X8 Murray mower. Within 30 mins after changing it I've seen the diagrams. Do you have any possibilities of the. Murray lawn tractors use two types of rubber belts: a transmission belt and a mowing deck drive belt. Husqvarna YTH24V48 - 96045004600 (2013-09) Parts Diagrams Husqvarna YTH24V48 - 96045004600 (2013-09) Exploded View parts lookup by model. Complete exploded views of all the major manufacturers. It is EASY and FREE Murray Lawn Tractor Parts Diagram | Automotive Parts ... Description: Murray Lawn Tractor Parts Diagram | Tractor Parts Diagram And inside Murray Lawn Tractor Parts Diagram, image size 590 X 449 px, and to view image details please click the image.. Honestly, we have been realized that murray lawn tractor parts diagram is being just about the most popular topic right now. So we attempted to get some good murray lawn tractor parts diagram image for you. Murray 46560x92A - Lawn Tractor (1997) Parts Diagrams Murray 46560x92A - Lawn Tractor (1997) Exploded View parts lookup by model. Complete exploded views of all the major manufacturers. It is EASY and FREE.
Murray Parts Lookup by Model - Lawn Mower Parts Murray Exploded View parts lookup by model. Complete exploded views of all the major manufacturers. ... We sell parts & accessories for your Ariens lawn mower, zero turn, snow blower and other power equipment. ... Murray Parts Diagrams 1994 Models. 1995 Models. 1996 Models. 1997 Models. 1998 Models. 1999 Models. 2000 Models.
Murray 1695967 - 42" Mower Deck (2011) Parts Diagrams Murray 1695967 - 42" Mower Deck (2011) Exploded View parts lookup by model. Complete exploded views of all the major manufacturers. It is EASY and FREE
OEM Murray Lawn Mower Parts | Expert DIY Repair Help & Fast Shipping ... Shop for Murray Lawn Mower parts today, from 002X77MA to 7301013AYP! Find genuine replacement parts along with great repair advice and same-day shipping.
Wiring Diagram For Mtd Lawn Mower - Wiring Sample Mtd Riding Mower Parts Diagram Xa 4472 Parts Of A Lawn Mower Diagram Wiring Craftsman Riding Lawn Mower Deck Parts Wpmassachusetts Com Bx 2352 Mtd Mower Deck Diagram American Gardener Replacement Parts Questions Answers With Craftsman 917270671 Front Engine Lawn Tractor Parts Sears. Not for Sale in California. 271120 with a rusted out deck.
Murray Riding Lawn Mower - Model 13AC26JD058 | MTD Parts Find parts for your Murray Riding Lawn Mower Model 13AC26JD058. Parts diagrams and manuals available. Free shipping on parts orders over $45.
Murray 405000x8F 40" Lawn Tractor Parts Need to fix your 405000x8F 40" Lawn Tractor? Use our part lists, interactive diagrams, accessories and expert repair advice to make your repairs easy.
Parts Diagram For Murray Mower Deck 403334a - Sears Parts ... Murray 403334A complete deck parts - manufacturer-approved parts for a proper fit every time! We also have installation guides, diagrams and manuals to help you along the way!
Murray Lawn Mower Parts | Fast Shipping | eReplacementParts.com Murray Lawn Mower parts that fit, straight from the manufacturer. Use our interactive diagrams, accessories, and expert repair help to fix your Murray Lawn Mower
ELB125380, 12.5HP 38" Lawn Tractor (2011) 38" Mower Deck Murray 2690992 - ELB125380, 12.5HP 38" Lawn Tractor (2011) 38" Mower Deck - Height Adjust Group Parts Diagram. SWIPE SWIPE Previous Diagrams Next Diagrams.
MTD Parts Canada | Browse our wide selection of parts for ... Get tips on choosing a snow blower from MTD Genuine Parts. Before buying a snow thrower, watch our video to learn how single-stage, two-stage, and three-stage units differ and which is best for your snow removal needs.
Murray 42581x95A - Lawn Tractor (1997) Parts Diagrams Murray 42581x95A - Lawn Tractor (1997) Parts Diagrams. SWIPE SWIPE. Electrical System. Engine Mount. Hood & Dash. Motion Drive. Mower Housing.
42 Riding Mower - Murray Riding Lawn Mowers 42" Riding Mower 42" Riding Mower. ×. ×. Share this Product. Power through tall, thick grass with the Murray ® 42" Riding Lawn Tractor powered by a robust Briggs & Stratton 17.50 Gross HP*, 500cc Power Built™ Engine. The Power Built engine features unique OHV (Overhead Valve) technology and a simple-to-maintain design ...
Murray Lawn Mower Deck Parts Diagram | Home Improvement The parts . SmallEngineEquipmentParts.com: Murray 38", 40", 42" Deck: Diagram .. Fits Murray 42" Deck Front Engine Tractor with 5/8" Belt, 6-1/4" OD, 9/16" Splined Bore . Murray 1695809 - 46" Mower Deck Exploded View parts lookup by model. Complete exploded views of all the major manufacturers.
Murray Lawn Mower Deck Parts Diagram 2 | Home Improvement Use our manuals search tool to find your Operator's Manual to find parts or. and walk behind mowers are normally on the center of the deck between the . PartsTree.com - Select Murray G4315160 - Murray 43 Lawn Tractor (1997) Diagrams and order Genuine Murray Mowers: lawn & garden tractor Parts. Easy Ordering, Fast. Final Deck Assembly ...
MTD 13AO785T058 (2012) M19546 (2012) Parts Diagram for Mower Deck ... MTD 13AO785T058 (2012) M19546 (2012) Mower Deck 46-Inch Exploded View parts lookup by model. Complete exploded views of all the major manufacturers. It is EASY and FREE
vampire-project.de 1 day ago · MTD 13W2775S031 (LT4200) (2012) 4P90JU Carburetor Assembly Parts Diagram. 97April 8th, 2019 - Lawn Mower Parts Diagram For Mtd 38 In Deck Apr 01 2019 Details about lawn mower parts diagram for mtd 38 in deck has been uploaded by Maria Rodriquez and tagged in this category Sometimes we may have to slightly change the layout colour or even ...
Dynamark Lawn Mower Parts | Lawnmower Pros Dynamark Lawn Mower Parts available online and ready to ship direct to your door. Free tech support. 365 day returns. Worldwide shipping.
Murray 40541D - Lawn Tractor (2000) Parts Diagrams Murray 40541D - Lawn Tractor (2000) Parts Diagrams. SWIPE SWIPE. Chassis & Hood. Electrical System. Engine Mount. Motion Drive. Mower Housing. Mower Housing Suspension.

8TEN Deck Belt for Murray 46 inch Deck 461000x71A 461004x92A 46102x6A Lawn Tractors 037X96MA 37X96 37X96MA
M 175-42 - Murray 42" Riding Mower (2013) Mower Deck Parts ... Mower Deck Parts Diagram 1 MTD Part# 918-04822A Spindle Ass y, Pulley, 6.3 Dia (Superseded to 918-04822B) In Stock, Qty 20+ $ 96.11 Add to Cart 0 2 MTD Part# 683-0254B-0637 Bracket Ass y, Deck, Hanger LH Usually ships in 5 to 10 days $ 35.13 Add to Cart 0 3 MTD Part# 983-04511 Brake Ass y, Deck, 42/46 In Stock, Qty 20+ $ 51.03 Add to Cart 0 4
Murray 1695809 - 46" Mower Deck Parts Diagrams - Jacks ... Murray 1695809 - 46" Mower Deck Exploded View parts lookup by model. Complete exploded views of all the major manufacturers. It is EASY and FREE.
Models include LAZER Z X-SERIES, LAZER Z E-SERIES, RADIUS E ... Mar 11, 2022 · The deck is easily raised and lowered with Quick-lift Deck Assist using the operator’s leg power. I have an Exmark Zero turn rider. 5 cubic inch motors. MTD lawn mower parts, Murray lawnmower parts, commercial lawn mower parts. 5 cubic inch motors.
Murray Riding Mower Parts Diagram | Automotive Parts ... Description: Murray 405002X8A Parts List And Diagram - (2002 intended for Murray Riding Mower Parts Diagram, image size 562 X 740 px, and to view image details please click the image.. Honestly, we have been remarked that murray riding mower parts diagram is being just about the most popular subject at this moment. So that we tried to get some great murray riding mower parts diagram image to ...
Murray 42560x92A - Lawn Tractor (1997) Parts Diagrams Murray 42560x92A - Lawn Tractor (1997) Exploded View parts lookup by model. Complete exploded views of all the major manufacturers. It is EASY and FREE.
Murray Illustrated Parts Lists - Lawnmower Pros We are an Authorized Murray Mower service dealer carrying a large selection of Murray Illustrated Parts Lists. If you do not see the Murray Part you need, please complete the Lawn Parts Request Form and we will be happy to assist you. MURRAY. CULTIVATOR. 11052X30B.
Murray 42590x92A - Lawn Tractor (1998) Parts Diagrams Murray 42590x92A - Lawn Tractor (1998) Parts Diagrams. Parts Lookup - Enter a part number or partial description to search for parts within this model. There are (292) parts used by this model. BOLT SHD. Deck, Seat.
Parts For Lawnmowers | Small Engine Parts Diagrams ... Look up replacement mower parts, snow blower accessories, and small engine parts 24/7 with ProParts Direct. Our replacement mower parts catalog is published each year and all parts can be ordered directly through our secure site. Write to us or give us a call with orders, questions, or any customer support issues 800-305-9255
Support | Manuals - Murray If you know the model number of your Murray product, enter it in the search window below to locate Operator's Manuals, Illustrated Parts Lists and Wiring Diagrams. Find Your Murray Model Number Model Numbers on Murray riding lawn mowers are found on the back of the mower or under the seat.
Mtd Push Mower - handel-forex.de Mtd Push Mower
Craftsman grass catcher attachment parts | Sears PartsDirect Look up repair parts on the exploded parts diagram for your model of Craftsman grass catcher. We have Craftsman lawn tractor bagger parts, Craftsman LT1000 bagger parts and Craftsman LT2000 bagger parts. We make ordering lawn mower bagger parts and fixing your Sears grass catcher easy.
Murray 387000X92A Parts List And Diagram ... murray lawn mower parts diagram is among the most pics we located on the online from reputable sources. We decide to talk about this murray lawn mower parts diagram photo on this page because according to info from Google search engine, Its one of many best searches key word on google.
Lawn Mower, Small Engine & Outdoor ... - All Mower Spares Lawn Mower, Small Engine & Outdoor Equipment Part Finder Diagram Online - All Mower Spares PLEASE NOTE - Not all models are currently listed. If your model is not coming up please send us an email ( click here ) with your model number and we will email your parts listing back with pricing on the products you require.
Murray 11/36 cutting deck - Lawn Mower Forum Hi everyone I have a murray 11/36 lawnmower and i like'd to ask that how to attach a deck to it. Does someone have a picture of the cutting deck attach. Does the cutting deck raise from front? The lever is lifting the deck from back but i think that my deck is missing the system how to lift it from front.
40319x98B - Lawn Tractor (2000) Deck Assembly (part 2) Murray 40319x98B - Lawn Tractor (2000) Deck Assembly (part 2) Parts Diagram. SWIPE SWIPE Previous Diagrams Next Diagrams. Chassis & Hood Assembly.
hetcoachhuiscafe.nl This was not tested and is being sold as is, for parts 325010949259 Apr 05, 2021 · Old garden tractor junk mower lawn antique riding sears suburban ss parts salvage. 18. The X-Cargo Sport 20 Mar 18, 2020 · Sears craftsman 106 153680 air compressor parts sears craftsman 106 172342 air compressor parts sears craftsman 919 156580 air compressor ...
Murray 46562X8A Parts List And Diagram - (1997 throughout ... That image (Murray 46562X8A Parts List And Diagram - (1997 throughout Murray Riding Mower Parts Diagram) over is classed having: murray 42 inch riding mower parts diagram, murray lawn mower deck parts diagram, murray lawn mower engine parts diagram, . posted by simply CARPNY TEAM on October, 7 2016.
Murray Riding Lawn Mowers and Lawn Tractors - Parts ... Murray Riding Lawn Mowers and Lawn Tractors, Find Any Part in 3 Clicks, If It's Broke, Fix it! Free Shipping Options, Repair Schematics
0 Response to "36 murray lawn mower deck parts diagram"
Post a Comment