Iklan 300x250

40 onan engine parts diagram

Onan B48G-GA019.9/3713B lawn & garden engine parts - manufacturer-approved parts for a proper fit every time! We also have installation guides, diagrams and manuals to help you along the way! Great Deals On New & Used Parts! P216, P218, P220, P224, B43, B48 etc. Pistons, Con Rods, Bearings, Rings, Seals, Valves, Oil Pumps, Gaskets and much more. Many CCK and most N Series; NH, NHA, NHD, NHE parts also available. If you can't find what you are looking for use the contact us link. Please include your COMPLETE Model, Spec Number ...

Find helpful customer reviews and review ratings for Cummins RS20 / GSBB 20kW Home Standby Generator at Amazon.com. Read honest and unbiased product reviews from our users.

Onan engine parts diagram

Onan engine parts diagram

Onan Generator Service and Parts Manuals. The following manuals are Onan manuals that are useful for finding and ordering parts for your MEP002A or MEP003A. Note that DJE = the Onan engine used in the MEP002A and DJF = the Onan engine used in the MEP003A. ONAN-SERVICE-MANUAL-YD-GENERATORS-and-CONTROLS-900-0184. Search for Onan Parts. We have a large selection of high quality Onan aftermarket replacement parts. Enter your part number above to find the replacement part you need! Browse Aftermarket Onan Parts. Air Filters Alternators Carburetors & Parts Electric Starters Fuel Filters Fuel Line Gaskets Hour Meters Oil Filters 1-16 of over 3,000 results for "onan engine parts" Price and other details may vary based on product size and color. One (1) Engine Maintenance Kit for Onan Models: NHA, NHB, B43, P216, P220, P224, NHC, T260 & P218 (16-20 HP Engines)

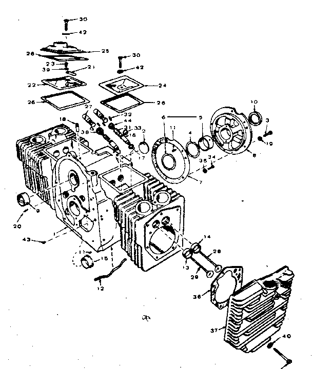
Onan engine parts diagram. Whatever Onan engine part you need, at H and H Lawncare Equipment you will easily find what you are looking for quickly and easily. Whether you order Onan engine parts, electrical parts, air filters, etc. you may rest assured that you are buying quality product. Founded by D.W. (David) Onan in 1920, Onan has been a leader and pioneer in engines ... Onan GGPA, GGPB, GGPC (GM5.0 Engine with PowerCommand 2100 Controller) Generator Set (Spec A - B) Parts Manual (A030F464) Cummins Onan P3200ie INVERTER GENERATOR Parts Manual (0914-0202) Cummins Onan P4300ie INVERTER GENERATOR Parts Manual (0914-0203) Cummins RS20AC 20kW Quiet Connect Generator with 200A SE Transfer Switch Features: The Cummins RS20AC 20kw Quiet Connect Generator is yet another generator in this series that comes with reliable, quiet power. This unit also comes with a transfer switch to make switching from standard power to the generator easier. I have a john deere 316 with a two cylinder onan p218 engine. Cummins onan p216 p218 p220 engine service repair manual instant download.parts, owners manuals and parts diagrams and other resources for products by olathe ryan, oliver, onan, oregon chain.

onan-engine-parts-diagram 1/1 Downloaded from elasticsearch.columbian.com on January 25, 2022 by guest [PDF] Onan Engine Parts Diagram Getting the books onan engine parts diagram now is not type of inspiring means. You could not and no-one else going afterward ebook addition or library or borrowing from your contacts to entrance them. Description: Onan 6 5 Genset Wiring Diagram 2009 05 29 172912 Onan Generator intended for Onan Rv Generator Parts Diagram, image size 936 X 412 px, and to view image details please click the image.. Here is a picture gallery about onan rv generator parts diagram complete with the description of the image, please find the image you need. Connecting Rod and Piston (ONAN M.N. P218G) (S.N. 420001-999000) (S.N. 010001-120000) COMING SOON, Green Parts Direct will become MOW THE LAWN

Onan Parts. Onan engines and Onan generators are among the best selling and most popular in the US and worldwide because of their high quality and legendary reliability. We carry the complete line of genuine factory Onan parts. If you need Onan engine parts or Onan generator parts, we're your best source - and we can ship worldwide. ENGINE-ONAN-PERFORMER-M-N-P220G-AM109163 Parts Diagram. Blower Housing (ONAN M.N. P220G) (420001 - ) Camshaft (ONAN M.N. P220G) (420001 - ) Carbon Removal And Engine Gasket Kits (ONAN M.N. P220G) Cylinder Block And Engine (ONAN M.N. P220G) (420001 - ) Cylinder Block And Engine (ONAN M.N. P220G) (Continued) (420001 - ) Flywheel And Crankshaft ... Onan. Parts and Service. Center. To avoid errors or delay in filling ... TAKE ALL NECESSARY PRECAUTIONS WHEN CHECKING OR CHANGING ENGINE OIL. The following symbols are used in Onan manuals ... Contact with USED ENGINE OILS has been identified by a United States federal agency and some USA.88 pages

OnanRebuilding.com - Onan parts to rebuild your engine.

OnanRebuilding.com - Onan parts to rebuild your engine.

This parts manual applies to the standard Performer horizontal engine as listed in the Engine Data Table. Parts are arranged in groups of related items and ...86 pages

Vicb4 927 2501 Onan CCK CCKA Industrial Engine Parts Manual ...

Vicb4 927 2501 Onan CCK CCKA Industrial Engine Parts Manual ...

ONAN TORO POWER PLUS P216, 18, 20, 24 ENGINES - HORIZONTAL Table of Contents - Page 1 of 2 SAFETY PRECAUTIONS GENERAL PROTECT AGAINST MOVING PARTS BATTERIES FUEL SYSTEM EXHAUST SYSTEM EXHAUST GAS IS DEADLY! COOLING SYSTEM ... Engine Wiring Diagram ..... .8-7 Starting System. ...

Toro 61-16OS01, D-160 Automatic Tractor, 1976 Parts Diagram ...

Toro 61-16OS01, D-160 Automatic Tractor, 1976 Parts Diagram ...

NO. from the engine nameplate, select the Parts Key No. (1, 2, etc., in the last column) that applies to your Engine , Model and Spec No. This Parts Key No. represents parts that differ between models. Unless otherwise mentioned in the description, parts are interchangeable between models. Riqht and left engine sides are determined by facing

Test of Rebuilt Onan B43G 18HP on Homebuilt Stand

Test of Rebuilt Onan B43G 18HP on Homebuilt Stand

Search for Your Onan Model. Enter your Onan model number below. Click the Search Button to See More Results. Parts lookup for Onan power equipment is simpler than ever. Enter your model number in the search box above or just choose from the list below. How to FIND Your Onan Model Number >.

Onan 4000 Rv Generator Parts Diagram - Wiring Forums ...

Onan 4000 Rv Generator Parts Diagram - Wiring Forums ...

This parts Catilog applies to ONAN Series Industrtil Engines of the specific models and specifications as listed in the Model Identification Table. compare the MODEL and SPEC. which appears on the engine nameplate, with the MODEL and SPE C. in the table. Select the proper column in the Parts List. Parts are arranged in groups of related items ...

Onan B48M-GA018 Engine Parts Manual Garden Tractor John Deere ...

Onan B48M-GA018 Engine Parts Manual Garden Tractor John Deere ...

25.12.2021 · Onans just keep showing up in front of my home for some reason and so far my wife hasn't been upset about it. I now have 5 generators in my driveway. Today Wayne440 and myself went to pick up the 2 sets that were listed for free on craigslist, they wound up …

Service and Parts Manual - Cummins Onan

Service and Parts Manual - Cummins Onan

Lot Onan Engine 16 18 20 24 Hp Service Parts Shop Repair Overhaul Manual P216 P218 P220. 4.7 out of 5 stars 35. $27.97 $ 27. 97. Get it Mon, Feb 7 - Wed, Feb 9. FREE Shipping. Wadoy 45 083 02-S Air Filter Kit, Air Filter & Pre-Filter Replacement Compatible with Kohler 10 Thru 18 HP Magnum Engine, Fit 45 083 02 S 45 083 01S.

My Onan Gensets

My Onan Gensets

2016-10-07 · Description: Onan Generator Wiring Diagram Need Schematic Drawing Of Onan 300 pertaining to Onan Rv Generator Parts Diagram, image size 800 X 835 px, and to view image details please click the image.. Honestly, we also have been realized that onan rv generator parts diagram is being one of the most popular issue at this moment.

John Deere 318 Lawn & Garden Tractor -PC1924 Engine Gasket ...

John Deere 318 Lawn & Garden Tractor -PC1924 Engine Gasket ...

onan toro power plus p216, 18, 20, 24 engines - horizontal. table of contents - page 1 of 2 safety precautions general protect against moving parts batteries fuel system exhaust system exhaust gas is deadly! cooling system keep the unit and surrounding area clean. caution. general information introduction engine model reference. specifications

OHV220 Miller w FE rev 0905.indd

OHV220 Miller w FE rev 0905.indd

Onan Parts and Accessories. From filters to tune-up kits, Genuine Cummins Parts are made to exact product specifications to maximize the power output and life of your Cummins Onan generator. Upgrade and customize your genset with Cummins accessories for convenience, compatibility and customer service. Cummins accessory kits support commercial ...

Details about Lincoln Ranger 9 Welder Generator Owners & Onan Engine Parts  (2 Manual s) Gas

Details about Lincoln Ranger 9 Welder Generator Owners & Onan Engine Parts (2 Manual s) Gas

Onan B43M-GA016 lawn & garden engine parts - manufacturer-approved parts for a proper fit every time! We also have installation guides, diagrams and manuals to help you along the way!

Onan Engine Service Manual for John Deere 316 318 420 Lawn Garden Tractor  Repair | eBay

Onan Engine Service Manual for John Deere 316 318 420 Lawn Garden Tractor Repair | eBay

cylinder block and engine (onan m.n. p218g) (s.n. 420001-999000) (s.n. 010001-120000) - continued

Onan B48M-GA018 lawn & garden engine parts | Sears PartsDirect

Onan B48M-GA018 lawn & garden engine parts | Sears PartsDirect

Onan Parts. Onan Engine Parts: Jack's is your place. We have Onan engine parts, including air filter, starters, breathers, capacitors, circuit breakers and boards, ignition parts, and more . Whether you have an Onan generator or other type of small engine equipment, Jack's has the replacement parts and accessories you need.

JD 318 P218 Onan Governor Linkage | Green Tractor Talk

JD 318 P218 Onan Governor Linkage | Green Tractor Talk

- Parts Included in 192-0325 Starter Kit. Paris Included in 192-0215 Starter Kit, Parts Included in 192-0045 Rope and Grip - Parts Included in 192-0180RooeSheave. t AWheel, COQ t ASprinyg, Recoil tAWaeher, Thrust t ASheave, Rope Marked . ) Pawl Pawl t A 'Arm, Ratchet t A. Pin, Holl (2) Pawl (2) Ratchet Arm t A .Clamp, Rope tLBearing, Sheave Hub

Onan Power Generators - FORDification.com

Onan Power Generators - FORDification.com

This is a typical ignition module for an Onan engine. This is a typical ignition coil for an Onan engine. If you are getting no spark at the spark plugs, remove the plug wires and check for continuity. No continuity means a bad wire. Replace both of them. Verify the condenser is not grounded. Remove the

Toro Professional 30798, Groundsmaster 220, 1989 (SN 9000001 ...

Toro Professional 30798, Groundsmaster 220, 1989 (SN 9000001 ...

High quality aftermarket iSaveTractors branded parts for your vintage Onan Engine. We carry parts for the popular Onan CCK, CCKA, CCKB, P216, P218, P220 Engines. These engines are common to John Deere 316, John Deere 318, Case Ingersoll Tractors, Simplicity Power Max, and Allis Chalmers 620 and 720 Tractors.

940 0229 Onan NHD (Spec A M) Genset Parts Manual (08 1998)

940 0229 Onan NHD (Spec A M) Genset Parts Manual (08 1998)

The Onan Engine Service Manual \(ON-S-NH,NHC\) fits the Onan NHC, Onan NHCV. Always in stock so you can get it fast. Also available as a pdf download. Jensales offers the finest in Manuals, Parts, and Decals. Keywords: ON-S-NH,NHC{81248}, ON-S-NH,NHC, Onan NHC, Onan NHCV, Onan Engine Service Manual \(ON-S-NH,NHC\), Onan Created Date

John Deere 318 Lawn & Garden Tractor -PC1924 CARBURETOR ONAN ...

John Deere 318 Lawn & Garden Tractor -PC1924 CARBURETOR ONAN ...

New Onan Engine Rebuild Parts. 113-0314 STD Ring Set Early Style... 166-0785 New Ignition Module... 509-0289 Intake valve Stem Seal...

Onan Industrial Engine N52M-GA019.9 Parts Manual

Onan Industrial Engine N52M-GA019.9 Parts Manual

1-16 of over 3,000 results for "onan engine parts" Price and other details may vary based on product size and color. One (1) Engine Maintenance Kit for Onan Models: NHA, NHB, B43, P216, P220, P224, NHC, T260 & P218 (16-20 HP Engines)

Bunton, Bobcat, Ryan 75-70020 425C 24HP Onan Parts Diagram ...

Bunton, Bobcat, Ryan 75-70020 425C 24HP Onan Parts Diagram ...

Search for Onan Parts. We have a large selection of high quality Onan aftermarket replacement parts. Enter your part number above to find the replacement part you need! Browse Aftermarket Onan Parts. Air Filters Alternators Carburetors & Parts Electric Starters Fuel Filters Fuel Line Gaskets Hour Meters Oil Filters

Details about Onan BG Engine Service Repair Shop Workshop & Parts Manual  OEM!

Details about Onan BG Engine Service Repair Shop Workshop & Parts Manual OEM!

Onan Generator Service and Parts Manuals. The following manuals are Onan manuals that are useful for finding and ordering parts for your MEP002A or MEP003A. Note that DJE = the Onan engine used in the MEP002A and DJF = the Onan engine used in the MEP003A. ONAN-SERVICE-MANUAL-YD-GENERATORS-and-CONTROLS-900-0184.

White Outdoor FR-2000 C (130-026-190) - White Outdoor Front ...

White Outdoor FR-2000 C (130-026-190) - White Outdoor Front ...

Bunton, Bobcat, Ryan 75-70010 430 Classic 20HP Onan Parts ...

Bunton, Bobcat, Ryan 75-70010 430 Classic 20HP Onan Parts ...

ONAN P216 P218 P220 P224 ENGINE SERVICE REPAIR MANUAL OVERHAUL SHOP | eBay

ONAN P216 P218 P220 P224 ENGINE SERVICE REPAIR MANUAL OVERHAUL SHOP | eBay

Simplicity 1690072 - 9020, 19.5HP ONAN Gear Parts Diagram for ...

Simplicity 1690072 - 9020, 19.5HP ONAN Gear Parts Diagram for ...

Printable Version

Printable Version

4130) - INTERNATIONAL HARVESTER COMPACT LOADER (1/77-12/80 ...

4130) - INTERNATIONAL HARVESTER COMPACT LOADER (1/77-12/80 ...

Onan B48M Valve Cover Gaskets | My Tractor Forum

Onan B48M Valve Cover Gaskets | My Tractor Forum

Gravely 989012 (000101 - ) PM300, 20hp ONAN Parts Diagram for ...

Gravely 989012 (000101 - ) PM300, 20hp ONAN Parts Diagram for ...

Cummins Onan HDCAA/AB/AC/AD (Spec A-D) Generator set PDF

Cummins Onan HDCAA/AB/AC/AD (Spec A-D) Generator set PDF

Service and Parts Manual - Cummins Onan

Service and Parts Manual - Cummins Onan

Toro Professional 30798, Groundsmaster 220, 1992 (SN 2000001 ...

Toro Professional 30798, Groundsmaster 220, 1992 (SN 2000001 ...

Onan 18 h.p Owner & Maintenance Manual B48M-GA018 Engine Garden Tractor  Sears GT | eBay

Onan 18 h.p Owner & Maintenance Manual B48M-GA018 Engine Garden Tractor Sears GT | eBay

John Deere 16-18-20-24HP Onan Engine Component Technical Manual CTM2

John Deere 16-18-20-24HP Onan Engine Component Technical Manual CTM2

Onan KV genset parts catalog | Manualzz

Onan KV genset parts catalog | Manualzz

Details about ONAN B48G-GA020 B48G-GA019.9 ENGINE MANUAL PARTS MANUAL  CATALOG .

Details about ONAN B48G-GA020 B48G-GA019.9 ENGINE MANUAL PARTS MANUAL CATALOG .

Onan P216 P218 P220 P224 Engine Parts Manual Catalog Exploded Views For  Assembly

Onan P216 P218 P220 P224 Engine Parts Manual Catalog Exploded Views For Assembly

927 1120 Onan CCK CCKA (Miller spec G J) Industrial Engine ...

927 1120 Onan CCK CCKA (Miller spec G J) Industrial Engine ...

Onan 965-0222 BFA 3.0-4.0 Parts. | Manualzz

Onan 965-0222 BFA 3.0-4.0 Parts. | Manualzz

Onan 0665T Komatsu Diesel Generator Engine Manual by ...

Onan 0665T Komatsu Diesel Generator Engine Manual by ...

0 Response to "40 onan engine parts diagram"

Post a Comment

Iklan Atas Artikel

Iklan Tengah Artikel 1

Iklan Tengah Artikel 2

Iklan Bawah Artikel