Iklan 300x250

38 mtd 46 inch deck belt diagram

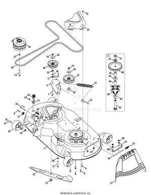
Mower Deck 46-Inch diagram and repair parts lookup for MTD 13AX915T004 - MTD Gold Lawn Tractor (2012) The Right Parts, Shipped Fast! ... MTD Gold Lawn Tractor (2012) Mower Deck 46-Inch Parts Diagram. Gold Lawn Tractor. Mower Deck 46-Inch Parts Diagram. Title; 1. MTD Part# 918-04865A. ... Belt. Usually ships in 1 ... Search Search en Change Language Upload Read free for 30 days User Settings Skip carousel What is Scribd? Books Audiobooks Magazines Podcasts Sheet Music Documents (selected) Snapshots 100%(1)100% found this document useful (1 vote) 4K views 381 pages Usb Devs Uploaded byIonut Baciu Description:Usb Devs Copyright:© All Rights...

MTD 46 Inch to 54 Inch Parts (3 Blades) available online and ready to ship direct to your door from an Authorized MTD Dealer. Free tech support. 365 day returns. Worldwide shipping.

Mtd 46 inch deck belt diagram

Mtd 46 inch deck belt diagram

name K-sma subject 한국뷰티고등학교 발건강관리 자격검정입니다. 한국뷰티고등학교 em0jes 10-08-24 http://www.eprixy.com/ Tramadol sjzht http://www.controlaxiety.com/ buy valium from europe online %[[ http://www.dietgenus.com/ phentermine shortage 3553 http://www.levitra-meds.net/ compare levitra and... The above belt diagram for an MTD riding mower is only for a 46" deck belt, if you have a different belt, you may want a different frame of reference. The personalized photo can also help you apply these tips to your particular machine. 2. Loosen the idler pulley rods to remove the old belt, and inspect the new belt for installation. https://amzn.to/2JUtCvE - MTD REPLACEMENT PTO/DECK BELT (954-0486A 754-0486 954-0486 754-0486A 67-Inch by-5/8-inch)Buy me a coffee? - https://www.paypal.com...

Mtd 46 inch deck belt diagram. 0 of these in your cart. Yard man yard machines models. Mtd 46 Inch Deck Belt Diagram Starpowersolar Us Mtd yard machines 38 inch mower deck installation and removal youtube mtd 13ai609h131 1999 parts diagram for deck assembly h 46 inch mtd 46 belt diagram wiring mtd mower deck belt replacement 10 photos leseh. Thu, 31 Jul 2003 19:55:46 -0600 (MDT) Received: from jc-smtp.iij.ad.jp ([192.168.176.35]) by omgo.iij.ad.jp... 04:46:15 -0700 (PDT) Received: from sunroof.eng.sun.com (sunroof.SFBay.Sun.COM [129.146.168.88]) by engmail1mpk.Eng.Sun.COM (8.12.9+Sun/8.12.9/ENSMAIL,v2.2) with ESMTP id h71Bk9VB017484; Fri, 1 Aug 2003 04:46:14 -0700... Search Search en Change Language Upload Read free for 30 days User Settings Skip carousel What is Scribd? Books Audiobooks Magazines Podcasts Sheet Music Documents (selected) Snapshots 100%(1)100% found this document useful (1 vote) 2K views 366 pages Mil HDBK 757 Original Title:MIL-HDBK-757 Uploaded byburak_bk54765 Description... MTD Air Cleaner Assembly MTD Gaskets MTD Air Filter Covers MTD Air Filters MTD ATP Fuses MTD Bag Kits MTD Bar Nuts MTD Batteries MTD Battery Cable Assembly MTD Battery Chargers MTD Battery Hold Down MTD Blades MTD Blade Adapter MTD Blade Control Cables MTD Belts MTD Brackets and Guards MTD Brake Cables MTD Brake Parts MTD Breather Assembly MTD ...

MTD Products LLC P.O. Box 368022. Cleveland, OH 44136 Cleveland, OH 44136 If you experience any problems accessing this website, please call us at 1-800-269-6215 for assistance. Mtd 13al78st299 247288861 2012 Parts Diagram For Mower Deck 46 Inch throughout size 1180 X 1527. Craftsman 46 Mower Deck Belt Diagram - In the past few years, it Is simple to comprehend why hardwood decking Has become increasingly more prevalent. Hardwood decking is really durable because it's sourced from wood that is slow growing in tropical ailments. Over time, the belts on your MTD riding lawn mower can wear. Changing your mower deck belt as necessary will help keep your machine running at its peak. Before you change your Riding Mower Belts , confirm that the part number for the replacement you purchased matches the one listed in the "replacement parts" section of your MTD lawn mower manual . %%% -*-BibTeX-*- %%% ==================================================================== %%% BibTeX-file{ %%% author = "Nelson H. F. Beebe", %%% version = "1.131", %%% date = "26 December 2021", %%% time = "08:25:05 MST", %%% filename = "cacm2010.bib", %%% address = "University of Utah %%% Department of Mathematics, 110 LCB...

Add to Cart. C13. Hex Scr. 5/ 16-18 x 2.00\ \ \ " Lg. $3.41. Part Number:710-3103. Ships in 4 - 9 business days. checkmark. Ships in 4 - 9 business days. Note: for Faster Service Obtain Standard Nuts, Bolts and Washers Locally. if Items Cannot Be Obtained Locally, Order by Part Number an. There are two different belt routing patterns for our 46-inch cutting decks. 1. The routing for the six-pulley deck is somewhat complex, so it is shown here.. 2. The routing for our four-pulley decks is not as complex, but does vary depending on the model and year. Information on installing the belt on our four-pulley deck designs may be found in the Operator's Manual for the tractor. Video Tutorial of how to change upper deck belt on yard man 46" Triple blade deck. Shows easy and fast way to change out the belt without pulling the Deck. ... 92 Add to Cart In Stock Mulching Kit for 38- and 42-inch Cutting Decks OEM-190-116 $76.99 Add to Cart In Stock Mulching Kit for 42-inch Cutting Decks 19A30006OEM $81.39 Add to Cart In Stock Mulching Kit for 46-inch Cutting Decks (2010- ) 19B30005799 $99.90 Add to Cart In Stock MoreParts Diagram Mulching Kits Designed to help... Cutting Deck Width 24 in 30 in 33 in 34 in 36 in 38 in, 42 in 42 in 42-in 46 in 48-in 50 in...

Craftsman by MTD Z6400 17ARCACT099 (247.204460) (2014 ...

Craftsman by MTD Z6400 17ARCACT099 (247.204460) (2014 ...

From *****@************.*** Fri Dec 01 03:23:31 2006 Received: from [10.90.34.44] (helo=chiedprmail1.ietf.org) by megatron.ietf.org with esmtp (Exim 4.43) id 1Gq3gA-0002L3-Sq for *****-*******@****.***; Fri, 01 Dec 2006 03:23:31 -0500 Received: from cpf56.neoplus.adsl.tpnet.pl ([83.31.211.56]) by chiedprmail1.ietf.org with smtp...

MTD YARD MACHINES 46

MTD YARD MACHINES 46" CUT RIDING MOWER DECK BELT INSTALLATION / REPLACEMENT

MTD 13AN771H729 (2007) Deck Assembly 46 Inch Parts Diagram. SWIPE SWIPE. .Quick Reference 771H. Deck Assembly 46 Inch. Drive. Engine Accessories.

MTD 754-0349 954-0349 Lawn Mower Drive Deck V Belt ...

MTD 754-0349 954-0349 Lawn Mower Drive Deck V Belt ...

MTD 13RL771H029 (2008) Deck 46 Inch Parts Diagram. SWIPE SWIPE. .Quick Reference 771H029 229. B&S Model 28 & Tec 135 Low Muffler. Deck 46 Inch. Drive System. Hood & Control Assembly 771.

MTD 46

MTD 46" to 54" Deck Parts (3 Blades) | Lawnmower Pros

Belt diagram for 46 mtd yard machine riding mower belt diagram for 46 mtd. 46 deck belt pulley routing riding mower replace your lawn tractor deck belt mtd yard machines 46 cut riding mower deck belt if you don't have the model number, i just found a diagram for mine by google, by typing in mtd 46 inch deck diagram it took me to a parts tree.

MTD Yard machines deck belt issue | My Tractor Forum

MTD Yard machines deck belt issue | My Tractor Forum

About Deck Bilt Diagram 42 Inch Belt Troy . Parts diagrams and manuals available. New troy bilt 46 deckdrive belt for riding lawn mowers oem 754 0349 brand new troy bilt. New (never used), New never used 42 inch deck drive belt for a Troy-bilt lawn mower.

Repair Tip

Repair Tip "Mower belt diagrams" - Fixya

Cops reportedly pulled Knight, 46, over after he was spotted making an unsafe lane change in his black Bentley. After running his name in the system, police learned Knight had several warrants out for his arrest stemming from minor traffic violations, the gossip site reported. The police then made a search and said they found a...

MTD 13AL795T057 (2010) Parts Diagram for Mower Deck 46-Inch

MTD 13AL795T057 (2010) Parts Diagram for Mower Deck 46-Inch

Mtd Inch Deck Belt Diagram Fine Photos Hidden And Larger Springs For within proportions 1217 X 800. Mtd Gold 42 Inch Deck Belt Diagram - Paint Types After you Choose the wood, Then you are going to have to Determine what type of paint to use. At first, the timber has to be quickly treated with a preservative.

Riding Mower 54-inch Deck Belt - Original Equipment Genuine Part (OEM)

Riding Mower 54-inch Deck Belt - Original Equipment Genuine Part (OEM)

MTD 13AO771H055 (2009) Mower Deck 46 Inch Exploded View parts lookup by model. Complete exploded views of all the major manufacturers. It is EASY and FREE

8TEN Deck Belt for Troy Bilt 33 inch Wide-Cut 1769767

8TEN Deck Belt for Troy Bilt 33 inch Wide-Cut 1769767

The robes have a sewn-in side seam belt, internal button closure and some have a hood with unicorn décor features such as a mane, ears and horn. The sewn-in neck label states the fiber content, washing instructions and “Made in China.” The sewn-in side seam label states the garment’s size.","The recalled robes fail to...

MTD and Huskee Mower PTO/Deck Belt Replacement

MTD and Huskee Mower PTO/Deck Belt Replacement

deck belt diagram for 46" mtd yard machine? i have a mtd yard machine with a 46" deck the belt was broken and i cant figure out the correct route for the new one do you know of a diagram you could send me. tom May 2008. Garden Tools, Lawn Mowers Deck Diagram 46.

Riding Mower 46-inch Deck Belt - Original Equipment Genuine Part (OEM)

Riding Mower 46-inch Deck Belt - Original Equipment Genuine Part (OEM)

MTD 13AL605H057 (2009) Mowing Deck 46 Inch Exploded View parts lookup by model. Complete exploded views of all the major manufacturers. It is EASY and FREE

Need diagram for drive belt on 638 RL 38 inch - Fixya

Need diagram for drive belt on 638 RL 38 inch - Fixya

Belt diagram for 46" mtd yard machine riding mower Belt diagram for 46" mtd. diagram of how to put the Blade belt on my Yardman 42' riding lawnmower I can& #39;t get my blade belt on Yeah, these belts can seem impossible to figure out.Fix your Yard Man Lawn Mower today with parts, diagrams, accessories and repair advice from eReplacement Parts!

8TEN PTO Belt for MTD LT-946G P61GG 754-04064 954-04064 46 inch

8TEN PTO Belt for MTD LT-946G P61GG 754-04064 954-04064 46 inch

Deck Assembly 46 Inch diagram and repair parts lookup for Yard-Man 13AO772H755 - Yard-Man Lawn Tractor (2007) (Walmart) The Right Parts, Shipped Fast! Order Status

Troy-Bilt 13CU609H063 20HP Lawn Tractor (2002) LT-2046 (2002 ...

Troy-Bilt 13CU609H063 20HP Lawn Tractor (2002) LT-2046 (2002 ...

jeremy fountainthemowermedic1mail and business inquires themowermedic1@gmail.comhttps://www.youtube.com/themowermedic1https://www.facebook.com/themowermed...

Yard Man Lawn Tractor | 13AU604H402 | eReplacementParts.com

Yard Man Lawn Tractor | 13AU604H402 | eReplacementParts.com

Repair Parts Home Lawn Equipment Parts MTD Parts MTD Lawn Tractor Parts MTD 13AG601H729 ... Rh Belt Cover, Deck 46" $40.37 Part Number: 17258E-0483. Backorder: No ETA ... (for 46-Inch Deck) $31.05. In Stock, 1 available Add to Cart $31.05 Add to Cart 51 Shoulder Spacer ...

mtd 46 inch deck belt diagram,www.neurosurgeondrapoorva.com

mtd 46 inch deck belt diagram,www.neurosurgeondrapoorva.com

This item: Original Equipment Deck Drive Belt for Select 46 in. Front Engine Garden Tractors OE# 954-0439 (2004 and Before) $43.99 MaxPower 2 Blade Set for Many 46 in. Cut MTD, Cub Cadet, Troy-Bilt, Craftsman Mowers Replaces OEM #'s 742-04244, 742-04290

8TEN Drive V-Belt for MTD 754-0329A 954-0329A 754-0433 954-0433 Husqvarna  578453640 38 inch Decks

8TEN Drive V-Belt for MTD 754-0329A 954-0329A 754-0433 954-0433 Husqvarna 578453640 38 inch Decks

Item: OEM-754-0349. Fits Lawn Tractors and Garden Tractors with 46 inch decks, 2009 and prior. For Troy-Bilt, MTD, Yard-Man, Huskee, Yard Machines and Bolens. Quantity. Availability: This item is currently not available. $40.14. Add to Cart. Specification.

Riding Mower 46-inch Deck Belt - Original Equipment Genuine Part (OEM)

Riding Mower 46-inch Deck Belt - Original Equipment Genuine Part (OEM)

This notice is included in its entirety at the beginning. There is no charge except to cover the costs of copying. Table of Contents Preface Author and Copyright DISCLAIMER Introduction Can you see above the weeds? SAFETY Tools and supplies Lawn Mower Basics Gas, electric, or manual? Types of lawn mowers Reel mowers Rotary... Notes on the Troubleshooting and Repair of Small Gasoline Engines and Rotary Lawn Mowers Version 2.51 (4-Apr...

MTD 142-849H205 (1992) Parts Diagram for 46

MTD 142-849H205 (1992) Parts Diagram for 46" Mowing Deck

(2013년08월31일 22:09:46초) azart48 расписной покер онлайн и игры на деньги в игровые автоматы бесплатно вулкан. (2013년09월04일 18:20:54초) roulette16 обзор русскоязычных казино еще игровые автоматы вулкан иска. (2013년09월10일 02:38:29초) blackjack7 игровые автоматы на...

MTD 954-04122 46-Inch Deck Drive Belt for Riding Mower/Tractors, 1/2-Inch  by 90 1/4-Inch

MTD 954-04122 46-Inch Deck Drive Belt for Riding Mower/Tractors, 1/2-Inch by 90 1/4-Inch

When the deck belt shredded on a 1998 MTD 38" riding mower, It would be two hours before mowing resumed. This is a surprisingly difficult replacement, so we ...

MTD Genuine Parts 46-Inch Deck Drive Belt for Tractors 1999-2004

MTD Genuine Parts 46-Inch Deck Drive Belt for Tractors 1999-2004

MTD Parts offers a wide selection of belts designed for all your outdoor power equipment needs. Whether you're looking for drive belts for your snow blower or deck belts for your riding lawn mower, you'll find them here. Our Part Finder makes it easy to find the parts you need.

Yard Machine 46 Deck Belt | Online www.enkil.org

Yard Machine 46 Deck Belt | Online www.enkil.org

1. Take a picture of the pulley configuration before removing the old belt. The above belt diagram for an MTD riding mower is only for a 46" deck belt, if you have a different belt, you may want a different frame of reference. The personalized photo can also help you apply these tips to your particular machine. 2.

Sunbelt L-75404219 46-in Deck Belt for Riding Mower/Tractors (1/2-in W x  103.25-in L)

Sunbelt L-75404219 46-in Deck Belt for Riding Mower/Tractors (1/2-in W x 103.25-in L)

Wed, 28 Feb 2007 21:46:50 -0800 Date: Wed, 28 Feb 2007 21:46:50 -0800 From: "Customer" Message-ID: <****.****.**.***@**.***> To: ***@****.*** Subject: Customer Notice X-Spam-Score: 4.8 (++++) X-Scan-Signature: 798b2e660f1819ae38035ac1d8d5e3ab Viagra� & Cialis� Joint Corporate Reminder of Re-Order. Thank you for using our...

MTD 954-0642 Deck Drive Belt for 54 inch cutting decks

MTD 954-0642 Deck Drive Belt for 54 inch cutting decks

Riding Mower 46-inch Deck Belt. Item: 954-0349. Fits Lawn Tractors and Garden Tractors with 46 inch decks, 2009 and prior. For Troy-Bilt, MTD, Yard-Man, Huskee, Yard Machines and Bolens. Quantity.

MTD 13AX775H730 (2007) Deck Assembly 46 Inch

MTD 13AX775H730 (2007) Deck Assembly 46 Inch

홈 > 게시판 > 자유게시판 제 목 바라는 마음은 노력을 통해서 바뀔수 있습니다. 작성자 윤태수 작성일 2012-04-18 파 일 news_board_attach_ytspaul_1027.hwp * 사람이 바라는 마음(긍정,희망,행복 등)은 노력을 통해서 변할수 있습니다. 1. 바라는 마음은 사람들의 교류(타자를 통해서)를 통해서 잘 알수 있습니다. 대개 편안하게 대화할 수 있는 대상이 친구이지요. 어떤 친구는 또 보고... 태극

MTD Replacement Lawn Mower Deck Belt, 954-04060C

MTD Replacement Lawn Mower Deck Belt, 954-04060C

MTD 13AX615H730 (2007) Deck Assembly 46 Inch Exploded View parts lookup by model. Complete exploded views of all the major manufacturers. It is EASY and FREE

8TEN Deck Belt for MTD Cub Cadet LT2000 754-04219 954-04219 46 inch  810-CBL2345T

8TEN Deck Belt for MTD Cub Cadet LT2000 754-04219 954-04219 46 inch 810-CBL2345T

A blog covering security and security technology.Schneier on Security Blog Newsletter Books Essays News Talks Academic About Me Search Powered by DuckDuckGo Blog Essays Whole site Subscribe Home Blog Announcing: Movie-Plot Threat Contest NOTE: If you have a blog, please spread the word. For a while now, I have been writing about our penchant...

46 Mtd Mower Deck | Online www.cremascota.com

46 Mtd Mower Deck | Online www.cremascota.com

Gene Keady position [[quarterback]] Tony Bennett (basketball) overallrecord – Gary Gaines overallrecord 21 30 0 William Heffelfinger overallrecord 5 9 1 Guy Morriss title head coach Pat Jones (American football) position [[linebacker]] Erk Russell overallrecord – Kevin R. Wilson position [[linebacker]] Brian O'Connor...

Amazon.com : MTD Genuine Parts 46-Inch Deck Drive Belt for ...

Amazon.com : MTD Genuine Parts 46-Inch Deck Drive Belt for ...

Or browse through our thousands of MTD parts here: Matches 1-50 of 1000 shown. MTD-CUBCADET-TROYBILT Part number 000 TEST PART This item is part of the superseding sequence TEST > 000 wt=2 MTD-CUBCADET-TROYBILT Part number 00001 WHEEL-4.80/4.00 wt=6.4 MTD-CUBCADET-TROYBILT Part number 00002406 FITTING-NIPPLE wt=1.5 MTD-CUBCADET-TROYBILT Part number 00002528 SCREW-HEX CAP 3/8 wt=.07

Riding Mower 42-inch Deck Belt - Original Equipment Genuine Part (OEM)

Riding Mower 42-inch Deck Belt - Original Equipment Genuine Part (OEM)

https://amzn.to/2JUtCvE - MTD REPLACEMENT PTO/DECK BELT (954-0486A 754-0486 954-0486 754-0486A 67-Inch by-5/8-inch)Buy me a coffee? - https://www.paypal.com...

MTD 46

MTD 46", 50", & 54" Deck - 3 Blades | Small Engine Equipment ...

The above belt diagram for an MTD riding mower is only for a 46" deck belt, if you have a different belt, you may want a different frame of reference. The personalized photo can also help you apply these tips to your particular machine. 2. Loosen the idler pulley rods to remove the old belt, and inspect the new belt for installation.

Huskee Supreme Slt 4600 Deck Belt | Shop www.mariamontes.net

Huskee Supreme Slt 4600 Deck Belt | Shop www.mariamontes.net

name K-sma subject 한국뷰티고등학교 발건강관리 자격검정입니다. 한국뷰티고등학교 em0jes 10-08-24 http://www.eprixy.com/ Tramadol sjzht http://www.controlaxiety.com/ buy valium from europe online %[[ http://www.dietgenus.com/ phentermine shortage 3553 http://www.levitra-meds.net/ compare levitra and...

Riding Mower 46-inch Deck Belt - 954-04219 | Troy-Bilt US

Riding Mower 46-inch Deck Belt - 954-04219 | Troy-Bilt US

Troy Bilt 46 Inch Riding Mower Belt Diagram - Wiring Site ...

Troy Bilt 46 Inch Riding Mower Belt Diagram - Wiring Site ...

MTD Genuine Factory Parts Original Equipment Deck Drive Belt for Select 46  in. Front Engine Riding Lawn Mowers OE# 954-0486-490-501-M050 - The Home ...

MTD Genuine Factory Parts Original Equipment Deck Drive Belt for Select 46 in. Front Engine Riding Lawn Mowers OE# 954-0486-490-501-M050 - The Home ...

MTD Genuine Parts Drive Belt - 46-Inch Tractors 2009 and Prior

MTD Genuine Parts Drive Belt - 46-Inch Tractors 2009 and Prior

MTD decks by crigby

MTD decks by crigby

MTD Canada 13AX601H504 (2007) 46-Inch Deck Assy | Arn's ...

MTD Canada 13AX601H504 (2007) 46-Inch Deck Assy | Arn's ...

0 Response to "38 mtd 46 inch deck belt diagram"

Post a Comment

Iklan Atas Artikel

Iklan Tengah Artikel 1

Iklan Tengah Artikel 2

Iklan Bawah Artikel