Iklan 300x250

40 craftsman ys4500 drive belt diagram

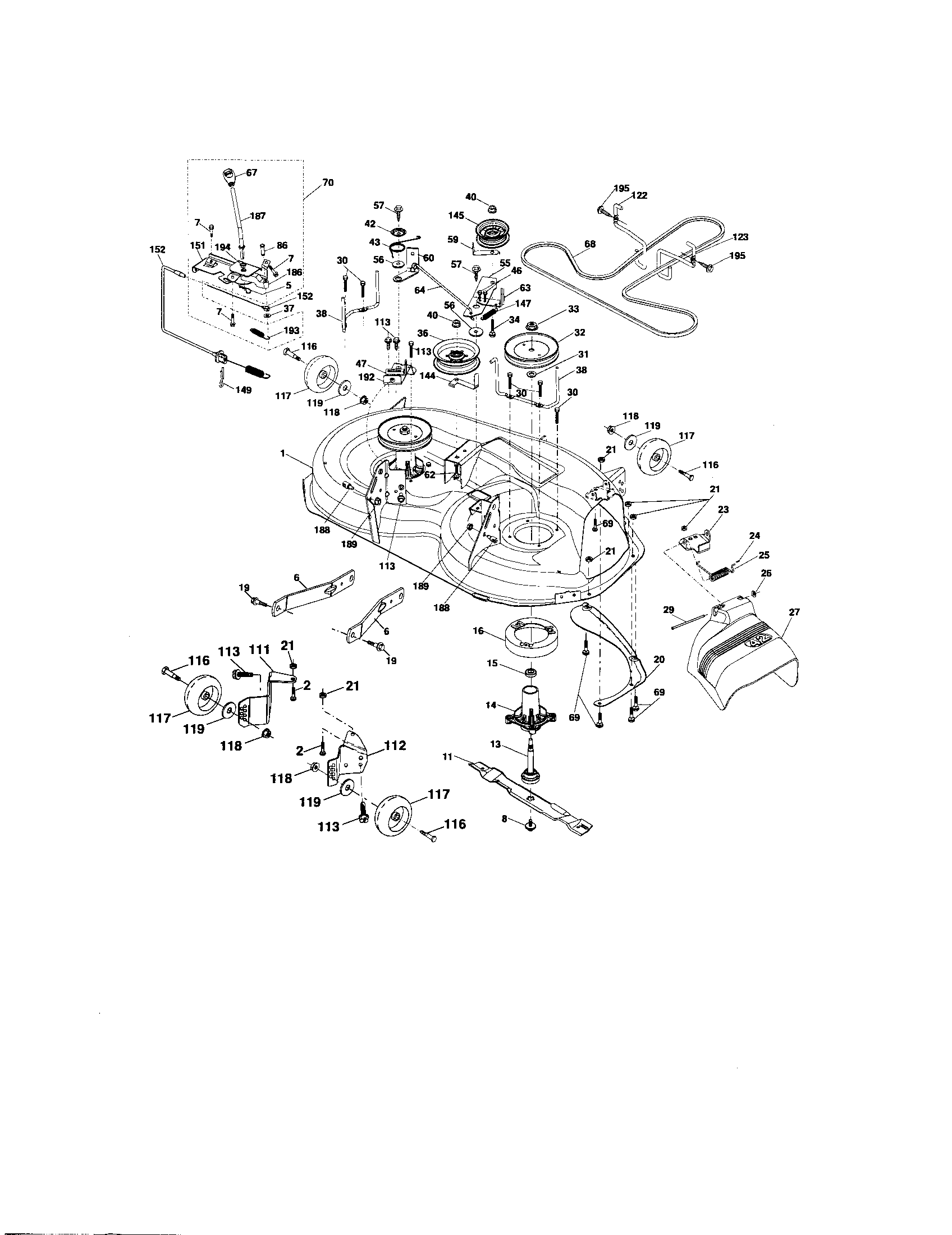
Craftsman Lawn Mower Model 917.276641 Parts. Craftsman Lawn Mower Model 917.276641 Parts are easily labeled on this page to help you find the correct component for your repair. Filter results by category, title and symptom. You can also view diagrams and manuals, review common problems that may help answer your questions, watch related videos, read insightful articles or use our repair help ... Lawn tractor ground drive or blade drive belt, 1/2 x 92-2/5-in. Part #130969. Get free shipping with Automatic Reorder. $ 25.99. In Stock. Qty. Add to cart. #7. Wheels and tires Diagram.

Craftsman repair parts and parts diagrams for Craftsman LT1000 (LT 1000-14) - Craftsman Lawn Tractor (1991-03) Order Status Customer Support 512-288-4355 My Account Login to your PartsTree.com to view your saved list of equipment. More ›. 240 People Used. More Info ››.

Craftsman ys4500 drive belt diagram

Craftsman ys4500 drive belt diagram

SOURCE: need diagram for drive belt on a craftsmen ys. Get your model # from under the seat (should start with 917) and go to this site.. SAVE money The instructions for replacing the drive belt are located in the owner's manual. Parts Diagrams (12) Your tractor most likely uses an Operator Presence (seat) switch that will cause engine to stall if blades are engaged or the brake is Craftsman tractor mower # My dog chewed the wires under the right tire. Craftsman as of this year no longer makes belt drive CVTs, everything is hydrostatic or straight stop and shift gear drive. MTD makes nearly everything with belt drive CVTs, or shift on the go transmissions. They are suprisingly long lasting, but, if you do ever need to replace that CVT drive belt it will be expensive.

Craftsman ys4500 drive belt diagram. Since the drive belt on your Craftsman DYS 4500 riding mower is subjected to abrasion from flying grit and debris, you need to fit a replacement from time to time before the belt snaps. Save unexpected down-time by inspecting the belt regularly for signs of wear. Look for frayed edges, signs of burning, and cracks on the inner "vee" section ... The drive belt drives the rear axle and tires. It runs from the front pulley to a pulley located over the rear axle. You do not have to remove the deck. Put the belt on the front pulley and run it above the mower deck, through the belt tensioners, and back to the rear axle. To access the rear pulley, remove the battery and the battery holder so ... Craftsman Hydrostatic Transmission Diagram Murray Lawn Mower Drive Belt Diagram Tyres2c. Craftsman Hydrostatic Transmission Diagram Craftsman 917204140 User Manual Zero Turn Riding Mower Manuals And. Craftsman Hydrostatic Transmission Diagram Craftsman T210 Turn Tight 18 Hp Hydrostatic 42 In Riding Lawn Mower. Craftsman Lawn & Garden Tractors parts with OEM Craftsman parts diagrams to find Craftsman Lawn & Garden Tractors repair parts quickly and easily Order Status Customer Support 512-288-4355 My Account Login to your PartsTree.com to view your saved list of equipment.

Get shopping advice from experts, friends and the community! Hi. I have a Craftsman YS4500 lawn tractor, model 917.288360. The tractor only drives slowly (front and back) though it will sometimes pick up a bit of speed, but then slow down. The speed is very variable, but is extremely slow. I tried purging the air in the transmission (a few times) but no joy. Craftsman ys 4500 parts diagram. Questions answers. Myrtle wilson ys4500 should be a model 917276600. Occasionally we might need to slightly customize style color or even accessories. Wiring diagram database craftsman ys 4500 belt diagram craftsman ys 4500 parts manual free wiring diagram for you. Variety of craftsman ys4500 drive belt diagram circuitry representation. A electrical wiring design is actually a efficient conventional photo portrayal of an electric circuit. It presents the components of the circuit as sleek types, as well as also the power along with signal hyperlinks in between the gadgets. Craftsman mower deck replacement inch parts list diagram sears belt. Craftsman ys 4500 parts manual 4500 parts manual page 2 3 craftsman. Craftsman ys4500 parts house online interior ideas craftsman riding mower wont start ys4500 parts steering. How do yo tighten the motion drive belt on craftsman lt2000 6 speed.

Craftsman 917.252521 - Parts Lookup and OEM Diagrams top www.partstree.com. Craftsman repair parts and parts diagrams for Craftsman 917.252521 - Craftsman Lawn Tractor Order Status Customer Support 512-288-4355 My Account Login to your PartsTree.com to view your saved list of equipment. In this video We show you how to replace a Craftsman Drive belt! Most mowers work about the same way, so you can watch this to learn in preparation for prett... Craftsman YS4500 917287220 front-engine lawn tractor parts - manufacturer-approved parts for a proper fit every time! We also have installation guides, diagrams and manuals to help you along the way! I have a craftsman YS4500 (917.27660) tractor and have been having some drive problems recently. Last year the main drive belt started slipping so I replaced it with a new one. It fixed the problem for a while but then I noticed the tractor laboring up hills with (what I think is) the transmission making a kind of whirring churning sound - whir ...

Craftsman Dys Belt Diagram ideas for your inspiration. spark plug and wiring diagram for a 12 volt ford workmaster, Belt Diagram, uploaded. Find best value and selection for your Craftsman DYS. When making some major adjustments on a tractor I know how useful it can be to have a wiring diagram of the appliance to make the project much easier.

My Craftsman 42" Lawn Tractor (Model # 917.203901) will not move forward or backward, and the Drive Belt is fine. I have found that the Transaxle Variation Belt has shredded and come off in pieces. My novice understanding is that this belt is turned by the transaxle to set the speed/gear commanded by the foot pedal.

1/2" lower than the rear tip. • Hold adjustment nut in position with. wrench and tighten jam nut securely against adjustment nut. TO REPLACE MOWER DRIVE BELT.

This video shows the ground drive belt for a Craftsman lawn tractor in action. The tractor is a YS4500, model: 917.276680.The belt is: https://www.amazon.co...

Sears Craftsman DYS4500, DYS 4500, YS4500, YS 4500 46" Lawn Tractor Mower Deck Parts Rebuild Kit Includes (2) Spindle Assemblies 532187292, (2) 23" Blades 532405380, (1) Idler Pulley 532197379, (1) Idler Pulley 532193197, (1) Deck Belt 532405143

How to tighten a drive belt on a Craftsman riding lawnmower, step by step: Step 1: Test the tension in your existing lawnmower drive belt. Step 2: Inspect the components on the mower such as the pulleys, belt, spring, and swingarm and check for any damage. Step 3: Pull back the clamp holding the cable and tighten it so that the spring attached ...

I need a mower belt diagram for a craftsman dys4500 model(###) ###-####the one in the manual does not look like mine does. I have the deck off and pictures I can send . how much will this cost to get a diagram so I can get the belt back on . I can send pictures .. I just need to know how if goes

Get shopping advice from experts, friends and the community! Craftsman YS 4500 Limited Edition tractor will not move forward or backwards. Tractor operated a little sluggish last fall on soft ground and slight grades. Had to move lever back and forth to get it to move at all. Moved at a very slow rate. Have checked the transaxle drive belt tension and it seems to be good.

graphics of belt routing on decks of EOP riding mowers ... instructions for replacing the deck v-belt (or deck drive belt) on Craftsman lawn mowers.

Buy Lumix GC Deck Belt For Craftsman YT3000 YT4000 YS4500 Husqvarna YTA18542 Tractors 42": Belts - Amazon.com FREE DELIVERY possible on eligible purchases

idler pulleys (S). MOWER DRIVE BELT INSTALLATION. 1. Install belt around both mandrel pulleys. (R)and around idler pulleys (S)as shown. 2. Install belt onto electric clutch pulley (M). iMPORTANT: Check belt for proper rout-. ing in all mower pulley grooves.

diagram for drive belt on a 2006 craftsman lawnmower ys4500 model #917* 276600 - Craftsman Garden question.

Wellsking 429636 Mower Deck Drive Belt 1/2"X101" Replace for Craftsman Poulan 532429636 197253 532197253 YS4500 T2200 DLS 3500 YTS 3000 YT3000 YTH 2242 YTA18542 YTH2042 42 Inch 954-05021 754-05021. 4.0 out of 5 stars. 52.

Craftsman Lawn Mower Model 917.276630 Parts. Craftsman Lawn Mower Model 917.276630 Parts are easily labeled on this page to help you find the correct component for your repair. Filter results by category, title and symptom. You can also view diagrams and manuals, review common problems that may help answer your questions, watch related videos, read insightful articles or use our repair help ...

Craftsman Ys 4500 Wiring Diagram. Craftsman ys Pdf User Manuals. View online or download Craftsman ys Operator's Manual. Myrtle Wilson, YS should be a Model Download the service manual from here. Hope this helps, good luck. The wires from the starter have been chewed off by the neighborhood dog.

Craftsman as of this year no longer makes belt drive CVTs, everything is hydrostatic or straight stop and shift gear drive. MTD makes nearly everything with belt drive CVTs, or shift on the go transmissions. They are suprisingly long lasting, but, if you do ever need to replace that CVT drive belt it will be expensive.

SAVE money The instructions for replacing the drive belt are located in the owner's manual. Parts Diagrams (12) Your tractor most likely uses an Operator Presence (seat) switch that will cause engine to stall if blades are engaged or the brake is Craftsman tractor mower # My dog chewed the wires under the right tire.

SOURCE: need diagram for drive belt on a craftsmen ys. Get your model # from under the seat (should start with 917) and go to this site..

0 Response to "40 craftsman ys4500 drive belt diagram"

Post a Comment

Iklan Atas Artikel

Iklan Tengah Artikel 1

Iklan Tengah Artikel 2

Iklan Bawah Artikel