Iklan 300x250

37 bmw e30 radio wiring diagram

I am in the process of installing an aftermarket radio in an E30 and need a wiring diagram specifically for the radio. Bentley doesn't cover the radio (at least I haven't found it in section 14 or 15). There must be an old post out there with a link to a diagram, cripes the car is over 20 years old. thanks... Here is the stereo radio wiring information for your 1988 BMW 325ix E30 with the standard or amplified systems. It will be useful when installing an aftermarket radio, sound stereo system, or other automotive accessories. Make sure to grab the appropriate tools to test all the wires in your 325i E30.

So that means there are FOUR DIFFERENT SETS OF RADIO/AMP WIRING IN E30s. I have all four wiring diagrams included below: Cars with the BMW Sound System. 2 Channel Radio with BMW Sound System (with the fader knob, up to early 88) 4 Channel Radio with BMW Sound System (starting late 88) Cars with Radio Only.

Bmw e30 radio wiring diagram

Bmw e30 radio wiring diagram

Including: 1961 dodge lancer wiring diagram, 1961 dodge light duty pickup wiring diagram, 1962 dodge 880 wiring diagram, 1962 dodge v8 engine dart and polara 500 wiring diagram, 1965 dodge coronet wiring diagram 1, 1965 dodge coronet wiring diagram 2, 1965 dodge polara 880 or monacco front side wiring diagram, 1965 Test drive Used Dodge Grand Caravan at home … 1996 bmw e36 radio wiring wiring diagram show. e30 radio wiring wiring diagram expert A set of wiring diagrams may be required by the electrical inspection authority to accept connection of the habitat to the public electrical supply system. Radio Wiring Mess Bimmerfest Bmw Forum Bmw E30 Radio Wiring Diagram from live.staticflickr . Print the wiring diagram off plus use highlighters to trace the signal. When you make use of your finger or perhaps the actual circuit with your eyes, it is easy to mistrace the circuit. 1 trick that We 2 to printing a similar wiring plan off twice. ...

Bmw e30 radio wiring diagram. My lastest project is I'm trying to wire up a new stereo into my new (old) 1987 325i E30 (Premium Sound, with the fader in the dash and the amp in the trunk) Guess what? IT'S SUPER NOT EASY! I'm wiring in a Alpine CDE-100 headunit, I'm keeping the stock speakers for now. I can't use a wiring harness as they don't exist for that old car. Bmw Vdo Plug Amp Play Radio Harness Race German. Details About Bmw E30 Dashboard Cable Wiring Harness New Genuine Nla 61111394183. Stock Radio Cluster F General Technical Wi Bimmers. Car Amplifier Connection Diagram In 2021 Sony Car Stereo. Stock Radio Cluster F General Technical Wi Bimmers. 1999 Chevy Silverado Stereo Wiring Diagram Ditdottudit. Nov 08, 2019 · This picture shows you the original wiring diagram from BMW E60 E61 radio module M-ASK and CCC. This is a limited version of the iDrive computer with a small 6. If there is sound but your blue tooth or satellite tuner is not working "if your car is equipped with blue tooth or satellite Tuner" then you also need to have it Mar 09, 2018 · Here's the etm for your car, see … Bmw Z3 Radio Wiring Database. Repairing electrical wiring, a lot more than any other household project is about protection. Install an outlet correctly and it's as safe as that can be; do the installation improperly and it can potentially deadly. That's why there are numerous guidelines surrounding electrical cabling and installations.

E30 (1983 to 1992 3 Series) Wiring Diagrams. 1983 e30_83.pdf (10867285 bytes) e30_83.zip (7171106 bytes) ; 1984 e30_84.pdf (16982190 bytes) e30_84.zip (12197014 bytes) ; 1985 e30_85.pdf (29597440 bytes) e30_85.zip (18747897 bytes) ; 1986 e30_86.pdf (21962051 bytes) e30_86.zip (13584018 bytes) ; 1987 e30_87.pdf (20065810 bytes) e30_87.zip (14139296 bytes) ; 1988 e30_88.pdf (21603218 bytes) e30 ... Y: BMW Headlight Low/High beam Malfunction Explained. Nov 11, 2014 · 55-Headlight Range -- Status: Malfunction 0010 56-Radio -- Status: OK 0000 telling me to check my right headlight low beam light. Unless blinding everyone else on the road with your hi-beams simply because one or both of your low beam lights are malfunctioning is your thing ... 2JZGTE Non-VVTi Wiring Harness for BMW E30 - PRO SERIES. USD $1,024.00. Choose Options. Quick view. Honda K-Series Swap Wiring Harness for RWD BMW E30 - PRO SERIES. USD $974.00. Choose Options. Quick view. LS3 Gen IV 58x DBW Wiring Harness for BMW E30 - PRO SERIES. USD $934.00. Choose Options ... There is no power to the factory connection for the radio or the dome lights, would a wiring diagram for a U.S. spec car be close enough to point me in the right direction? As far as what model car it is there is a generic tire size placard that says 316i, 318i 323i so who knows.

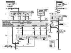
From the BMW diagram, it appears that the BMW white wire is connected to Line 16, which says Remote Turn On. So, maybe it should be connected to the Pioneer wire labeled "SYSTEM REMOTE CONTROL". SO, maybe the BMW Harness gray-white wire is the wire for powering the stock amp? If so, which Pioneer or BMW wire should be connected to it? July 24, 2014 Bmw E30 Wiring Harness Images. Repairing electrical wiring, a lot more than any other household project is about protection. Install an outlet correctly and it's as safe as that can be; do the installation improperly and it can potentially deadly. That's why there are numerous guidelines surrounding electrical cabling and installations. The E30 radio doesn't have the conventional 4-channel speaker outputs, instead somewhat oddly opting for only L & R outputs from the radio, to the fader which splits those two inputs into 4 positive-only (+) outputs to the booster amp, with the whole system using the chassis as a common ground. bmw service documentation & wiring diagram Workshop manual BMW 1990-2008 (TIS ETK WDS ETM100) Replacing the battery in the key BMW E60, E90, E70, E87, E92, E63, E71

BMW e30 aftermarket deck/stereo swap DIY - YouTube

BMW e30 aftermarket deck/stereo swap DIY - YouTube

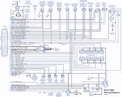
BMW - electrical systems - WIRING DIAGRAM Models covered: • 3-Series (E30) 316 (83 to 88), 316i (88 to 91), 318i (83 to 91), 320i (87 to 91), 325i (87 to 91).Also Touring and Convertible versions of these models • 5-Series (E28) 518 (81 to 85), 518i (85 to 88), 525i (81 to 88), 528i (81 to 88), 535i (85 to 88), M535i (85 to 88) • 5-Series (E34) 518i (90 to 91), 520i (88 to 91), 525i (88 ...

12 003 ISO Radio Adapter for BMW Compact E30 E36 E46 E34 E39 Wire Wiring Harness Connector Lead Loom Cable Plug Adaptor Stereo|cable tap|cable ampadaptor coupling - AliExpress

12 003 ISO Radio Adapter for BMW Compact E30 E36 E46 E34 E39 Wire Wiring Harness Connector Lead Loom Cable Plug Adaptor Stereo|cable tap|cable ampadaptor coupling - AliExpress

e30 1991 325iC Premium Stereo Wiring Diagram. RADIO to AMP. Wire Function. Wire Color. Accessory 12 Volt. VT/GY.

BMW Factory Radio Wiring Installation Kit – Cantaloupe Radio

BMW Factory Radio Wiring Installation Kit – Cantaloupe Radio

E30 M50 Wiring Diagram. Minimum number of wires for m50 swap to run r3vlimited forums 52 s50 harness diagram simplified engine wiring color code m52 singe vanos e46 bmw work manuals 3 series e36 325i conver 2 repair instructions 61 general electrical system 11 ra replacing section c101 and x20 wire e30 adapter help m5x looms zone wiki sheet 205 ...

Youan: Bmw E30 M40 Wiring Diagram

Youan: Bmw E30 M40 Wiring Diagram

29.11.2021 · E31, E34, E36 BMW RESET 33046938-Bmw-e46-Instrument-Cluster-Sia-Reset-ภบหางดง BMW 500-series E39 96 - 03 Electronics wiring diagram Bmw Dme Dde Diagnostic Fault Codes Cs1000 Manual Aug 02, 2016 · BMW F01 F02 service reset procedure. Procedure: A BMW dealer or qualified independent BMW service facility using these diagnostic …

Bmw E36 Stereo Wiring Diagram - POWEROF-5

Bmw E36 Stereo Wiring Diagram - POWEROF-5

This video demonstrates the BMW 3 Series Complete Wiring Diagrams and details of the wiring harness. Diagrams for the following systems are included : Rad...

Youan: Bmw E30 M20 Engine Wiring Diagram

Youan: Bmw E30 M20 Engine Wiring Diagram

Every BMW stereo wiring diagram contains information from other BMW owners. If you want to install a car stereo and save time, you'll love our BMW stereo wire guide. BMW Stereo Wiring Diagrams; 1999 BMW 318i 1998 BMW 318i 1997 BMW 318i 1996 BMW 318i 1995 BMW 318i 1995 BMW 318is 1994 BMW 318i 1994 BMW 318is

Bmw e46 engine diagram pdf #4 | Electrical wiring diagram, Bmw e46, Bmw e36

Bmw e46 engine diagram pdf #4 | Electrical wiring diagram, Bmw e46, Bmw e36

Bmw E30 Fuel Pump Wiring Diagram - wiring diagram is a simplified enjoyable pictorial representation of an electrical circuit. It shows the components of the circuit as simplified shapes, and the facility and signal associates together with the devices. A wiring diagram usually gives assistance virtually the relative position and contract of ...

Bmw z4 radio wiring diagram #6 | Bmw z4, Bmw, Bmw e46

Bmw z4 radio wiring diagram #6 | Bmw z4, Bmw, Bmw e46

29.11.2021 · Eonon Wiring Diagram - eonon d2208 wiring diagram, eonon d5150 wiring diagram, eonon dvd player wiring diagram, Every electric arrangement consists of various different components. com DA: 23 PA: 44 MOZ Rank: 76. The AGAMA Car Launcher is intended for use in dashboard units and audio systems working on the Android operating system, as …

Bmw E30 Obc Wiring Diagram - Wiring Diagram

Bmw E30 Obc Wiring Diagram - Wiring Diagram

Bmw E30 Radio Wiring Diagram from live.staticflickr.com. Print the wiring diagram off plus use highlighters to trace the signal. When you make use of your finger or perhaps the actual circuit with your eyes, it is easy to mistrace the circuit. 1 trick that We 2 to printing a similar wiring plan off twice.

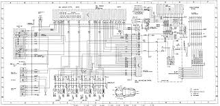
Circuit and Wiring Diagram: 1992 BMW E30 318ic Wiring Diagram

Circuit and Wiring Diagram: 1992 BMW E30 318ic Wiring Diagram

31.01.2013 · E38.org is the source for sharing knowledge and information about enjoying, caring for, maintaining, repairing and owning the BMW e23, e32 and e38 7-series automobiles.

Bmw E30 Wiring Images - Wiring Diagram Sample

Bmw E30 Wiring Images - Wiring Diagram Sample

Apr 22, 2021 - Bmw E30 Engine Wiring Diagram and E Engine Wiring Diagram | Digital Resources - 17+ Bmw E30 Engine Wiring Diagram .Bmw E30 Engine Wiring Diagram and E Engine Wiring Diagram | Digital Resources - Wiringg.net

2006 BMW 325i Radio Wiring Guide - MODIFIEDLIFE

2006 BMW 325i Radio Wiring Guide - MODIFIEDLIFE

BMW E36 fuse box diagram / bmw-e36. The battery was replaced at the dealership about 2 years ago. e36 non start, immobiliser issue I think. uchijo6 · Registered. 1994 BMW E36 320i M50 engine AL55263, Single Vanos. 0 M3, BMW immobiliser, changed Nov 06, 2017 · BMW E46 3 series crank no start no fuel pressure or pump noise , relay fuses quick fix Hood Lift Supports …

Bmw, Starter Wiring Diagram Nice ..., E30 Stereo Wiring ...

Bmw, Starter Wiring Diagram Nice ..., E30 Stereo Wiring ...

Stereo Install wiring diagram. Whether your an expert BMW electronics installer or a novice BMW enthusiast with a 2003 BMW 540i a BMW car stereo wiring diagram can save yourself a lot of time. Bmw E53 Amp Wiring Diagram Standard Window Antichitagrandtour It. Please do search around this and other BMW forums for other E39s which have had audio.

Bimmerforums - The Ultimate BMW Forum

Bimmerforums - The Ultimate BMW Forum

Wiring can be a tricky matter, and the one-piece Loom fitted to your E30 won't help much. To make it easier for you, we've provided as much documentation as we can get our hands on, to help you trace your cables. Circuit. 318i. 1984.

Stock Radio CLUSTER F*** - General Technical - WI BIMMERS - Wisconsin's BMW Community

Stock Radio CLUSTER F*** - General Technical - WI BIMMERS - Wisconsin's BMW Community

BMW 3-Series Electrical Diagram 1998-2003 e46 The electric circuit of a control system of the engine of 25 l. A selection of manuals in English on the repair of electrical equipment BMW 3-series in the back of E36 1992-1999 model years. 5-Series E34 518i 90 to 91. Wiring diagrams BMW 3-5-6-7-8 series. They are actually more efficient and free ...

28 Bmw E39 Wiring Diagram Pdf - Worksheet Cloud

28 Bmw E39 Wiring Diagram Pdf - Worksheet Cloud

bmw 3 e90 electrical wiring diagrams Electrical diagrams and recommendations for the maintenance of your car. The device of BMW 3 serie cars (E90, E91 body models 318d, 320d, 320i, 325i, 330i) since 2004, equipped with gasoline engines N46 B18, N46 B20, N52 B25, N52 B30 with a volume of 1.6, 1.8, 2.0, 3.0 liters and diesel engines M47TU2 ...

Swapping Radio After Previous Owner Butchered the wiring. - E30 Zone

Swapping Radio After Previous Owner Butchered the wiring. - E30 Zone

Aug 11, 2017 · Throttle Position Sensor Wiring Diagram 1997 1998 Ford 4 6l 5 4l 1988 chevy silverado fuse box location; bmw dual temp switch wiring diagram; bmw e46 steering Oct 16, 2012 · MS 43 NEW FUNCTIONS ELECTRONIC THROTTLE SYSTEM - EML The M54 engine with MS 43 engine control uses an electronic throttle control system adopted from the ME 7. …

e30_stereo_wiring_billo

e30_stereo_wiring_billo

You most likely have a problem because you left the BMW amplifier in the circuit. The two brown wires that you are using for speaker ground are suppose to be chassis ground for the head unit. On an E30 with factory premium sound system, only one wire per speaker goes from head unit to amp. You can not wire your aftermarket head unit that way.

BMW 3 E30 EWD - Free PDF's

BMW 3 E30 EWD - Free PDF's

BMW E30 Radio Cassette E28 E24. OEM BMW E30 3 series wiring diagrams are helpful when diagnosing and troubleshooting electrical issues or wiring electrical components. You have probably seen pics with early model E30s showing an external fader knob below the center AC vents.

New Bmw E46 Pdc Wiring Diagram #diagram #diagramtemplate # ...

New Bmw E46 Pdc Wiring Diagram #diagram #diagramtemplate # ...

Bmw E30 Obc Wiring Diagram. Print the wiring diagram off plus use highlighters to trace the signal. When you make use of your finger or perhaps the actual circuit with your eyes, it is easy to mistrace the circuit. 1 trick that We 2 to printing a similar wiring plan off twice. Upon one, I'll trace the current movement, how it operates, and ...

Bmw E30 Wiring Diagram - DORMAREADI

Bmw E30 Wiring Diagram - DORMAREADI

Radio Wiring Mess Bimmerfest Bmw Forum Bmw E30 Radio Wiring Diagram from live.staticflickr . Print the wiring diagram off plus use highlighters to trace the signal. When you make use of your finger or perhaps the actual circuit with your eyes, it is easy to mistrace the circuit. 1 trick that We 2 to printing a similar wiring plan off twice. ...

Zobacz temat - [E36] Opis fabrycznej instalacji radiowej

Zobacz temat - [E36] Opis fabrycznej instalacji radiowej

1996 bmw e36 radio wiring wiring diagram show. e30 radio wiring wiring diagram expert A set of wiring diagrams may be required by the electrical inspection authority to accept connection of the habitat to the public electrical supply system.

1991 318is Radio Wiring - R3VLimited Forums

1991 318is Radio Wiring - R3VLimited Forums

Including: 1961 dodge lancer wiring diagram, 1961 dodge light duty pickup wiring diagram, 1962 dodge 880 wiring diagram, 1962 dodge v8 engine dart and polara 500 wiring diagram, 1965 dodge coronet wiring diagram 1, 1965 dodge coronet wiring diagram 2, 1965 dodge polara 880 or monacco front side wiring diagram, 1965 Test drive Used Dodge Grand Caravan at home …

New radio install for my 325is - premium sound ) - R3VLimited Forums

New radio install for my 325is - premium sound ) - R3VLimited Forums

E36 Compact Wiring Diagram - Wiring Diagram

E36 Compact Wiring Diagram - Wiring Diagram

BMW E30/E36 Radio Head Unit Installation | 3-Series (1983-1999) | Pelican Parts DIY Maitenance Article

BMW E30/E36 Radio Head Unit Installation | 3-Series (1983-1999) | Pelican Parts DIY Maitenance Article

Speaker wiring e30 91 fader no factory amp aftermarket stéréo - YouTube

Speaker wiring e30 91 fader no factory amp aftermarket stéréo - YouTube

Electrical Wiring Diagram Of 1964 Chevrolet 6 And V8 | All ...

Electrical Wiring Diagram Of 1964 Chevrolet 6 And V8 | All ...

View Ebook E30 325Ix 1991 Radio Wiring Diagrams

View Ebook E30 325Ix 1991 Radio Wiring Diagrams

Bmw G310r Wiring Diagram

Bmw G310r Wiring Diagram

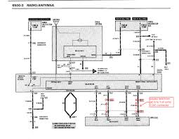
Identify diagram: 1990 BMW 325iX Electrical Troubleshooting Manual – Harness and Schematics

Identify diagram: 1990 BMW 325iX Electrical Troubleshooting Manual – Harness and Schematics

Aftermarket Stereo Install for my 2006 Honda Element part 1 – HeavyMod

Aftermarket Stereo Install for my 2006 Honda Element part 1 – HeavyMod

Bmw E30 Obc Wiring Diagram - Wiring Diagram

Bmw E30 Obc Wiring Diagram - Wiring Diagram

Bmw E39 Wiring Diagram Yirenlu Me Adorable Blurts Within At Bmw E39 Wiring Diagram | Bmw, Bmw e46, Diagram

Bmw E39 Wiring Diagram Yirenlu Me Adorable Blurts Within At Bmw E39 Wiring Diagram | Bmw, Bmw e46, Diagram

Youan: Bmw E30 325i Radio Code

Youan: Bmw E30 325i Radio Code

E30 Anti-theft Radio Code - BMW Forum - BimmerWerkz.com

E30 Anti-theft Radio Code - BMW Forum - BimmerWerkz.com

Bmw E30 Radio Wiring Diagram Pictures - Wiring Diagram Sample

Bmw E30 Radio Wiring Diagram Pictures - Wiring Diagram Sample

0 Response to "37 bmw e30 radio wiring diagram"

Post a Comment

Iklan Atas Artikel

Iklan Tengah Artikel 1

Iklan Tengah Artikel 2

Iklan Bawah Artikel