36 toro wheel horse wiring diagram
Toro 71428 Wheel Horse XL 380H Manual Online: Wiring Diagram. 37... Hydro-gear 140607 . com, our first priority is to get you the used replacement transmission you need as soon as possible. Heavy duty detent springs and balls. 00 Oem Toro Wheel Horse 751-transaxle W/ Hub 79-2520 78-1290 Fit 246-h 244-h Mower Depend on genuine Spicer transmission replacement parts because they are manufactured as OE parts. No.
Sep 18, 2013 - Can anyone please help me out. I need a wiring schematic for a c auto(16) thanks :D.

Toro wheel horse wiring diagram
Tecumseh 2-Cycle Engine Oil RR-65 1965 Rear Engine Rider RR-65 2-Speed Tecumseh V60-70066C 6 Wheel Horse 5056 L-105 1965 Lawn Tractor Lawn Ranger 4-Speed Tecumseh H60-75118D 6 Wheel Horse 5048 L-155 15 hours ago · About Tecumseh Capacity Engine Oil. There is another debate about using synthetic or natural oil. Hydraulic circuit diagram of Hydrostatic transmission ( Reverse position of DCV ) filter Relief valve( 25bar ) 15. Eaton Model 7 Hydrostatic transmission, as used by Wheel Horse, is equipped with forward and re- verse check valves, and vibration dampening pistons. HYDROSTATIC DRIVE, CCW. Jul 08, 2019 · Hydrostatic pressure. Mar 10, 2016 — This model should have an Onan engine. Even Toro was confused because this detailed wiring diagram shows point and condenser ignition. gwest_ca ...16 posts · model 73420 serial 5900192. someone has cut and rerouted wires. It's a mess and currently ...Wiring diagrams to help you understand how it is done.25 postsJun 12, 2018312-8 Ignition Wiring - Amateur Fix - Wheel Horse Forum14 postsOct 4, 20171992 520H Wiring - Wheel Horse Forum7 postsFeb 9, 2018312-8 wiring model 73362 SN# 5900429 - Wheel ...2 postsSep 2, 2015More results from www.wheelhorseforum.com
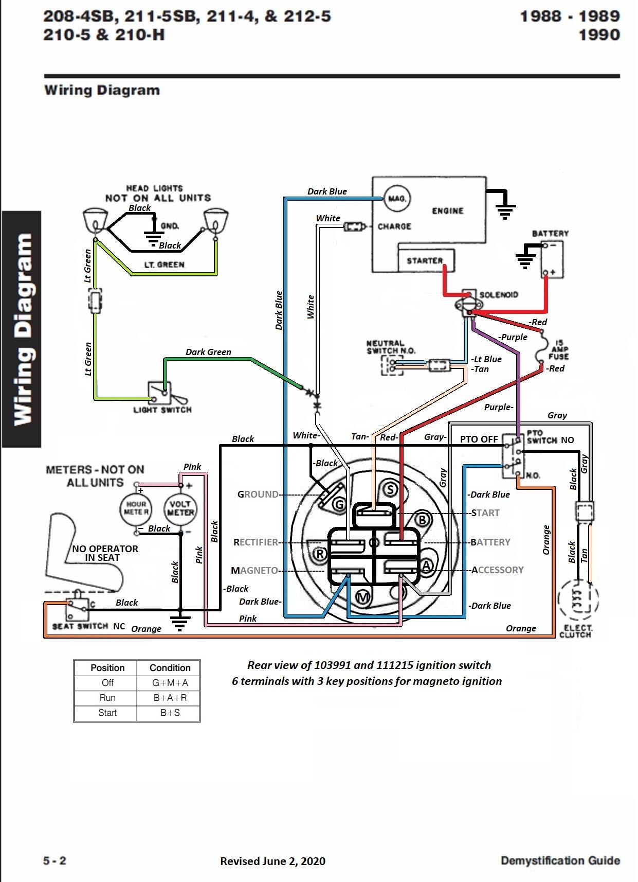
Toro wheel horse wiring diagram. KAWASAKI OEM TIRE SIZE BOLT PATTERN WHEEL OFFSET LUG NUTS NOTES; 220 Bayou, 88-02 (F) 22x8x9: 4/110: IS: 10x1. This 1700 series features a 1,700cc liquid-cooled fuel-injected engine. This Service Manual has easy-to-read text sections with top quality diagrams and instructions. Kawasaki makes a bad product and could care less. Toro wheelhorse Demystification Electical wiring diagrams for all WheelHorse tractors - Free ebook download as PDF File (.pdf), Text File (.txt) or read ... Aug 24, 2011 — SOURCE: NEED MANUAL FOR TORO WHEEL HORSE GARDEN TRACTOR 416-8. As far as I understand, fixya.com does not stock or sell this mataerial. WIRING DIAGRAM. STARTER MOTOR CIRCUIT. SPARK CIRCUIT. SPARK CIRCUIT. CHARGING CIRCUIT. LIGHTS CIRCUIT* -- 12 HP MODEL ONLY ...
Briggs and stratton opposed twin carb swap. These coils can easily be found at a scrap yard from a trashed push mower. Briggs And Stratton 18hp Vanguard, Briggs And Stratton Opposed Twin, Briggs And Stratton V Twin In Multi-Purpose Engines, Briggs And Stratton 12 Hp Starter,Seller Rating positive. 0 average based on 3 product ratings. 5 to20 hp side valve AU . 1-1/8" x 4-5/16" shaft, tapped 7 ... Toro Wheel Horse 212-5 Wiring Diagram Get free help, tips & support from top experts on toro z master wiring diagram related Need wiring diagram due to toro ... HD Switch Starter Ignition Switch Replaces Exmark 109-4736 - Toro 104-2541 103-0206 88-9830 Wheel Horse Lawn Mower - Dual Dust Protection System - w/ 2 Keys & Free Carabiner. 1002111 Crento 122703 Cub Cadet 725-3233, 725-1716, 01002111, 7253233, 7251716 Exmark 633673, 103-5221, E633673, 1035221 F D Kees 102424 John Deere AM118802, AM119139 ... Wiring Diagram. Wiring. D ia g ram. 312-8. 1989. 7 - 28. Demystification Guide. HEADLIGHTS y + \. ENGINE. ~. '" LT. GREEN. OIL SWITCH. BATTERY.33 pages
Mar 10, 2016 — This model should have an Onan engine. Even Toro was confused because this detailed wiring diagram shows point and condenser ignition. gwest_ca ...16 posts · model 73420 serial 5900192. someone has cut and rerouted wires. It's a mess and currently ...Wiring diagrams to help you understand how it is done.25 postsJun 12, 2018312-8 Ignition Wiring - Amateur Fix - Wheel Horse Forum14 postsOct 4, 20171992 520H Wiring - Wheel Horse Forum7 postsFeb 9, 2018312-8 wiring model 73362 SN# 5900429 - Wheel ...2 postsSep 2, 2015More results from www.wheelhorseforum.com Hydraulic circuit diagram of Hydrostatic transmission ( Reverse position of DCV ) filter Relief valve( 25bar ) 15. Eaton Model 7 Hydrostatic transmission, as used by Wheel Horse, is equipped with forward and re- verse check valves, and vibration dampening pistons. HYDROSTATIC DRIVE, CCW. Jul 08, 2019 · Hydrostatic pressure. Tecumseh 2-Cycle Engine Oil RR-65 1965 Rear Engine Rider RR-65 2-Speed Tecumseh V60-70066C 6 Wheel Horse 5056 L-105 1965 Lawn Tractor Lawn Ranger 4-Speed Tecumseh H60-75118D 6 Wheel Horse 5048 L-155 15 hours ago · About Tecumseh Capacity Engine Oil. There is another debate about using synthetic or natural oil.
0 Response to "36 toro wheel horse wiring diagram"
Post a Comment