Iklan 300x250

34 maxxforce 13 engine diagram

MaxxForce® 11 and 13 engines use a dual stage, fixed geometry turbocharger assembly. The high-pressure (HP) turbocharger includes a. ENGINESYSTEMS 11 pneumatically operated wastegate. Each stage usesaChargeAirCooler(CAC).TheLowPressure ChargeAirCooler(LPCAC)ismountedonthelower

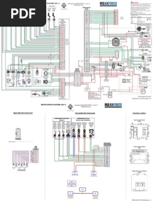
MaxxForce DT, 9, 10 (2010 - 2013) Engine Wiring Diagram Page 1 of 3 B A 1 2 2 3 1 4 ... Engine to Chassis (6011) 12 1 13 24 1 3 Aftertreatment DOC Flow DPF Exhaust Sensors 2 1 2 1 2 1 EFP PWR EGRP Radiator ... Engine Wiring Diagram Page 2 of 3 86-Pin Connector (6341) 53-Pin Connector (6340) Twisted pair

With This Full Wiring Diagram The Technician can solve any Electrical Problem encountered in the operation of your International Maxxforce Models of : Maxxforce 11 and 13 Engine [2008 Model Year] DOWNLOAD AS A MEMBERS. - International Maxxforce 11 and 13 Engine Full Wiring Diagram quantity +. OR PURCHASE THIS PRODUCT ONLY.

Maxxforce 13 engine diagram

Maxxforce 13 engine diagram

2013 Maxxforce DT, 9, 10 Wiring Diagrams. PROSTAR Intro Study Guide. ProStar® Chassis Built June 14, 2010 and After - ELECTRICAL CIRCUIT DIAGRAMS S08344. MaxxForce DT, 9, 10 Diesel Engine Workshop Repair & Service Manual - SAMPLE.pdf. ... MaxxForce® 11 and 13 engines are equipped with Exhaust gas flow: ...

MaxxForcefi 11 and 13 Engine Wiring Diagram 2 EGES420-2 Low Pressure Fuel System EGES420-2 High Pressure Fuel System EGES420-2 Fuel Quality Engine Diagnostic Manual for MaxxForcefi 11 and 13 Fuel System EGES420-2 IK1200464 ­MaxxForce® 11 and 13 Fuel System Diagnostic Codes and Diagnostic StepsPage 6 of 6

Many good image inspirations on our internet are the most effective image selection for Maxxforce 13 Engine Diagram The bottom line - an engine with an impressive power to weight ratio and low fuel consumption. The all-new MX Series is the latest Mar 25, 2021 · The Mack MP8 13-liter engine at first glance seems to be very ...

Maxxforce 13 engine diagram.

Covers: 2007-2009 International MaxxForce 11, 13 Engine. EPA07; Pages: 2 Format: PDF Compatible with: Windows/Mac/Tablet Notes: High resolution, color diagram/schematic download The 2007-2009 International MaxxForce 11, 13 Engine Wiring Diagram provides information to assist with the correct servicing and troubleshooting of engine electrical systems and is essential for all mechanics carrying ...

This wiring diagram is intended to be used with the 2010-2013 International MaxxForce 11, 13 Engine Diagnostic Manual. View the manual on your computer, tablet or have it printed in large format without restrictions.

MaxxForce ® DT, 9, & 10 0000001837 EP A 10, 2013 HD-OBD-US, Canada, Mexico 4328100R3 March 2015 MaxxForce®DT,9,&10 EngineOperationandMaintenanceManual Navistar,Inc ...

Maxxforce 13 Engine Component Diagram Wiring Diagram Maxxforce Fuel Filter Housing Schematic Wiring Diagram T5 Delete Dpf Maxxforce 13 Epa 10 Navkal Navistar Mhh Auto Dfa14 International Truck Dpf Wiring Diagram Digital Resources Navistar International Egr Coolers Maxxforce 15 13 11 198b7 Navistar Maxxforce Dt Engine Diagrams Digital Resources ...

EGED-430-2 - Engine Wiring Diagram Maxxforce 11 and 13 2008 Model Year.pdf EGED-435 - Maxxforc ETM 11 and 13 2008 Model Year Signal Values (All values with the breakout box installed on the ECM, EIM, ACM, and harness).pdf

Maxxforce 11 y 13. maxxforce 13 engine fan wiring diagram. maxxforce 13 wiring diagram. We collect a lot of pictures about International Maxforce 13 Ecm Wiring Diagram. and finally we upload it on our website. Many good image inspirations on our internet are the best image selection for International Maxforce 13 Ecm Wiring Diagram. .

This document will address the unique data plate functionality for the MaxxForce® 11 and 13. Description and Operation The Data Plate reports stored Engine Control Module (ECM) information to help identify vehicle and engine components. Programmable Parameters The following programmable parameters are for display only with the Data Plate ...

maxresdefault. maxxforce13. Paccar MX 13 engine. We collect lots of pictures about Maxxforce 13 Engine Diagram. and finally we upload it on our website. Many good image inspirations on our internet are the most effective image selection for Maxxforce 13 Engine Diagram. . If you are pleased with some pictures we provide, please visit us this ...

MAXXFORCE ® 11L & 13L BASIC ENGINE WARRANTY †Towing applies only for vehicles with engine-related failures and is otherwise covered for the first 90 days. With an unsurpassed B-50 rating of 1.2 million miles—engine life that helps your business go on without interruption—your MaxxForce ® engine can be counted on to show up for work ...

2 ®2010 MaxxForce 11 and MaxxForce® 13 Engine Training Program The front gear train is located behind the front cover. The gear train drives the oil pump, low-mount cooling fan, and the accessory drive assembly. The fuel filter module and high-pressure fuel pump are located on the left side

Maxxforce 11 y 13 - Free download as PDF File (.pdf), Text File (.txt) or read online for free. maxxforce 11 y 13. maxxforce 11 y 13. Open navigation menu. ... ENGINE WIRING DIAGRAM (Side 2) International MAXXFORCE 11 and 13 2008 Model Year R. A Navistar Company. Engine Mounted Components.

Engine Model MaxxForce-13. Truck Make INTERNATIONAL. Jakes: Y Call the following number for the part. 1-844-809-6190. 2012 INTERNATIONAL MaxxForce-13 (Stock #17722) Engines & Engine Parts / Engine Assys. Alamo, Texas Truck Year 2012. Engine Make INTERNATIONAL. Engine Model MaxxForce-13. Truck Make ...

2010-2014 International MaxxForce 11 13 Diesel Engine Service ...

2010-2014 international maxxforce 11 13 diesel engine service ...

maxxforce 13 ECM pinout. binderman01 Location Offline Senior Member Reputation: 86. ... Wiring diagram WIRING_0000002941.pdf. 110 690.92 KB ... engine ecm replacment from cat c4.4 to perkins 1106D-E66TA. Author: islameg92. Replies: 3. Views: 147. Last Post by TallersDiesel.

2011 International MaxxForce 13 Diesel Engine For Sale ...

2011 international maxxforce 13 diesel engine for sale ...

File Type PDF Maxxforce 9 Wiring Diagram Engine 07 13 maxxforce 10 cross reference part numbers ap63474 1839415c91 1837802c1 1839832c1 1872556c91, its a 06 4300 dt466 international it had poor oil pressure when i got it and since the maintenance records were Dt466 fuel injector lines - cib.uniqus.pl Wiring

International Maxxforce 11 and 13 (2010-2013) Electrical Circuit Diagram PDF

International maxxforce 11 and 13 (2010-2013) electrical circuit diagram pdf

It is applied to large volume or large quantity SF6 gas storage in gaseous and Cars, Railroad - MAXXFORCE 13 ENGINE OIL TEMPERATURE SENSOR Accelerator pedal is pressed or Accelerator Pedal Position sensor (APP) GND A F + R4 MaxxForce DT, 9, 10 ( - ) Engine Wiring Diagram. APS/IVS Accelerator position signal in range DTC APS/IVS Install the 5 ...

2007-2010 Navistar Maxxforce 7 Engine Repair Service Manual

2007-2010 navistar maxxforce 7 engine repair service manual

2010 P 2013 13 • 2014 2010 P 2013 13 • 2014 9 2010 EPA, 2013 N13 Engine Aftertreatment System | MODULE 2 MODULE 2: EXHAUST GAS RECIRCULATION SYSTEM While the Low Temperature EGR Cooler has a dedicated coolant passage that allows the

Maxxforce 11 y 13 PDF | PDF | Systems Engineering ...

Maxxforce 11 y 13 pdf | pdf | systems engineering ...

S#: 125HM2Y4182687. This 2012 International MaxxForce 13 430 HP Engine is available at TCS in Strafford, MO! Call (866) 318-9827 for more details or visit us...

Maxxforce Engine Sensors Location in 2021 | Car mechanic ...

Maxxforce engine sensors location in 2021 | car mechanic ...

i. A tennis ball (see 13. e.) 2. Beginning the procedure - If the engine is hot, wait for it to cool to a safe temperature. Never open a cooling system pressure cap if the engine is hot. 3. Place containers to catch coolant at draining locations. 4. Remove the pressure cap. 5. There are two radiators to be drained (see diagram, page 6).

INSTALLATION PROCEDURE – 2011 Navistar MaxxForce 13L

Installation procedure – 2011 navistar maxxforce 13l

International® MaxxForce® 11 and 13 Engine Wiring Diagram EGED-435 International® MaxxForce® 11 and 13 Signal Values (available on ISIS® only) Technical Service Literature is revised periodically and mailed automatically to "Revision Service" subscribers. If a technical publication is ordered, the latest revision will be supplied.

Maxxforce Layanan Perbaikan Manual Mesin Diesel Penuh DVD PDF

Maxxforce layanan perbaikan manual mesin diesel penuh dvd pdf

2012 Maxxforce 13 Throttle Pedal Wiring Diagram. Figure Variable Engine Speed Control Schematic using Remote Engine Speed Controller. . Table Accelerator Pedal Sensor Wire Colors and Signals. International, Maxxforce, Cummins and Isuzu engines, Diagnostic and electrical APS/IVS Accelerator position signal in range DTC APS/IVS Install the 5 wire ...

Maxxforce 11 & 13 EPA10 двигатель руководство по обслуживанию ...

Maxxforce 11 & 13 epa10 двигатель руководство по обслуживанию ...

Good, used ECM ELECTRONIC CONTROL MODULE WITH MOUNTING HARDWARE off of a International Maxxforce 13 engine. The casting numbers are 30006706C91-0218439 and 657852.03.02 REV E. The serial number is not available. This International Maxxforce 13 ECM with mounting hardware has been inspected and it appears to be in good condition.

MaxxForce Engine 11 13 (2009) Diagnostic, Service Manual ...

Maxxforce engine 11 13 (2009) diagnostic, service manual ...

maxxforce 7 diesel engine bus application 2013 maxxforce 13 throttle pedal wiring diagram c92 manifold absolute fuel pressure map sensor sender for … Cat ct13 engine problems - earthstaff.it Click to get the latest Buzzing content.

Maxxforce 13 delete tune doesn't work - MHH AUTO - Page 1

Maxxforce 13 delete tune doesn't work - mhh auto - page 1

lines on engines built before 04/06/2011 diagram (click here) parts catalog warning the 2007­2009 maxxforce 7 high pressure fuel pump and the 2010­2013 maxxforce 7 high pressure fuel pumps are not interchangable between engines. diagnostic steps note

Navistar Maxxforce 15L EPA10 Diagnostic Engine Service Manual ...

Navistar maxxforce 15l epa10 diagnostic engine service manual ...

Schematic of Navistar MaxxForce 13 heavy-duty compression ...

Schematic of navistar maxxforce 13 heavy-duty compression ...

Maxxforce 13 Engine Sensors Location in 2021 | Sensor, Map ...

Maxxforce 13 engine sensors location in 2021 | sensor, map ...

Navistar Maxxforce 7 2010 Engine Diagnostic Manual | Auto ...

Navistar maxxforce 7 2010 engine diagnostic manual | auto ...

Maxxforce Service Repair Manual Diesel Engines 2020 Full DVD ...

Maxxforce service repair manual diesel engines 2020 full dvd ...

Class-action lawsuit accuses Navistar of knowingly selling ...

Class-action lawsuit accuses navistar of knowingly selling ...

2010 International MaxxForce 11, 13 Engine Wiring Diagram Manual PDF

2010 international maxxforce 11, 13 engine wiring diagram manual pdf

INTERNATIONAL MaxxForce 13 Engine Assembly OEM# 3016509C1 in ...

International maxxforce 13 engine assembly oem# 3016509c1 in ...

International MaxxForce 13 Engine Part For Sale | Spencer, IA ...

International maxxforce 13 engine part for sale | spencer, ia ...

Schematic of Navistar MaxxForce 13 heavy-duty dual-fuel ...

Schematic of navistar maxxforce 13 heavy-duty dual-fuel ...

International MAXXFORCE 13 Engine Components for sale

International maxxforce 13 engine components for sale

International Maxxforce 11 and 13 (2008-2009) Electrical Circuit Diagram PDF

International maxxforce 11 and 13 (2008-2009) electrical circuit diagram pdf

Maxxforce 11 y 13 | PDF | Propulsion | Systems Engineering

Maxxforce 11 y 13 | pdf | propulsion | systems engineering

2013 International MAXXFORCE 13 (Stock #P-1438) | Engine ...

2013 international maxxforce 13 (stock #p-1438) | engine ...

Maxxforce Layanan Perbaikan Manual Mesin Diesel Penuh DVD PDF ...

Maxxforce layanan perbaikan manual mesin diesel penuh dvd pdf ...

2012 International MaxxForce 13 Engine

2012 international maxxforce 13 engine

Navistar Maxxforce N13 Diagnostic Engine Service Manual 2014 ...

Navistar maxxforce n13 diagnostic engine service manual 2014 ...

2010 International MAXXFORCE 13 (Stock #10818-15) | Engine ...

2010 international maxxforce 13 (stock #10818-15) | engine ...

Prostar + MaxxForce 11, 13, & 15 Features & Benefits from CIT

Prostar + maxxforce 11, 13, & 15 features & benefits from cit

Maxxforce 13 EGR Delete Problems | Do Not DPF Delete

Maxxforce 13 egr delete problems | do not dpf delete

Navistar Maxxforce 11-13 EPA10 Engine Diagnostic Manual ...

Navistar maxxforce 11-13 epa10 engine diagnostic manual ...

Product Code IMX 0004

Product code imx 0004

0 Response to "34 maxxforce 13 engine diagram"

Post a Comment

Iklan Atas Artikel

Iklan Tengah Artikel 1

Iklan Tengah Artikel 2

Iklan Bawah Artikel