40 murray riding mower parts diagram
Murray repair parts and parts diagrams for Murray 40507x8A - Murray 40" Lawn Tractor (2000) Order Status Customer Support 512-288-4355 My Account Login to your PartsTree.com to view your saved list of equipment. Murray riding mower 425614xb2A seat bracket , pulleys and misc parts. $40.95. Was: $45.00. Free shipping. or Best Offer.
Murray Lawn Mower Carburetor Diagram. Model numbers on murray riding lawn mowers are found on the back of the mower or under the seat. Carburetor replacement on lawn tractor with briggs stratton engine duration. Lawn Mower Carburetor Parts Diagram Luxury Murray 38 40 42 Deck.

Murray riding mower parts diagram
Amazon's Choice for murray riding mower parts. Murray 40 Lawn Mower Blade Belt '90-'97 37X62MA. 4.6 out of 5 stars 355. $24.09 $ 24. 09. Get it as soon as Tomorrow, Sep 29. FREE Shipping on orders over $25 shipped by Amazon. More Buying Choices $18.64 (15 new offers) Murray Rear-Engine Riding Mowers parts with OEM Murray parts diagrams to find Murray Rear-Engine Riding Mowers repair parts quickly and easily Order Status Customer Support 512-288-4355 My Account Login to your PartsTree.com to view your saved list of equipment. Murray Riding Mower Belt Diagram Page 2 Line 17qq Com Murray riding mower 42819x92a ereplacementparts com murray riding lawn mower model 13b326jc758 mtd parts murray 9 30502 rear engine riding mower parts sears partsdirect murray 30 rear engine rider 30577x8a ereplacementparts com. Whats people lookup in this blog:
Murray riding mower parts diagram. Murray - Murray Outdoor Products Outdoor Power Products Walk Behind Mowers, Tractors, Rear Engine Riders, Tillers, Chippers, Shredders, Edgers, Grass Catchers, Go-karts, Scooters, Snowthrowers, Sweepers and Trimmers 42 Riding Mower. Murray 46 Inch Cut Lawn Tractor 46562x8a Ereplacementparts Com. Murray Lawn Tractor 38633x92a Ereplacementparts Com. Pin On Auto Maintenance And Repair. Vg 0172 Murray Riding Lawn Mower Parts Diagram Replacement Spindle For Wiring. Murray 36 Lawn Tractor 4 36508 Ereplacementparts Com. 42 Riding Mower. Description: Murray 7800258 Parts List And Diagram - (M2255Fc with Murray Lawn Mower Deck Parts Diagram, image size 590 X 635 px, and to view image details please click the image.. Here is a picture gallery about murray lawn mower deck parts diagram complete with the description of the image, please find the image you need. Murray 405000x8e Lawn Tractor 2005 Parts Diagram For Electrical System. Murray 46576x92b lawn tractor 1999 riding mower brake diagram gear drive 2009 387002x92a 2004 engine stalls rewire of rider doityourself 387002x92c 2005 basic wiring 42583x9a user manual 8hp 30 keeper model 8 42910x92a 1996 ilrated parts list repair ifixit 16hp 405000x8e support manuals 42505x92a 1998 42589x8 service for a ...
Murray 425003x8A - Lawn Tractor (2000) Mower Housing Exploded View parts lookup by model. Complete exploded views of all the major manufacturers. It is EASY and FREE Murray lawn mower 42 deck belt diagram awesome 40 riding lawnmower of murray lawn mower belt diagram 46 inch elegant mtd riding drive new wiring murray mower belt diagrams inspirational x82a parts list and diagram 2000 ereplacementparts of need a drive belt diagram for murray lawn mower model 465306x8 please find attached drawing of the routing ... Murray - Murray Outdoor Products Outdoor Power Products Walk Behind Mowers, Tractors, Rear Engine Riders, Tillers, Chippers, Shredders, Edgers, Grass Catchers, Go-karts, Scooters, Snowthrowers, Sweepers and Trimmers Find parts for your Murray Riding Lawn Mower Model 13BC76LF058. Parts diagrams and manuals available. Free shipping on parts orders over $45.
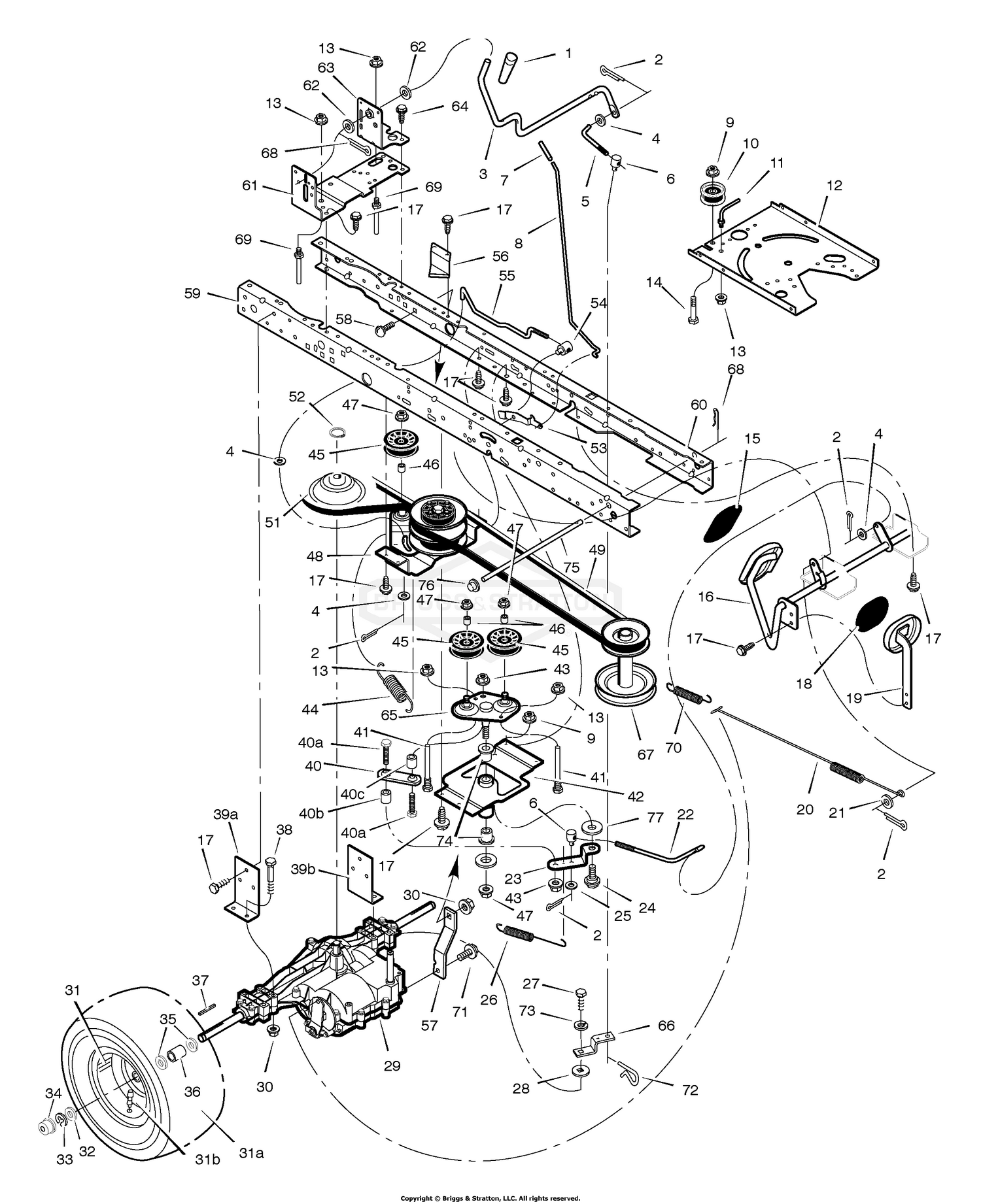
Murray 46901x92B - Lawn Tractor (1996) Mower Housing Exploded View parts lookup by model. Complete exploded views of all the major manufacturers. It is EASY and FREE Murray Lawn Mower Ignition Switch Wiring Diagram - murray lawn mower ignition switch wiring diagram, murray riding lawn mower ignition switch wiring diagram, Every electric arrangement consists of various distinct pieces. Each part should be placed and linked to different parts in specific way. If not, the arrangement won't work as it ought to be. Description: Murray 30577X8A Parts List And Diagram - (1999 with Murray Riding Mower Parts Diagram, image size 590 X 747 px, and to view image details please click the image.. Here is a picture gallery about murray riding mower parts diagram complete with the description of the image, please find the image you need. Find parts for your Murray Riding Lawn Mower Model 13AM77LS058. Parts diagrams and manuals available. Free shipping on parts orders over $45.
42" Riding Mower. ×. ×. Share this Product. Power through tall, thick grass with the Murray ® 42" Riding Lawn Tractor powered by a robust Briggs & Stratton 17.50 Gross HP*, 500cc Power Built™ Engine. The Power Built engine features unique OHV (Overhead Valve) technology and a simple-to-maintain design for a more doable, long-lasting ...
Murray riding mowers tractors parts - manufacturer-approved parts for a proper fit every time! We also have installation guides, diagrams and manuals to help you along the way!
1-16 of over 2,000 results for "murray riding lawn mower parts" Maxpower 561298B Blade Set 42" Cut Replaces Murray OEM No. 095101E701, 92418,92418E701, 21.5 x 2.25 x 1 inches, Black 4.6 out of 5 stars 454
Murray lawn mower parts pulleys that fit, straight from the manufacturer. Use our interactive diagrams, accessories, and expert repair help to fix your lawn mower parts.
Murray Riding Lawn Mower Wiring Diagram - wiring diagram is a simplified gratifying pictorial representation of an electrical circuit. It shows the components of the circuit as simplified shapes, and the capability and signal contacts along with the devices. A wiring diagram usually gives instruction roughly the relative face and concurrence ...
If you know the model number of your Murray product, enter it in the search window below to locate Operator's Manuals, Illustrated Parts Lists and Wiring Diagrams. Find Your Murray Model Number Model Numbers on Murray riding lawn mowers are found on the back of the mower or under the seat.
We are an Authorized Murray Mower service dealer carrying a large selection of Murray Illustrated Parts Lists. If you do not see the Murray Part you need, please complete the Lawn Parts Request Form and we will be happy to assist you. MURRAY. CULTIVATOR. 11052X30B.
Murray 9-38600 front-engine lawn tractor parts - manufacturer-approved parts for a proper fit every time! We also have installation guides, diagrams and manuals to help you along the way!
Use our part lists, interactive diagrams, accessories and expert repair advice to make your repairs easy. 877-346-4814. Departments Accessories ... Repair Parts Home Lawn Equipment Parts Murray Parts Murray Lawn Mower Parts Murray 42819X92A Riding Mower Parts.
The parts . SmallEngineEquipmentParts.com: Murray 38", 40", 42" Deck: Diagram .. Fits Murray 42" Deck Front Engine Tractor with 5/8" Belt, 6-1/4" OD, 9/16" Splined Bore . Murray 1695809 - 46" Mower Deck Exploded View parts lookup by model. Complete exploded views of all the major manufacturers.
Quality Murray Lawn Mower Replacement Parts From Repair Clinic. For decades, Murray push and riding mowers have been the efficient, affordable choice for lawn and garden enthusiasts. One of the reasons for that is the fact that each mower is powered by a Briggs & Stratton engine.
Murray Riding Mower Belt Diagram Page 2 Line 17qq Com Murray riding mower 42819x92a ereplacementparts com murray riding lawn mower model 13b326jc758 mtd parts murray 9 30502 rear engine riding mower parts sears partsdirect murray 30 rear engine rider 30577x8a ereplacementparts com. Whats people lookup in this blog:
Murray Rear-Engine Riding Mowers parts with OEM Murray parts diagrams to find Murray Rear-Engine Riding Mowers repair parts quickly and easily Order Status Customer Support 512-288-4355 My Account Login to your PartsTree.com to view your saved list of equipment.
Amazon's Choice for murray riding mower parts. Murray 40 Lawn Mower Blade Belt '90-'97 37X62MA. 4.6 out of 5 stars 355. $24.09 $ 24. 09. Get it as soon as Tomorrow, Sep 29. FREE Shipping on orders over $25 shipped by Amazon. More Buying Choices $18.64 (15 new offers)

0 Response to "40 murray riding mower parts diagram"
Post a Comment