39 cushman truckster wiring diagram
Rotax 720 engine specs [email protected] I picked up a '59 Cushman Truckster. Got it running today but I have an electrical gremlin. While working on it I noticed a few misc, wires not connected to anything. Antique automobile discussion. Technical. '59 Cushman Truckster Wiring Diagram/Reality Help.
11 Wiring Diagram. . Cushman Turf-Truckster be used to tow and operate the GA-60 .. Save cushman diagram to get e-mail alerts and updates on your eBay Feed. + Wiring Diagram Cushman Police Scooter Japanese Mini Micro Truck Daihatsu.

Cushman truckster wiring diagram
Best Cushman Titan Wiring Diagram Everything You Need To Of In On Tagged at philteg.in philteg.in. Cushman gas golf cart wiring diagram wiring-diagram cushman trackster ford starter wiring diagram mustang starter wiring diagram 1973 cushman truckster wiring-diagram... When presenting [RTF] 1974 Cushman Truckster Wiring Diagram as one of the collections of many books here, we tolerate that it can be one of the best books listed. It will have many fans from all countries readers. And exactly, this is it. You can in fact freshen that this collection is what we thought... Car Wiring Diagram. Home. Contact. Cushman Truckster Wiring Diagram. November 19, 2018November 18, 2018. Sponsored links.
Cushman truckster wiring diagram. 20. 2632 Nivel 2 Cushman Truckster (55. Cushman was known for playing traditionally male roles, like Romeo and Hamlet. Marshall County Golf Carts offers service, rentals, and parts. The carb for this engine is the brass Schebler, and the magneto would be the Dixie M1. Cushman Other Motorcycle Information: Browse Cushman Other Motorcycles. Nov 23, 2021 · MITSUBISHI Mitsubishi Minicab 3G81 remanufactered Engine Los. com Mitsubishi 4g15 Manual Carburetor Where To Download Mitsubishi Lancer Carburetor Manual 4g15 4G15 is a single overhead camshaft (SOHC) 8-valve, carburetor typeMini Truck Parts for Suzuki Carry, Daihatsu Hijet, Mitsubishi Minicab, Honda Acty, Subaru Sambar, Cushman White Truck ... Cushman Truckster Wiring Diagram. Hauler 800 Electric Manual. Modify your ignition battery and lighting set up or automate your work process. Wiring Diagrams and Component Location Illustrations. Hauler 4x4 Ga s Manua l. Truckster with 660 Gasoline Engine Electrical Diagram. Axle Tube Half Differential Parts Cushman Truckster 70's Model 18 Hp Omc. Sort By: Price: Low to High Price: High to Low Most Popular Title Manufacturer Newest Oldest Availability 6 per page 12 per page 24 per page 36 per page 60 per page Page of 2 2 Differential Outer Axle Seal- 2 Pack for Club Car Golf Carts 1976-1984.
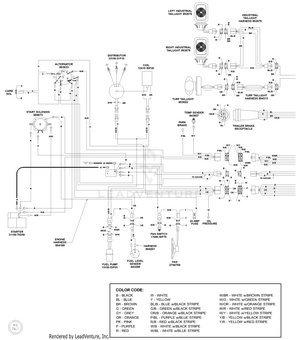
Cushman Truckster Wiring Diagram- wiring diagram is a simplified satisfactory pictorial representation of an electrical circuit. It shows the components of the circuit as simplified shapes, and the knack and signal links in the company of the devices. Cushman Truckster Wiring Diagram wiring diagram is a simplified satisfactory pictorial representation of an electrical circuitIt shows the components of the circuit as simplified shapes and the knack and signal links in the company of the devices. Download 1974 Cushman Truckster Wiring Diagram Pics . It has had a recent tune up with new tires. Lets finish some wiring then lets ol... View and Download Cushman TURF-TRUCKSTER service & repair manual online. DIESEL & GASOLINE ENGINES. TURF-TRUCKSTER utility vehicle pdf manual download. ... Truckster with 660 Gasoline Engine Electrical Diagram. 237. ... for the most part, is Before performing any component or wiring test, limited to the replacement of defective components or ...
59 Cushman Truckster Wiring Diagram Reality Help Technical Wiring diagrams show the connections to the controller, while line diagrams show circuits of the operation of the controller. 59 cushman truckster wiring diagram/reality help - technical ... Read Or Download Cushman Truckster Wiring Diagram For FREE Wiring Diagram at DIAGRAMOFBRAIN.KOINEFILM.IT. Cushman Truckster 36 Volt Wiring Diagram. Vintagegolfcartparts Com. From Scratch Gas Golf Cart Wiring Problem. ...wiring diagram, cushman titan wiring diagram xd sc 1 th 207 in in cushman titan wiring diagram, i have an older model cushman 4 wheel turf truck cannot find the entrancing wiring diagram for cushman titan wiring diagram, cushman truckster wiring diagram endear on 717x1024. Subaru sambar problems [email protected]
Print the electrical wiring diagram off plus use highlighters to trace the routine. When you employ your finger or perhaps the actual circuit with your eyes, it may be easy to mistrace the circuit. Read electrical wiring diagrams from negative to positive and redraw the signal being a straight line.
View online (263 pages) or download PDF (5 MB) Cushman TURF-TRUCKSTER User manual • TURF-TRUCKSTER PDF manual download and 1. Identify and locate the wire to be checked on the appropriate wiring diagram in Section 10O. 2. Set multimeter to ohms scale and touch leads to end...
ECQ Bmw 328I Engine Temperature Wiring Diagram Book Pdf. ZPR 3700 Arco Rod Wiring Diagram Info Book.
Why should be cushman truckster owners manual? As a book lover, you must know that enjoying the book to read should be relevant to how you exactly need now. If they are not too much relevance, you can take the way of the inspirations to create for new inspirations.
1988 Club Car Wiring Diagram General Wiring Diagram. Speaker Wire Golf Carts Improve Yourself Diagram The Unit. Cushman Truckster Wiring Schematic | Car Wiring Diagram.
Sell Cushman Turf Truckster Oem Parts Manual 824015 Model 898507 Made 73 To 81 In Bowling Green Florida Us For Us 35 00
Wiring Diagram 48 Volt Cushman Commander Wiring Diagram. 70 Pretty Models Of Cushman Wiring Diagram Diagram With Labels. Cushman Wiring Diagrams Manual E Book. Club Car Ignition Switch Diagram Wiring Diagram Used.
Nov 16, 2021 · Briggs and stratton opposed twin carb swap. These coils can easily be found at a scrap yard from a trashed push mower. Briggs And Stratton 18hp Vanguard, Briggs And Stratton Opposed Twin, Briggs And Stratton V Twin In Multi-Purpose Engines, Briggs And Stratton 12 Hp Starter,Seller Rating positive. 0 average based on 3 product ratings. 5 to20 hp side valve AU . 1-1/8" x 4-5/16" shaft, …
Cushman wiring parts cushman golf carts wiring diagrams wiring-diagram cushman trackster cushman gas golf cart wiring schematics. Cushman truckster wiring schematic thank you for visiting our site, this is images about cushman truckster wiring schematic posted by Benson Fannie...
Cushman Cushman Wiring Diagrams. Utility Vehicle Cushman turf truckster Safety Operation Manual. Find even more electrical and hydraulic What pull off you complete to begin reading [Epub] 1974 Cushman Truckster Wiring Diagram? Searching the photograph album that you adore to edit...
Ransomes 898462 898464 898470 898472 898474 898475 898477 898494 898630 898632 898635 Haulster Parts Manual Manualzz
Fuse/Fusible link box (P. 2015 Vw Jetta Tdi Fuse Diagram. 2014 NISSAN TITAN A60-D Your NISSAN dealer is always available to assist you with all your automobile sales and service needs. Passenger CompartmentAccessories that exceed 12 volt 120w 15a power draw. nissanusa. cushman titan wiring diagram in truckster, image source: creativeand. 5.
59 cushman truckster wiring diagram/reality help vintagegolfcartparts com diagram 1983 utility vehicle in wamego ks how to repair your (aka tuktuk) youtube.
The Cushman Truckster XD with a Kubota Gasoline or Diesel engine is a self propelled vehicle. The hydraulic systems are for the steering, bed lift and optional remote hydraulics. If you follow all instructions in this manual, you increase the life of your vehicle and keep its maximum performance.
Kindle File Format 1974 Cushman Truckster Wiring Diagram. When people should go to the ebook stores, search inauguration by shop, shelf by shelf, it If you ambition to download and install the 1974 Cushman Truckster Wiring Diagram, it is categorically simple then, since currently we extend the...
[ cushman truckster wiring diagram ] - best free home. This is the complete factory cushman textron turf-truckster service repair technical manual. this manual is download.
Gas Cushman Truckster Wiring Diagram Cushman Wiring Diagram 1974 Nova Wiring Diagram Cushman Titan Wiring Diagram Cushman Eagle Wiring Diagram. Download.
It's what it says and will include such subjects as shooting, model aircraft, etc. com. parts and maintenance manual models, ee, , ee, , ee, 9 wiring diagram number and the cushman part number, always read the description of the part to be sure it is what you want. 1988 Cushman Truckster - …
Gif Wiring Cushman Cushman Wiring Diagrams Cushman Truckster. Cushman club of america information. Top cushman cushman wiring diagrams click to enlarge. Exactly how many webpages have you browse to obtain more detail about 1960 cushman eagle wiring diagram.
I Have An Older Model Cushman 4 Wheel Turf Truck I Cannot Find The Serial Number It Has Ransomes On The Steering Wheel
TFK Blitz Turbo Timer Wiring Diagram Book Pdf. YKI Audi A3 Xenon Wiring Diagram Book Pdf.
Cushman Truckster Wiring Diagram - Hauler 800 electric manual. Glenn s speed shop 825 views. Cushman Truckster Wiring Diagram - With four post rops 54 pages utility vehicle cushman turf truckster parts maintenance manual.
Jacobsen turfcat parts. 64 inc. May 09, 2021 · Oregon 91-352 Mulching Blade Jacobsen TurfCat 72" Deck Zero-Turn Mowers 9-PACK 8. 38 previous price 1. jacobsen hr6010 / turfcat 628d #jrm93-013 $ 102. 00-8 Rear Tires Inventory Unit Detail Baker Vehicle Systems - Macedonia Macedonia, OH (800) 843-2250 jacobsen 810 express, Jacobsen, 466 U. Ct. 24 1.
Car Wiring Diagram. Home. Contact. Cushman Truckster Wiring Diagram. November 19, 2018November 18, 2018. Sponsored links.
When presenting [RTF] 1974 Cushman Truckster Wiring Diagram as one of the collections of many books here, we tolerate that it can be one of the best books listed. It will have many fans from all countries readers. And exactly, this is it. You can in fact freshen that this collection is what we thought...
Best Cushman Titan Wiring Diagram Everything You Need To Of In On Tagged at philteg.in philteg.in. Cushman gas golf cart wiring diagram wiring-diagram cushman trackster ford starter wiring diagram mustang starter wiring diagram 1973 cushman truckster wiring-diagram...
Cushman Hauler Pro Technician S Repair And Service Manual 72v Electric Pdf Download Heydownloads Manual Downloads
0 Response to "39 cushman truckster wiring diagram"
Post a Comment