Iklan 300x250

38 briggs and stratton transfer switch wiring diagram

Sep 13, 2020 - wiring diaghrams I've been asked about wiring alot recently. So here is a diagram that should help everyone. Let me know if you have any questions. endorsed or recommended by Briggs & Stratton. All information, illustrations, and specifications contained in this manual were based on the data available at the time of publication. Briggs & Stratton Corporation reserves the right to change, alter, or otherwise improve the product or the product manuals at any time without prior notice.

Installation Manual. Questions? Help is just a moment away! ... Thank you for your purchase of this Briggs & Stratton® automatic transfer switch.44 pages

Briggs and stratton transfer switch wiring diagram

Briggs and stratton transfer switch wiring diagram

October 13, 2018 - Kill Switch Wiring Diagram. The kill switch wire runs from the kill switch all the way around the flywheel and round to the front of the lawnmower where the ignition coil is. It sometimes connects to the underside of the ignition coil so read the article above to help you remove it. The Briggs And Stratton ... Briggs And Stratton Wiring Diagrambriggs and stratton wiring diagram, briggs and stratton wiring diagram 12.5 hp, briggs and stratton wiring diagram 12hp, Every electric structure is composed of various distinct pieces. Each part ought to be set and connected with different parts in specific way. If not, the structure will not work as it ought to be. Briggs & Stratton Transfer Switch at the best price market. As a Briggs & Stratton dealer we carry genuine replacement parts and Fast Shipping service. Shop with confidence!

Briggs and stratton transfer switch wiring diagram. Diagram wiring mounting generator transfer switch generac ats full version hd quality residential with convertor china 3p 630a automatic for portable changeover briggs and stratton power products 040385 01 20 000 watt home standby 200 amp load control module ge parts del 26072018021729 040449 00 10 100 2p 100a single phase wireswiring diagrams switches how to connect a… Read More » View our full offering of whole house generator accessories including Transfer Switches, Monitoring Capabilities, Cold Weather Kits, Maintenance Kits and more. Your installer should follow the instructions completely. Where to Find Us. You never have to look far to find Briggs & Stratton support and service for your ...24 pages Briggs and stratton kill switch wiring diagram. Another common problem with tecumseh engines is the connector at the spark plug. View and download stanley gt18 service manual online. Unless i missed one you have three wires in the wiring connector. A kill wire coming from the ignition modules ...

April 23, 2020 - Lawn Mower wouldnt start after sitting for the winter and after trying all the standard fixes I narrowed it down to the ignition coil area, and saw if you remove the kill switch wire and it starts (and doesnt stop until it runs out of fuel) then it's the wire that's messed up, and if it doesnt... Briggs and Stratton Power Products 071068-01 - 200 Amp Automatic Transfer Switch (Packaged) Wiring Diagram - Transfer Switch Exploded View parts lookup by model. Complete exploded views of all the major manufacturers. It is EASY and FREE January 29, 2016 - We bought a new Briggs and Stratton 950 series 208 cc engine for a go cart which we are going to build. i need to wire an external kill switch (other than the one which it comes with). There are two wires which are visible outside the engine. Will the engine stop if we short the black and the... December 23, 2017 - This video provides step by step ... on a briggs and stratton small engine which is commonly found in lawn mowers riding. The black wire of the sensor is connected to the primary winding of the ignition coil and to the engine runstop switch. Is there a wiring diagram available ...

Wiring Diagram - Transfer Switch (311454WD) diagram and repair parts lookup for Briggs & Stratton 071068-00 - Briggs & Stratton 200 Amp Automatic Transfer Switch. Order Status Customer Support 512-288-4355 My Account. Login to your PartsTree.com to view your saved list of equipment. My son's mower is having an issue with the stop wire system and I cannot figure out how to correctly wire it. This is on a 1981 3.5HP Briggs engine. There is one wire that connects from the condensor on the break points to the ignition coil armature. There is another wire that is connected ... November 19, 2019 - wiring diagram for 5 hp briggs and stratton kill switch has on and off switch...no battery..pull only. starts - Briggs & Stratton Garden question Briggs and stratton transfer switch wiring diagram. 1938 portable generator pdf manual download. Page 1 installation operators manual 200 amp automatic transfer switch with service disconnect and ac control module. Some top load washers use a direct drive motor coupling to transfer power from the motor to the transmission.

Briggs Stratton 01813 1 User Manual Page 1 Of 44 Manualsbrain Com

Briggs Stratton 01813 1 User Manual Page 1 Of 44 Manualsbrain Com

38+ Briggs And Stratton Wiring Diagram Gif.Briggs engine wiring diagram mon mar 22, 2010 9:50 pm. However, if you're needing to replace or rebuild parts of the small engine on your lawn mower, snow blower or other outdoor power equipment, the basic schematics or wiring diagrams of our alternator systems wired to a generic.

3

3

Briggs And Stratton Transfer Switch Wiring Diagram. To properly read a cabling diagram, one has to learn how the particular components inside the system operate. For instance , if a module is powered up also it sends out a new signal of half the voltage in addition to the technician will not know this, he'd think he offers a challenge, as he or ...

Want To Know The Wiring Diagram For A Briggs Stratton Fixya

Want To Know The Wiring Diagram For A Briggs Stratton Fixya

Oil Pressure Switch Oil Pressure Switch Oil Pressure Switch Alternator System Stop Switch Stop Switch Stop Switch PRINTED IN U.S.A. BRIGGS & STRATTON CORPORATION FORM MS-5301-11/02 698329 Å’ Models 280000 & 310000 OHV and L-Head 698332 Å’ Models 290000, 300000, 350000, & 380000 OHV Vanguard Series 698331 Å’ Models 420000 & 460000 Alternator System

Briggs And Stratton Power Products 071057 00 200 Amp Automatic Transfer Switch W Accm Nema 3r Parts Diagram For Wiring Diagram Transfer Switch 315379wd

Briggs And Stratton Power Products 071057 00 200 Amp Automatic Transfer Switch W Accm Nema 3r Parts Diagram For Wiring Diagram Transfer Switch 315379wd

Look no further to find the electrical schematics or wiring diagram for your Vanguard commercial engine as well as alternator guides and resources.

Standby Generator On Off Switch Diy Home Improvement Forum

Standby Generator On Off Switch Diy Home Improvement Forum

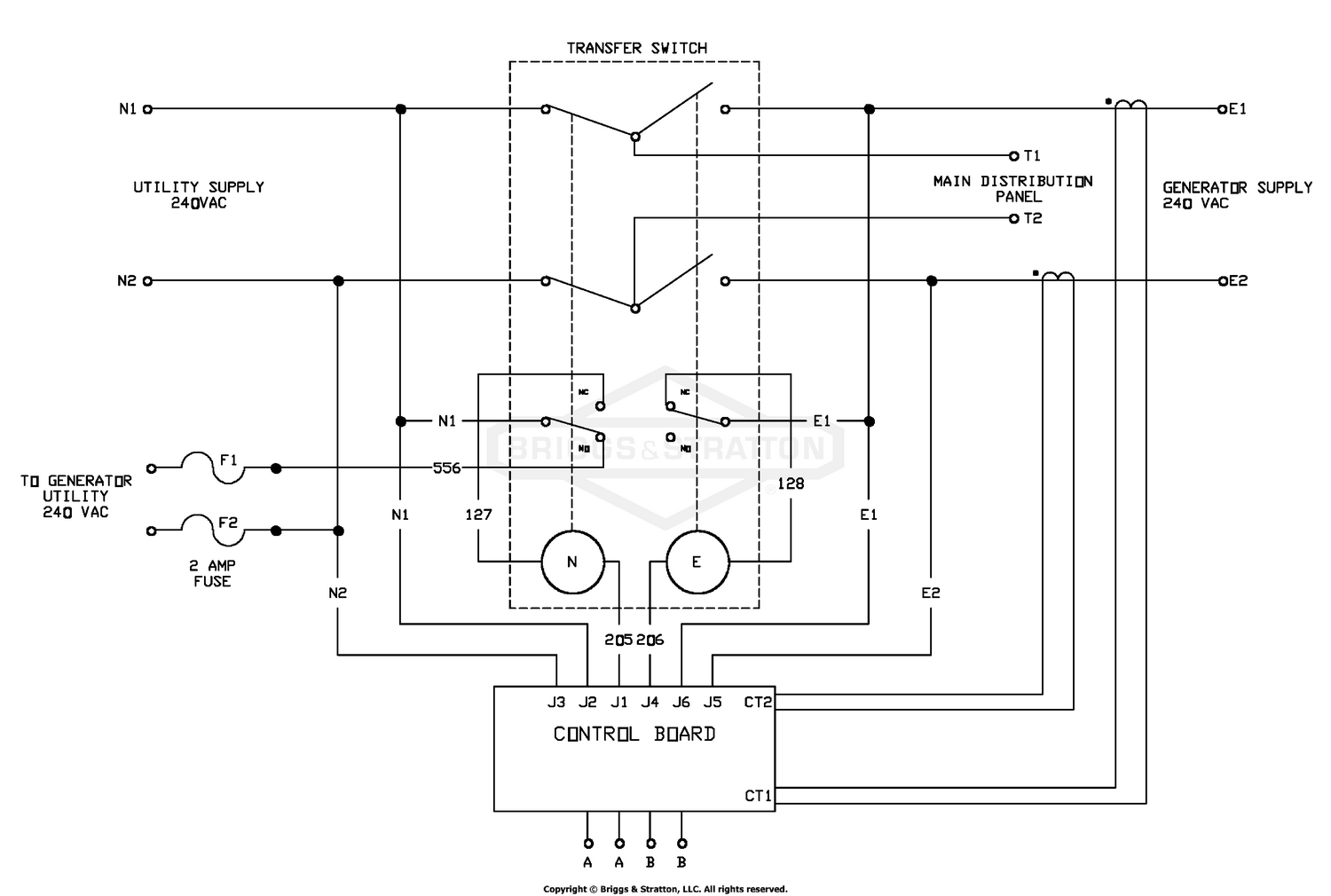
If you need more information about the transfer switch, call 800-743-4115, between 8:00 AM and 5:00 PM CST. Equipment Description The transfer switch is designed to transfer selected loads found in normal residential installations to standby power in the event of a primary power outage. The load is connected either to utility

Transfer Switch Wiring Diagram Simplicity 071095 00 071095 01 071094 00 071094 01 Transfer Switch Wiring Diagram

Transfer Switch Wiring Diagram Simplicity 071095 00 071095 01 071094 00 071094 01 Transfer Switch Wiring Diagram

Wiring agenerac 10kw generator to a briggs & stratton transfer switch [model 01928] need diagram - Answered by a verified Technician We use cookies to give you the best possible experience on our website.

Milbank Mmts501sysl2c 50 Amp 6 Circuit Power Transfer Switch System W 25 Cord Berjayagenerators Com

Milbank Mmts501sysl2c 50 Amp 6 Circuit Power Transfer Switch System W 25 Cord Berjayagenerators Com

Briggs and Stratton Transfer Switch Wiring Diagram Sample. Variety of briggs and stratton transfer switch wiring diagram. A wiring diagram is a simplified conventional pictorial depiction of an electric circuit. It shows the components of the circuit as streamlined forms, and also the power and also signal connections between the devices. A wiring diagram normally gives info concerning…

Briggs Amp Stratton Power Products Del 26072017021729 040461 00 16 000 Watt Standby Generator With 200 Amp Ats Briggs Stratton Wiring Schematic Transfer Switch

Briggs Amp Stratton Power Products Del 26072017021729 040461 00 16 000 Watt Standby Generator With 200 Amp Ats Briggs Stratton Wiring Schematic Transfer Switch

Briggs And Stratton Power Products 071044 01 200 Amp Automatic Transfer Switch W Accm Parts Diagrams. Transfer Switch Manual Panel Wiring Diagram China 208v Auto Switchautomatic Swit Automatic Made In Com. Rlc1 200 Eaton Cutler Hammer 200a Automatic Transfer Switch With Optional Service Disconnect. Ge 100 Amp 240 Volt Non F Emergency Power ...

Transfer Switch Manual

Transfer Switch Manual

You never have to look far to find Briggs & Stratton support and service for your system. Consult your Yellow Pages. ... Transfer Switch Wiring Diagram .16 pages

1

1

Wiring Size 8 18 UL Listed Yes Yes Communication ZIgbee ZIgbee * See operator’s manual or www.briggsandstratton.com for complete warranty details. Review local codes to determine if a transfer switch with separate service entrance disconnect is required. Briggs & Stratton reserves the right to make changes in specifications and features shown ...

Briggs Stratton Automatic Transfer Switch User Manual

Briggs Stratton Automatic Transfer Switch User Manual

Page 1 Home Generator Systems Installation & Operator’s Manual 200 Amp Automatic Transfer Switch with AC Power Control Module ™ Manual No. 195114GS Rev. - (12/11/07) ; Page 2: Transfer Switch Thank you for your purchase of this Briggs & Stratton Power Products Automatic Transfer Switch. This product is intended for use with Briggs & Stratton Home Standby Generator sets and therefore may ...

Briggs Stratton Power Products 040450 01 10 000 Watt Standby Generator With 200 Amp Ats Briggs Stratton Wiring Diagram Transfer Switch Shank 39 S Lawn Troy Bilt

Briggs Stratton Power Products 040450 01 10 000 Watt Standby Generator With 200 Amp Ats Briggs Stratton Wiring Diagram Transfer Switch Shank 39 S Lawn Troy Bilt

Have 3 Installers contact me. Briggs & Stratton 200-Amp Outdoor Automatic Transfer Switch (Service Disconnect) Model: 071270. Number of Reviews (1) $759.00. Accessories. Features. Specifications. Reviews.

Briggs And Stratton Power Products 071038 00 200 Amp Automatic Transfer Switch W Accm3 Parts Diagram For Wiring Diagram Transfer Switch

Briggs And Stratton Power Products 071038 00 200 Amp Automatic Transfer Switch W Accm3 Parts Diagram For Wiring Diagram Transfer Switch

Kohler generator manual l0402312 generators 14 20resal installation pdf manualslib briggs and stratton power products 040276b 01 20 000 watt home standby milbank parts diagram for wiring 040385 with 200 amp ats load control module ge transfer switch advice recommendations whole house page 3 green tractor talk 20resa 20resc 20rescl full version ...

Briggs Stratton Power Products 040343 01 12 000 Watt Standby Generator With 100 Amp Ats Briggs Stratton Wiring Diagram Transfer Switch Shank 39 S Lawn Troy Bilt

Briggs Stratton Power Products 040343 01 12 000 Watt Standby Generator With 100 Amp Ats Briggs Stratton Wiring Diagram Transfer Switch Shank 39 S Lawn Troy Bilt

Major components of the transfer switch are a 2 pole utility disconnect circuit breaker, a 2 pole generator disconnect circuit breaker, a 2 pole double throw transfer switch, transfer switch control circuit board, Symphony II power management system control circuit board, fused utility terminals and interconnecting wiring.

Briggs Stratton Manual Transfer Switch Kit Gn00097a B W Machinery

Briggs Stratton Manual Transfer Switch Kit Gn00097a B W Machinery

Wiring Diagram 6 Pole Switch -- Briggs & Stratton Part No. 493625 6 ALTERNATOR ANTI-AFTERFIRE SOLENOID DIODE DC OUTPUT WIRE AC OUTPUT WIRE HEADL IGHTS HEADLIGHT SWITCH STARTER MOTOR 12 VOLT BATTERY SOLENOID BATTERY TER MINAL SOLENOID TAB TERM NAL S TA RE TER INAL KEY SWITCH Switch Position Continuity Terminal No. Function Key Switch Test ...

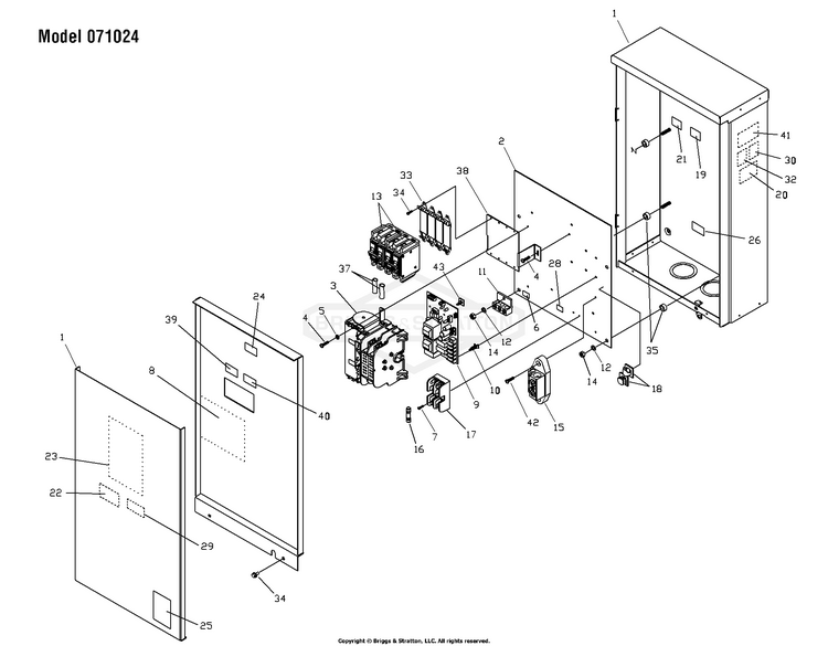
071024 0 Briggs And Stratton Transfer System 100 Amp Automatic Transfer Switch W Accm2 Sed Partswarehouse

071024 0 Briggs And Stratton Transfer System 100 Amp Automatic Transfer Switch W Accm2 Sed Partswarehouse

Major components of the transfer switch are a 2 pole utility disconnect circuit breaker, a 2 pole generator disconnect circuit breaker, a 2 pole double throw transfer switch, transfer switch control circuit board, Symphony II power management system control circuit board, fused utility terminals and interconnecting wiring.

20kw Briggs Stratton Whole House Standby Generator Part 1 Youtube

20kw Briggs Stratton Whole House Standby Generator Part 1 Youtube

Briggs And Stratton Pro 8000 Generator Control Panel Wiring Diagram. Briggs & Stratton PRO Manual Online: Schematic/wiring Diagram. Portable Generator Briggs & Stratton PRO Operator's Manual. (28 pages). Briggs and Stratton Power Products - Watt PRO Main Unit Exploded Control Panel BGS WIRE A, 8AWG, RED, 1 No Longer Available.

Briggs Stratton Automatic Transfer Switch User Manual Page 1 Of 40 Manualsbrain Com

Briggs Stratton Automatic Transfer Switch User Manual Page 1 Of 40 Manualsbrain Com

Briggs And Stratton Power Products 1810 0 10 000 Watt Bspp Home Generator System Parts Diagram For Wiring Standby 191598wd. China Ats Wiring Diagram For Standby Generator 50 Amp Auto Transfer Switch Automatic Generators. Briggs And Stratton Power Products 040276b 01 20 000 Watt Home Standby Generator Milbank Parts Diagram For Wiring.

Circuit Diagram Wiring Diagram Transfer Switch Bst9200m

Circuit Diagram Wiring Diagram Transfer Switch Bst9200m

Thankyoufor yourpurchaseofthis Briggs& Stratton@automatictransferswitch.Thisproductisdesignedfor usewith specifichome ... Typical automatic transfer switch installations are depicted below, it is best if the transfer switch is mounted near ... All wiring must bethe proper size,properly supported and protectedby conduit. All wiring should be ...

Briggs Stratton Power Products 071055 01 100 Amp Automatic Transfer Switch W Accm Wiring Diagram Transfer Switch Shank 39 S Lawn Troy Bilt

Briggs Stratton Power Products 071055 01 100 Amp Automatic Transfer Switch W Accm Wiring Diagram Transfer Switch Shank 39 S Lawn Troy Bilt

View our full offering of whole house generator accessories including Transfer Switches, Monitoring Capabilities, Cold Weather Kits, Maintenance Kits and more.

Briggs Stratton 71058 400 Amp Split Service Automatic Transfer Switch Ac Shedding Service Disconnect

Briggs Stratton 71058 400 Amp Split Service Automatic Transfer Switch Ac Shedding Service Disconnect

Briggs And Stratton 20kw Generator Wiring Diagram. Limitations of circuits and receptacles. It is based on several considerations such as the receptacle output and rating the circuit breaker amperage and the combination of circuits and output. Amazon Com Briggs Stratton 71047 100 Amp 16 Circuit Transfer. Wiring Diagram For Generac Generator 8 ...

2

2

Briggs 125K02 0137 Engine Ignition System Components and Troubleshooting with photos

Briggs Stratton 040646 12 000 Watt Automatic Air Cooled Standby Generator With 100 Amp 16 Circuit Transfer Switch Installation Guide Manualzz

Briggs Stratton 040646 12 000 Watt Automatic Air Cooled Standby Generator With 100 Amp 16 Circuit Transfer Switch Installation Guide Manualzz

Name: briggs and stratton transfer switch wiring diagram – Briggs And Stratton Power Products 00 10 000 Watt Standby Tearing Transfer Switch Wiring File Type: JPG Source: britishpanto.org

Briggs And Stratton Power Products 040455 00 10 000 Watt Standby Generator With 200 Amp Ats Briggs Stratton Parts Diagram For Wiring Diagram Transfer Switch 195746wd

Briggs And Stratton Power Products 040455 00 10 000 Watt Standby Generator With 200 Amp Ats Briggs Stratton Parts Diagram For Wiring Diagram Transfer Switch 195746wd

Briggs & Stratton sells electrical components only for engines. If you are replacing or rebuilding parts of the small engine on your lawn mower, snow blower or other outdoor power equipment, the basic schematics or wiring diagrams of our alternator systems are available in our guides below: In addition to wiring diagrams, these guides also ...

2

2

Transfer Switch - Hinged Enclosure (209507) diagram and repair parts lookup for Briggs & Stratton 071046-00 - Briggs & Stratton 200 Amp Automatic Transfer Switch Order Status Customer Support 512-288-4355 My Account

Briggs Stratton 071049 03 200 Amp Automatic Transfer Switch Partswarehouse

Briggs Stratton 071049 03 200 Amp Automatic Transfer Switch Partswarehouse

The Briggs & Stratton 200-Amp Automatic Transfer Switch + AC Shedding (Service Disconnect) 71046 has been discontinued. Check out Expert's recommended alternatives for another top automatic transfer switch.

Briggs Amp Stratton Power Products Del 26072017021729 071049 00 200 Amp Automatic Transfer Switch Wiring Diagram Transfer Switch

Briggs Amp Stratton Power Products Del 26072017021729 071049 00 200 Amp Automatic Transfer Switch Wiring Diagram Transfer Switch

INTRODUCTION. Thank you for your purchase of this Briggs & Stratton Power Products Automatic Transfer Switch.This product is intended for use with Briggs & Stratton Home Standby Generator sets ONLY.This is an optional home standby system which provides an alternate source of electric power and to serve loads such as heating, refrigeration systems, and communication systems that, when stopped ...

Briggs Stratton 1535 0 Briggs Stratton 8kw Home Standby Generator Wiring Schematic Transfer Switch Parts Lookup With Diagrams Partstree

Briggs Stratton 1535 0 Briggs Stratton 8kw Home Standby Generator Wiring Schematic Transfer Switch Parts Lookup With Diagrams Partstree

Name: generac gts transfer switch wiring diagram - Medium Size of Wiring Diagram Briggs And Stratton Wiring Diagram Luxury Generac Automatic Transfer Switch; File Type: JPG; Source: nezavisim.net; Size: 171.06 KB; Dimension: 728 x 1123

Eaton Manual Transfer Panel

Eaton Manual Transfer Panel

Briggs and Stratton Power Products 071023-0 - 200 Amp Automatic Transfer Switch w/SED Wiring Diagram - Transfer Switch Exploded View parts lookup by model. Complete exploded views of all the major manufacturers. It is EASY and FREE

Faq01600 For Measuring Motor Protective Relays Omron Industrial Automation

Faq01600 For Measuring Motor Protective Relays Omron Industrial Automation

Automatic Transfer Switch - read user manual online or download in PDF format. Pages in total: 40.

Briggs And Stratton Power Products 071025 0 200 Amp Automatic Transfer Switch W Accm2 Sed Parts Diagram For Wiring Diagram Transfer Switch

Briggs And Stratton Power Products 071025 0 200 Amp Automatic Transfer Switch W Accm2 Sed Parts Diagram For Wiring Diagram Transfer Switch

May 21, 2020 - On most lawnmowers fitted with a kill switch, you will find it at the back of the flywheel towards the back of the lawnmower. It is usually hidden behind a small plastic cover.

Briggs And Stratton Power Products 040472 02 8 000 Watt Standby Generator With 50 Amp Ats Briggs Stratton Parts Diagram For Wiring Diagram Transfer Switch

Briggs And Stratton Power Products 040472 02 8 000 Watt Standby Generator With 50 Amp Ats Briggs Stratton Parts Diagram For Wiring Diagram Transfer Switch

Briggs & Stratton Transfer Switch at the best price market. As a Briggs & Stratton dealer we carry genuine replacement parts and Fast Shipping service. Shop with confidence!

Ignition Wiring Basic Wiring Diagram Briggs Stratton Pdf Ignition System Switch

Ignition Wiring Basic Wiring Diagram Briggs Stratton Pdf Ignition System Switch

Briggs And Stratton Wiring Diagrambriggs and stratton wiring diagram, briggs and stratton wiring diagram 12.5 hp, briggs and stratton wiring diagram 12hp, Every electric structure is composed of various distinct pieces. Each part ought to be set and connected with different parts in specific way. If not, the structure will not work as it ought to be.

Briggs Stratton 071212 100 Amp Automatic Transfer Switch W 16 Circuit Load Center Ac Shedding

Briggs Stratton 071212 100 Amp Automatic Transfer Switch W 16 Circuit Load Center Ac Shedding

October 13, 2018 - Kill Switch Wiring Diagram. The kill switch wire runs from the kill switch all the way around the flywheel and round to the front of the lawnmower where the ignition coil is. It sometimes connects to the underside of the ignition coil so read the article above to help you remove it. The Briggs And Stratton ...

Briggs Stratton Power Products 040474 00 12 000 Watt Standby Generator With 200 Amp Ats Briggs Stratton Wiring Diagram Transfer Switch Shank 39 S Lawn Troy Bilt

Briggs Stratton Power Products 040474 00 12 000 Watt Standby Generator With 200 Amp Ats Briggs Stratton Wiring Diagram Transfer Switch Shank 39 S Lawn Troy Bilt

Briggs Amp Stratton Power Products Del 26072017021729 071054 01 200 Amp Automatic Transfer Switch Wiring Schematic Transfer Switch

Briggs Amp Stratton Power Products Del 26072017021729 071054 01 200 Amp Automatic Transfer Switch Wiring Schematic Transfer Switch

Briggs Stratton Power Products 071055 01 100 Amp Automatic Transfer Switch W Accm Wiring Diagram Transfer Switch Shank 39 S Lawn Troy Bilt

Briggs Stratton Power Products 071055 01 100 Amp Automatic Transfer Switch W Accm Wiring Diagram Transfer Switch Shank 39 S Lawn Troy Bilt

Briggs Stratton 100 Amp Automatic Transfer Switch Manuals Manualslib

Briggs Stratton 100 Amp Automatic Transfer Switch Manuals Manualslib

0 Response to "38 briggs and stratton transfer switch wiring diagram"

Post a Comment

Iklan Atas Artikel

Iklan Tengah Artikel 1

Iklan Tengah Artikel 2

Iklan Bawah Artikel