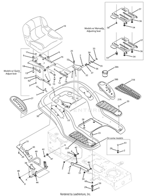
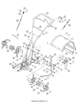
37 drive belt diagram for troy bilt bronco
Troy Bilt 13AV60KG011 Bronco (2008) Exploded View parts lookup by model. Complete exploded views of all the major manufacturers. It is EASY and FREE. a helpful tip for replacing the drive belt on 2011-14 Troy-Bilt Bronco tractors.....the online manual doesn't mention it is IMPOSSIBLE to finagle the belt ...
How to change the drive belt

Drive belt diagram for troy bilt bronco
Troy Bilt 13AX78KS011 Bronco (2010) Exploded View parts lookup by model. Complete exploded views of all the major manufacturers. It is EASY and FREE. Troy Bilt 13WX78KS011 Bronco (2011) Drive & Transmission Parts Diagram. Troy Bilt 13wv78ks011 Drive Belt Diagram. Parts diagrams and manuals available. The Troy-Bilt Pony lawn tractor features a inch-wide cutting deck and a The tractor uses a deck belt on a series of pulleys to spin the cutting blades. Troy Bilt 13wv78ks011 Bronco 15 Lawn Tractor Partswarehouse.
Drive belt diagram for troy bilt bronco. Troy Bilt Drive Belt Diagram. These include checking the tires sharpening the blades lubricating the tractor and maintain drive belts. Due to the size of the operators manual some operators manuals are broken down into two or more segments so that the entire operators manual can be downloaded easily. Troy Bilt 13WX78KS011 Bronco (2012) Exploded View parts lookup by model. Complete exploded views of all the major manufacturers. It is EASY and FREE. Troy Bilt Bronco Drive Belt Diagram ~ thank you for visiting our site, this is images about troy bilt bronco drive belt diagram posted by Brenda Botha in Troy category on Nov 16, You can also find other images like wiring diagram, parts diagram, replacement parts, electrical diagram, repair manuals, engine diagram, engine scheme, wiring harness ... Troy Bilt 13WX78BS011 Bronco (2017) Drive Exploded View parts lookup by model. Complete exploded views of all the major manufacturers. It is EASY and FREE.
2011 troy bilt bronco drive belt diagram. Troy bilt 13wx78ks011 bronco 2011 exploded view parts lookup by model. It is easy and free. It is easy and free. Lawn garden tractor parts. Complete exploded views of all the major manufacturers. Note that owners manuals may not have the most current schematic. Troy Bilt Bronco 13WV78KS211 (2016) Drive Exploded View parts lookup by model. Complete exploded views of all the major manufacturers. It is EASY and FREE. Troy Bilt Bronco Drive Belt Diagram Best Of Troy Bilt Tiller Parts Due to the size of the operators manual some operators manuals are broken down into two or more segments so that the entire operators manual can be downloaded easily. Troy bilt horse drive belt diagram. Troy bilt its parents affiliates and subsidiaries is concerned about the ... This video will show you how to replace the drive belt on this troy bilt walk behind mower. Replace the belt every one to two. I have a troy bilt horse that has 2 belts one for the 2 blades on the deck and a drive belt that runs the hydrostatic transmission. Troy Bilt 13wx78ks011 Bronco 2011 Parts Diagram For Drive.
Troy Bilt 13WX78KS Bronco () Drive & Transmission Parts Diagram . PLUG DECK HOLE 7/8 $ 36 A Upper Drive Belt. Troy Bilt 13WX78KS Bronco () Mower Deck Inch Exploded View parts lookup by model. Complete exploded views of all the major manufacturers. This is how you remove and change the deck belt on your Troy-Bilt riding lawn mower. Troy Bilt 13WX78KS Bronco Drive & Transmission Parts Diagram . KEEPER ASM BELT No Longer Available. USE Troy Bilt 13AV60KG Bronco Exploded View parts lookup by model. Complete Found on Diagram: Drive System Upper Drive Belt. Displaying Quick Reference parts for the Troy-Bilt 13YX78KS - Troy-Bilt Bronco 13YX78KS - Troy-Bilt Bronco Lawn Tractor ... Troy Bilt 13wv78ks011 Drive Belt Diagram. Parts diagrams and manuals available. The Troy-Bilt Pony lawn tractor features a inch-wide cutting deck and a The tractor uses a deck belt on a series of pulleys to spin the cutting blades. Troy Bilt 13wv78ks011 Bronco 15 Lawn Tractor Partswarehouse. Troy Bilt 13WX78KS011 Bronco (2011) Drive & Transmission Parts Diagram.
Troy Bilt 13AX78KS011 Bronco (2010) Exploded View parts lookup by model. Complete exploded views of all the major manufacturers. It is EASY and FREE.

Troy Bilt 13wx78ks011 Troy Bilt Bronco Lawn Tractor 2012 Engine Accessories Parts Lookup With Diagrams Partstree
0 Response to "37 drive belt diagram for troy bilt bronco"
Post a Comment