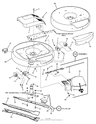
36 snapper lawn mower parts diagram
1610s, "an illustrative figure giving only the outlines or general scheme of the object;" 1640s in geometry, "a drawing for the purpose of demonstrating the properties of a figure;" from French diagramme, from Latin diagramma "a scale, a musical scale," from Greek diagramma "geometric figure, that which is marked out by lines," from diagraphein "mark out by lines, delineate," from dia "across, through" (see dia-) + graphein "write, mark, draw" (see -graphy). Related: Diagrammatic; diagrammatically. The verb, "to draw or put in the form of a diagram," is by 1822, from the noun. Related: Diagrammed; diagramming. 2000 Ski Doo Wiring Diagram Wiring Diagram 174716 Amazing Wiring Diagram Collection Mower Wiring Diagram For Snapper Lawn Mower Repair Craftsman Riding Lawn Mower Riding Lawn Mowers Image Result For Seadoo Xp Limited Wiring Diagram Diagram Diy Crafts Seadoo Pin On Service Manuals Pin On Ledningsdiagram Warn Solenoid Wiring Diagram Diagram ...
Power Mower Sales also supplies OEM accessories and replacement parts for all brands and models of zero turn mowers. Shop our assortment of lawn mower blades, belts, filters, wheels and much more. Use the links above to guide you to the proper parts diagram in our Zero-Turn Mower Parts Lookup to find what you need.

Snapper lawn mower parts diagram
"thin linen or cotton cloth," early 15c., probably from Laon, city in northern France, a center of linen manufacture. The town name is Old French Lan, from Latin Laudunum, of Celtic origin. For form evolution, compare fawn (n.) from faon. Lawn sleeves (1630s) were emblematic of Anglican bishops. Lawn Mower, Small Engine & Outdoor Equipment Part Finder Diagram Online - All Mower Spares PLEASE NOTE - Not all models are currently listed. If your model is not coming up please send us an email ( click here ) with your model number and we will email your parts listing back with pricing on the products you require. Snapper XD 82V MAX Cordless Electric 19" Push Lawn Mower, Includes Kit of 2 2.0 Batteries and Rapid Charger 985 $503.65 $ 503 . 65 EGO Power+ LM2133 21-Inch Select Cut Mower with 5.0Ah Battery and Rapid Charger Included 459
Snapper lawn mower parts diagram. "one who or that which snaps," 1570s, agent noun from snap (v.). Applied to various fishes since 1690s. Slang meaning "vagina" is by 2000. As a short form of snapping turtle (1784) it is recorded from 1872. Snappers "teeth" is attested from 1924. If your Toro Lawn Mower is broken, PartSelect.com can help. We offer over 2 million repair parts, step by step instructions and installation videos to help you complete your Toro repair. Use your model number and get started ordering Toro Lawn Mower parts today! Snapper Illustrated Parts Lists available online from LawnMowerPros and ready for your use. We are an Authorized Snapper Dealer with many Snapper Parts Lookup Diagrams. If you do not see the Snapper Parts Diagram you need, please complete the Lawn Mower Parts Request Form and we will be happy to assist you. 1853 as a type of machine to cut grass, from lawn (n.1) + mower. Originally pushed by hand or drawn by horses, later also powered by a motor.
Snapper XD 19-Inch Cordless Push Walk Mower| SXD19PWM82K 82-Volt Max*, 3-in-1 Mowing Deck, Push button start The Snapper XD 82V Max* 19” Cordless walk mower powered by a 2.0, 4.0, or 5.0 Briggs & Stratton Lithium-Ion Battery is built for durability and ease of use. "turf, stretch of grass," 1540s, laune "glade, open space in a forest or between woods," from Middle English launde (c. 1300), from Old French lande "heath, moor, barren land; clearing" (12c.), from Gaulish (compare Breton lann "heath"), or from a cognate Germanic word, from Proto-Germanic *landam-, source of English land (n.). The -d perhaps was mistaken for an affix and dropped. Sense of "grassy ground kept mowed" first recorded 1733. Lawn-tennis is from 1884. 1872, from lawn (n.1) + sprinkler. 1918 (Venn's diagram is from 1904), named for English logician John Venn (1834-1923) of Cambridge, who explained them in the book "Symbolic Logic" (1881).
"personal qualities, gifts of ability, share of mental endowments or acquirements," 1560s, from part (n.). also whippersnapper, 1670s, apparently a "jingling extension" [OED] of *whip-snapper "a cracker of whips," or perhaps an alteration of snipper-snapper (1580s). Compare also late 16c. whipperginnie, a term of abuse for a woman. Jun 23, 2014 - Wiring Diagram craftsman riding lawn mower? I need one for a craftsman garden tractor. I know there are problems with the - Answered by a verified Technician early 14c., "one who cuts grass with a scythe," agent noun from mow (v.). Mechanical sense is from 1852.
Snapper XD 82V MAX Cordless Electric 19" Push Lawn Mower, Includes Kit of 2 2.0 Batteries and Rapid Charger 985 $503.65 $ 503 . 65 EGO Power+ LM2133 21-Inch Select Cut Mower with 5.0Ah Battery and Rapid Charger Included 459
Lawn Mower, Small Engine & Outdoor Equipment Part Finder Diagram Online - All Mower Spares PLEASE NOTE - Not all models are currently listed. If your model is not coming up please send us an email ( click here ) with your model number and we will email your parts listing back with pricing on the products you require.
"thin linen or cotton cloth," early 15c., probably from Laon, city in northern France, a center of linen manufacture. The town name is Old French Lan, from Latin Laudunum, of Celtic origin. For form evolution, compare fawn (n.) from faon. Lawn sleeves (1630s) were emblematic of Anglican bishops.
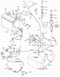
Snapper 25083 (89394) - Snapper 25" Rear-Engine Riding Mower, 8hp Electrical Systems Parts Lookup with Diagrams | PartsTree















0 Response to "36 snapper lawn mower parts diagram"
Post a Comment