Iklan 300x250

36 john deere g100 parts diagram

John Deere Parts Diagrams, John Deere G100 Garden Tractor. ELECTRICAL. Engine GU20277. Fuel and Air. LABELS AND OPTIONAL EQUIPMENT. Material Collection System. Mower Deck and Lift Linkage. Power Train. Power Train MM13485. A Complete Listing Of All John Deere Lawn Tractor Parts Is Available Using Illustrated Diagrams. This quick parts reference guide will provide you with the most common John Deere G110 Lawn Tractor Parts 54 Mower Deck. These John Deere Lawn Tractor Parts may include: Tune Up Kit, Spark Plug, Mower Blades, Traction Drive Belt, Transmission Belt ...

Filter parts for the John Deere 100 Lawn Tractor w/42″ Mower Deck include: Air Filter-Kit and Fuel Filter. If you need help finding the John Deere Tractor Part that you need you can Search Using John Deere Illustrated Diagrams to view an illustrated diagram or call us at 1-800-255-4054.

John deere g100 parts diagram

John deere g100 parts diagram

John Deere Parts Diagrams, John Deere G100 Lawn Tractor Material Collection System -PC9292. AIR CLEANER: Fuel & Air. AXLE SHAFT & DIFFERENTIAL: Power Train MM13485. BAFFLES: Mower Deck & Lift Linkage. BAG,POST & BRACKETS: Material Collection System. BATTERY: ELECTRICAL. BELT DRIVE & IDLERS: Power Train MM13485. BLADE: Snow Blade 46-Inch. John Deere G100 Parts Diagrams. Parts Lookup - Enter a part number or partial description to search for parts within this model. There are (5) parts used by this model. 12v, 10 tooth, PMGR type, CCW rotation. Mounts w/two (2) hole tangent design DE housing. John Deere 15 AMP Stator Coil - AM33426. (0) $125.70. Usually available. Add to Cart. Quick View. John Deere 24x12.00-12 Single-Ring Tire Chain Set - TY24328. (3) $139.90.

John deere g100 parts diagram. Service Schedule Parts for a John Deere G100 Lawn Tractor & Parts List. While your John Deere machine is certainly built with quality parts, they have a limited life. Good news is you can easily service your machine yourself using a John Deere maintenance kit or service kits or by getting the specific John Deere part needed to keep your John Deere mower or tractor running for a long time. John Deere G100 G-100 Tractor Mower Service Manual Download. This John Deere TM-2020 Technical Service Manual offers detailed servicing instructions for the John Deere G100 Lawn and Garden Tractor. GENERAL INFORMATION Safety General Specifications Cap Screw Torque Tune-Up Fuel and Lubrication Serial Numbers. John Deere G100 Parts. The John Deere G100 was produced in 2003. It came equipped with a hydrostatic drive transmission, 54" Mower Deck and 25hp Kohler engine. Regular Maintenance should be performed on the G100 every 50 hours and should include Spark Plug, Air Filter, Oil Filter with 2.1qts oil and sharpen or replace mower blades. John Deere AG, Lawn & Garden and CWP Equipment Parts Search. John Deere parts lookup tool and diagram is an incredible online source. It is a complete catalog that shows you detailed parts diagrams of every part of your machine. This online parts catalog is robust and easy to use. Searching for your John Deere parts online has never been easier.

John Deere 15 AMP Stator Coil - AM33426. (0) $125.70. Usually available. Add to Cart. Quick View. John Deere 24x12.00-12 Single-Ring Tire Chain Set - TY24328. (3) $139.90. John Deere G100 Parts Diagrams. Parts Lookup - Enter a part number or partial description to search for parts within this model. There are (5) parts used by this model. 12v, 10 tooth, PMGR type, CCW rotation. Mounts w/two (2) hole tangent design DE housing. John Deere Parts Diagrams, John Deere G100 Lawn Tractor Material Collection System -PC9292. AIR CLEANER: Fuel & Air. AXLE SHAFT & DIFFERENTIAL: Power Train MM13485. BAFFLES: Mower Deck & Lift Linkage. BAG,POST & BRACKETS: Material Collection System. BATTERY: ELECTRICAL. BELT DRIVE & IDLERS: Power Train MM13485. BLADE: Snow Blade 46-Inch.

Scotts S2554 Jd G100 Project Page 2 My Tractor Forum

Scotts S2554 Jd G100 Project Page 2 My Tractor Forum

Pin On Backhoe Loaders Technical Repair Service Manuals

Pin On Backhoe Loaders Technical Repair Service Manuals

Fuel Pump Fits John Deere G100 G110 Gt235 Gt235e Gt245 Gx85 Gx255 Lawn Tractors Ebay

Fuel Pump Fits John Deere G100 G110 Gt235 Gt235e Gt245 Gx85 Gx255 Lawn Tractors Ebay

Jual New Starter Solenoid John Deere Tractor G100 G110 L130 Lx266 2509808s Kota Tangerang Eka Akar Jaya Abadi Tokopedia

Jual New Starter Solenoid John Deere Tractor G100 G110 L130 Lx266 2509808s Kota Tangerang Eka Akar Jaya Abadi Tokopedia

Amazon Com Lawn Mower Deck Belt For John Deere Scotts M118685 G100 Gt225 Gt235 345 Lx277aws 120 X 5 8 Patio Lawn Garden

Amazon Com Lawn Mower Deck Belt For John Deere Scotts M118685 G100 Gt225 Gt235 345 Lx277aws 120 X 5 8 Patio Lawn Garden

International Harvester 3444 Tractor Loader Backhoe Service Manual

International Harvester 3444 Tractor Loader Backhoe Service Manual

Amazon Com Hd Switch Steering Tie Rod Replacement For John Deere G100 Sabre 1842gv 1842hv 1848gv 1848hv 1948gv 1948hv 2048hv 2148hv 2254hv 2354hv 2554hv Automotive

Amazon Com Hd Switch Steering Tie Rod Replacement For John Deere G100 Sabre 1842gv 1842hv 1848gv 1848hv 1948gv 1948hv 2048hv 2148hv 2254hv 2354hv 2554hv Automotive

Lawn Mower Parts John Deere Us

Lawn Mower Parts John Deere Us

Pin On John Deere

Pin On John Deere

John Deere G100 Lawn Tractor 54 Mower Deck Parts Rebuild Kit Free Shipping Ebay

John Deere G100 Lawn Tractor 54 Mower Deck Parts Rebuild Kit Free Shipping Ebay

54 Mower Deck Parts Rebuild Kit Fits John Deere G100 Lawn Tractor Free Shipping Ebay

54 Mower Deck Parts Rebuild Kit Fits John Deere G100 Lawn Tractor Free Shipping Ebay

Idler Pulley Fits John Deere Mower Deck Fits G100 Gt242 Gt262 Gt275 Replaces Am106627 Walmart Com

Idler Pulley Fits John Deere Mower Deck Fits G100 Gt242 Gt262 Gt275 Replaces Am106627 Walmart Com

John Deere G100 Specs Price Review Attachments

John Deere G100 Specs Price Review Attachments

Amazon Com Parts Player New Starter For John Deere G100 G1120 L130 Lx266 2002 2005 Automotive

Amazon Com Parts Player New Starter For John Deere G100 G1120 L130 Lx266 2002 2005 Automotive

John Deere G100 Complete 54 Mower Deck Pickup Only 399 99 Picclick

John Deere G100 Complete 54 Mower Deck Pickup Only 399 99 Picclick

John Deere Lawn Tractor Hood Gx21184

John Deere Lawn Tractor Hood Gx21184

John Deere G100 Lawn Mower Tm 2020 Service Repair Manual Manual4you

John Deere G100 Lawn Mower Tm 2020 Service Repair Manual Manual4you

John Deere G100 G110 Garden Tractors Tm2020 Pdf Manual

John Deere G100 G110 Garden Tractors Tm2020 Pdf Manual

John Deere G100 Lawn Tractor Maintenance Guide Parts List

John Deere G100 Lawn Tractor Maintenance Guide Parts List

Buy Rareelectrical New Starter Solenoid Compatible With John Deere Tractor G100 G110 L130 Lx266 By Part Numbers Sdr6157 66 157 66157 Online In Germany B009f2ddsa

Buy Rareelectrical New Starter Solenoid Compatible With John Deere Tractor G100 G110 L130 Lx266 By Part Numbers Sdr6157 66 157 66157 Online In Germany B009f2ddsa

Stens New 430 073 Pto Switch For John Deere 425 445 455 G100 Lx289 Lt190 And Lx288 Lawn Tractors Lva21438 430 073 The Home Depot

Stens New 430 073 Pto Switch For John Deere 425 445 455 G100 Lx289 Lt190 And Lx288 Lawn Tractors Lva21438 430 073 The Home Depot

John Deere G100 Lawn Mower Tm 2020 Service Repair Manual Manual4you

John Deere G100 Lawn Mower Tm 2020 Service Repair Manual Manual4you

1

1

John Deere Lawn Tractor G100 Pdf Technical Manual Tm2020

John Deere Lawn Tractor G100 Pdf Technical Manual Tm2020

Lawn Mower Parts Accessories John Deere G100 La130 Lawn Garden Kohler Cv730 Push Rods Home Garden

Lawn Mower Parts Accessories John Deere G100 La130 Lawn Garden Kohler Cv730 Push Rods Home Garden

John Deere G100 Lawn Tractor Material Collection System Pc9292 Mower Drive Belt Sheaves Spindles Blades Mower Deck And Lift Linkage

John Deere G100 Lawn Tractor Material Collection System Pc9292 Mower Drive Belt Sheaves Spindles Blades Mower Deck And Lift Linkage

1

1

John Deere G100 Lawn Tractor Maintenance Guide Parts List

John Deere G100 Lawn Tractor Maintenance Guide Parts List

Pin On John Deere

Pin On John Deere

John Deere G100 G110 Garden Tractors Tm2020 Pdf Manual

John Deere G100 G110 Garden Tractors Tm2020 Pdf Manual

Jual New Starter Solenoid John Deere Tractor G100 G110 L130 Lx266 2509808s Kota Tangerang Eka Akar Jaya Abadi Tokopedia

Jual New Starter Solenoid John Deere Tractor G100 G110 L130 Lx266 2509808s Kota Tangerang Eka Akar Jaya Abadi Tokopedia

A Gy20554 Replacement Seat For John Deere G100 Riding Mower Lawn Tractor And Cs Gator

A Gy20554 Replacement Seat For John Deere G100 Riding Mower Lawn Tractor And Cs Gator

Ignition Switch For 100 D100 E100 G100 L100 La100 And S200 Series Electrical Replacement Parts Genuine Parts John Deere Products Johndeerestore

Ignition Switch For 100 D100 E100 G100 L100 La100 And S200 Series Electrical Replacement Parts Genuine Parts John Deere Products Johndeerestore

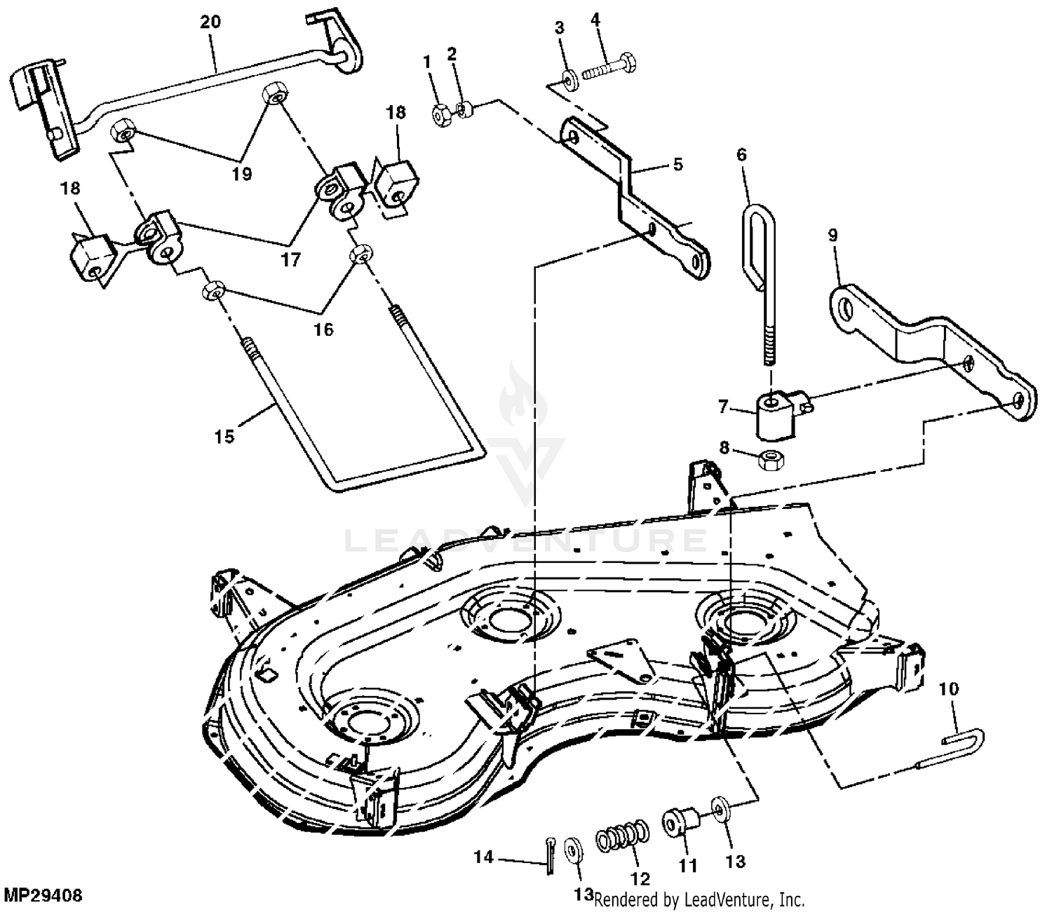
John Deere G100 Lawn Tractor Pc9292 Gxg100a010000 020000 2003 G100 Lawn Tractor Pc9292 Gxg100b010000 020000 Canadian Australian 2003 G100 Lawn Tractor Pc9292 Draft Arms Mower Deck Lift Linkage

John Deere G100 Lawn Tractor Pc9292 Gxg100a010000 020000 2003 G100 Lawn Tractor Pc9292 Gxg100b010000 020000 Canadian Australian 2003 G100 Lawn Tractor Pc9292 Draft Arms Mower Deck Lift Linkage

John Deere G100 Lawn Tractor Material Collection System Pc9292 Parking Brake Steering Brakes

John Deere G100 Lawn Tractor Material Collection System Pc9292 Parking Brake Steering Brakes

Enjoy 50 Off John Deere 44ah 44 44h 44a Plow Parts Manual Catalog Pc402 Hot Sports Fcls In

Enjoy 50 Off John Deere 44ah 44 44h 44a Plow Parts Manual Catalog Pc402 Hot Sports Fcls In

0 Response to "36 john deere g100 parts diagram"

Post a Comment

Iklan Atas Artikel

Iklan Tengah Artikel 1

Iklan Tengah Artikel 2

Iklan Bawah Artikel