35 johnson outboard fuel pump diagram
Sierra 18-7353 Fuel Pump Replaces 0438555. List Price: $81.49. Our Price: Our Price: $56.99. Sierra 18-7353 Fuel Pump for Johnson, Evinrude Outboards Sierra replacement fuel pump for Johnson/Evinrude Outboards. Sierra marine parts are manufactured to meet or exceed OEM requirements. Re: 1988 johnson fuel line Diagrams. very simple when you step back and look at it. you have supply from hose connection to vro pump, you have the pulse line to vro pump. you have an out going line from vro, that splits to the carbs, and the primer, IN connection. you have the primer out line that splits to the carbs, and the block. take one ...
Find accessories and kits by diagram for 1972-2012 Johnson Evinrude outboard motors. Find Your Engine Drill down from the year, horsepower, model number and engine section to get an online inventory of genuine OEM and aftermarket Johnson Evinrude outboard parts.

Johnson outboard fuel pump diagram
Evinrude Diagram Forum Topics. Evinrude Parts Evinrude Repair Manual ... Evinrude Outboard Discussions 4-Stroke Bracket Cable Carburetor Code Color ... Cylinder Dealer Diagram Drive Electric Engine E-TEC Exhaust Ficht Flywheel Fuel Fuel Pump Gasket Gauge Gearcase Identification Impeller Key Keyswitch Leak Loss Lower Unit Marine ... Sierra 18-7820 Fuel Pump Kit for Johnson and Evinrude Outboards Sierra replacement engine parts are designed to meet or exceed OEM requirements. This fuel pump kit fits the following Johnson/Evinrude outboards: 25 HP (1982-1983) 30 HP (1984) 35 HP... View parts diagrams and shop online for FUEL PUMP parts, 1977 Johnson Outboards 115 115EL77S. Offering discount prices on OEM parts for over 50 years. FAST $4.95 shipping available.
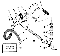
Johnson outboard fuel pump diagram. Find the cheap Johnson Outboard Fuel Pump Diagram, Find the best Johnson Outboard Fuel Pump Diagram deals, Sourcing the right Johnson Outboard Fuel Pump ... Johnson J50TELEOD 1995 Fuel Pump And Filter Diagram. Catalog; Johnson; Outboard; 50HP; J50TELEOD 1995; Fuel Pump And Filter; Check Availability. Select your address # Description Price Qty; 1: FUEL PUMP ASSY. 0433388 In Stock. $163.99 $154.97 Add . 2: SCREEN, Filter 0312675 Fuel Pump Rebuild Kit for Johnson Evinrude Outboard. A fuel pump rebuild kit is needed every so often with outboard motors. The inner rubber diaphragm can develop cracks or pin holes that effect proper fuel flow, and inner check valves and springs can break causing complete pump failure. From the parts diagram online I was confident that I was ordering the right part Jun, 30 2017 by Carroll. 1 5 5. 1978 Johnson 70 hp. I purchased a fuel pump for my 70 hp Johnson outboard motor and needed it shipped as soon as possible to Pennsylvania. Crowley Marine had the part at my door 48 hours later. I will definitely be ordering any ...
There will be a bolt with 3/8 head and a screw driver slot in head of bolt on port side of block ( a little behind the VRO pump) and a bolt hole on each side of bolt, That bolts blocks off the pulse hole (remove bolt ) to operate diaphragm style fuel pump. You would need to order mounting screws and gasket to use this style fuel pump. FUEL PUMP ASSY.. See Accessories Parts Catalog for Repair Kit Part Numbers. 0435560. In Stock. $633.49. $598.65. Add. 2. CONNECTOR, 4-socket plug. just before the fuel pump, some clear hose also at the fuel pump inlet and a pressure gauge at fuel pump outlet. The sketch in figure 2 shows a typical V4 outboard fuel system. With gauges inserted (using Tee fittings) and some clear hose, it is then just a matter of operating the motor at maximum fuel flow (wide open throttle) and note the ... 13 Jul 2016 — Does any one know where I can get a diagram of how to rebuild the fuel pump? part # 312631 or 0397839 I purchased a rebuild kit but it came ...
Re: Fuel pump diagram Originally Posted by sonalkumar095 To get more information regarding pumps, valves and diaphragm related information visit below link this would be helpful for you Johnson/Evinrude 0397839 Fuel Pump Genuine OEM replacement fuel pump for Johnson/Evinrude outboards. Interchangeable with: Sierra 18-7350 Mallory 9-35350 Add to Cart. Johnson Fuel Pumps. Boat fuel pumps carry gas from the fuel tank to each engine cylinder. These pumps affect how your outboard burns fuel, and therefore, how much power it can ... Buy OEM Parts for Johnson Outboard Parts by Year 1993 FUEL PUMP Diagram VRO Replacement Fuel Pump Assembly Fits Johnson / Evinrude 90, 100, 115hp V4 60 degree VRO outboards This is a cheaper alternative to the following VRO pumps: 174955, 435555, 436203, 438400, 5004558, 5007420, 5007422, 8402-460
Armchair (1904/5) // Manufactured by J. S. Ford, Johnson and Company American, 1872–early 20th century
5007420 Outboard VRO Fuel Pump Compatible with Johnson Evinrude Oil Injection Conversion Fuel Pump 90-250HP V4 V6,Replaces 4-7359 1399-07359. 4.1 out of 5 stars. 32. $55.50.
1970 Johnson 1.5 HP Outboard Motor Service Repair Manual P/N JM-7001 Original Johnson service manual covers 1 1/2 HP Outboard motors. Manual covers the following Johnson 2HP outboard model: 1R70 Manual covers detailed maintenance and repair procedures. It includes hi-resolution diagrams and detailed step-by-step instructions. Item #: JM-7001 Manual
Evinrude Fuel Pump Forum Topics. Evinrude Parts Evinrude Repair Manual Outboard Motors for Sale Fuel Tanks Lower Units Evinrude Outboards: Fuel Pump No Results To Display. Fuel Pump Related Links Chrysler Outboard Fuel Pump Evinrude Fuel Pump ... Diagram Drive Electric Engine E-TEC Exhaust Ficht Flywheel Fuel Fuel Pump Gasket Gauge ...
FUEL PUMP ASSY.. See Accessories Parts Catalog for Repair Kit Part Numbers . 0438400. In Stock. $608.99. $575.49. Add. 2. CONNECTOR, 4-socket plug.
Johnson | Outboard Parts by Year | 1983 | 35 | J35RLCTS 1983 | FUEL PUMP - Evinrude/Johnson/OMC outboard motor parts - Van's Sport Center
Johnson J50PLSSM FUEL PUMP Diagram. Catalog; Johnson; Outboard Parts By Year; 2000; J50PLSSM; FUEL PUMP; Check Availability. Select your address # Description Price Qty; 2: RETAINER 0512743 Ships in 2 to 3 days. $11.99 $10.79 Add . 3: MOUNT, Isolation 0333521 Ships in 2 to 3 days.
0439347 Evinrude Johnson Outboard Vapor Separator & Fuel Pump 90-175 Hp 1998-06. GB634147692 $389.99 View Details. 5000770 Evinrude Outboard Set of 4 Ficht Fuel Injectors 90 & 115 HP 1999. GB634145570 $599.99 View Details. 5001252 Evinrude Johnson Outboard 75-175 HP Ficht Fuel Filter Housing Assembly ...
Johnson Pump. Raw Water Pumps and Parts. Raw Water Pumps; Impellers and Service Kits. ... Outboard Fuel Pump Repair Kits; Outboard Fuel Connectors; Brass Fuel Fittings; Outboard Fuel Line Assemblies; ... Parts Diagrams. Crusader. V8 Small Block Engines / 5.0 Liter (305) & 5.7 Liter (350) 5.0 Liter (305)
(List Price 150.07) 312633 Screen, Fuel Pump Johnson/Evinrude 4-20hp Cross Ref #: 312633 Mfg Part #: 312633 In Stock
View parts diagrams and shop online for J50PLSSM : 2000 Johnson Outboards 50. Offering discount prices on OEM parts for over 50 years. FAST $4.95 shipping available.
VRO Replacement Fuel Pump Assembly Fits Johnson / Evinrude 150hp 1991-2006, 175hp 1991-2006 60 degree VRO outboards This is a cheaper alternative to the following VRO pumps: 174955, 435555, 438400, 5004558, 5007420, 5007422, 8402-60
Buy OEM Parts for Johnson Outboard Parts by HP 65HP Fuel Pump Group Diagram.
EVINRUDE Johnson Fuel Pump Replacement Kit 3 CYL 60 70 All VRO Equipped Models for sale online | eBay
USE YOUR BACK ARROW TO NAVIGATE - As far as practicle, related parts are grouped together. Domestic on line orders - shipping and handling USPS air for $8.95 regardless of size. Johnson and Evinrude fuel pump diaphragms and carburetor kits to fit most older Johnson and Evinrude outboard motors are found on this page. See our other pages for more Mercury, Johnson and Evinrude outboard ...
Find 1980 7.5hp Johnson Evinrude Outboard Motor Parts by Model Number. Revise Search: All Years > 1980 > 7.5 hp > Fuel Pump.
A fuel pump rebuild kit is needed every so often with outboard motors. The inner rubber diaphragm can develop cracks or pin holes that effect proper fuel flow, and inner check valves and springs can break causing complete pump failure. Older motors can have pre-ethanol components that should be upgraded to new ethanol resistant materials.
View parts diagrams and shop online for FUEL PUMP parts, 1977 Johnson Outboards 115 115EL77S. Offering discount prices on OEM parts for over 50 years. FAST $4.95 shipping available.
Sierra 18-7820 Fuel Pump Kit for Johnson and Evinrude Outboards Sierra replacement engine parts are designed to meet or exceed OEM requirements. This fuel pump kit fits the following Johnson/Evinrude outboards: 25 HP (1982-1983) 30 HP (1984) 35 HP...
Evinrude Diagram Forum Topics. Evinrude Parts Evinrude Repair Manual ... Evinrude Outboard Discussions 4-Stroke Bracket Cable Carburetor Code Color ... Cylinder Dealer Diagram Drive Electric Engine E-TEC Exhaust Ficht Flywheel Fuel Fuel Pump Gasket Gauge Gearcase Identification Impeller Key Keyswitch Leak Loss Lower Unit Marine ...
Bed Rug (1796) // Hannah Johnson (American, 1770–1848) United States, Connecticut, New London County, Bozrah
0 Response to "35 johnson outboard fuel pump diagram"
Post a Comment