35 air compressor parts diagram
We carry thousands of aftermarket air compressor spare parts in stock from all major OEMs like Ingersoll Rand, Atlas Copco, Sullair, Kaeser, Quincy and more, available online 24/7 for your convenience or by calling toll-free: 866-650-1937. We are constantly adding new resources to offer you the widest selection; we manufacture and supply only ... Need to fix your 919167240 Air Compressor? Use our part lists, interactive diagrams, accessories and expert repair advice to make your repairs easy.
Important parts of a reciprocating air compressor are as follows: Cylinder Head, Suction/ Intake valve, Delivery valve, Cylinder liner/ Wall/ cooling water jacket, Compressor casing, Crank case, Piston, Connecting rod, Crank shaft, Main Bearings, Bed plate or Bottom structure, Foundation, Lubricating Oil strainer, Stage relief valves, Intercoolers, After-coolers, Suction filter, and other ...

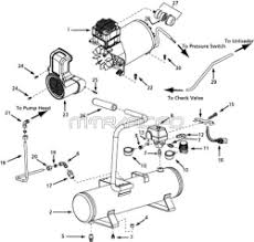
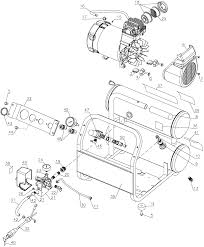
Air compressor parts diagram
Purchase original Sanborn air compressor parts for all Sanborn models. Quickly find the model of the Sanborn air compressor you own, then navigate down the exploded view parts diagram based on your air compressor model. Using the exploded view parts diagram, just click on the original Sanborn air compressor part you need and checkout through ... Sears craftsman 106 153680 air compressor parts sears craftsman 106 172342 air compressor parts sears craftsman 919 156580 air compressor parts sears craftsman air compressor parts. Whats people lookup in this blog: ... Massey Ferguson 41 Sickle Mower Parts Diagram Patio Umbrella Tilt Mechanism Parts White Mountain Ice Cream Freezer Replacement ... Your air compressor unit is suitable for operating air tools, caulking guns, grease guns, sandblasters, etc Depending on your application, the following accessories may be required: An air pressure regulator to adjust the air pressure entering the tool or accessory An air line filter for removal of moisture and oil vapor in compressed
Air compressor parts diagram. PUMA INDUSTRIES, INC. © 2021 1992 Airways Blvd Memphis, TN 38114 TEL: 901-744-7979 FAX: 901-744-7579 Email: sales@pumaaircenter.com Privacy Policy . Website Template ... Air pressure regulator Air compressor pressure regulator with dial, 0-175 PSI air meter is suitable for replacement parts of air compressor (four-way valve) 3.9 out of 5 stars 9. $14.99 $ 14. 99. Get it as soon as Tue, Nov 30. FREE Shipping on orders over $25 shipped by Amazon. Breakdown Re-Created by Allen R. 1. GAS COMPRESSOR PARTS LIST www.metabo-hpt.com for more Breakdowns. GAS AIR COMPRESSOR. 2007 • 03 • 29. Model EC 2510E. Wide selection of air compressor parts, pumps, pressure switches, check valves, rebuild kits and regulators. On-line schematics and helpful hints.
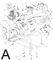
Air Compressor Anatomy 101. Here we we have breakdown drawings and diagrams of Piston air compressors (reciprocating aka "Recip") as well as for Rotary Screw air compressors. There are other types, but the vast majority of air compressors in use today are one of these two types. In general they consist of an air pump, a motor or engine and a ... Campbell Hausfeld HX5101 Air-Compressor Parts Exploded View parts lookup by model. Complete exploded views of all the major manufacturers. Part Number: K-0650. In Stock, 25+ available. This kit is an OEM part direct from Craftsman for air compressors. This kit consists of the parts for building a piston cylinder in the compressor. It is recommended that you release air and unplug the air compressor before you install this kit. Find the MiTM Air Compressor model you own in the diagram listings shown below. Each link will take you direct to that model MiTM Air Compressor parts list and part view diagram. Be sure to have your correct Air Compressor model number and serial ready when locating your parts.
Briggs and Stratton Air Compressor parts that fit, straight from the manufacturer. Use our interactive diagrams, accessories, and expert repair help to fix your Briggs and Stratton Air Compressor . 877-346-4814. Departments Accessories Appliance Parts Exercise ... Need to repair your Porter-Cable Compressor? We've got the diagram and parts list, the replacement parts and the experienced advice to help you do it. The Ingersoll Rand reciprocating air compressor parts finder experience is designed to make finding air compressor parts simple. You'll find everything from OEM replacement valves and gaskets to maintenance kits, belts, motors, and pumps. If you don't see the parts you need listed with your model number, we can still help! Model Number: OL90150. More Info. Portable Oil-Bath Electric Air Compressor Parts. Individual Repair Parts. Model Number: OL40135SS. More Info. Portable Oil-free Air Compressor Parts. Individual Repair Parts. Model Number: OF25150, OF25150A.
Air Compressor Parts Model Number: CT100100AV, EX100100; More Info Portable Oil-Free Direct-Drive Electric Air Compressor Parts Individual Repair Parts Model Number: FP220500, FP220600, FP220001, FP220700; More Info Portable Oil-Free Direct-Drive Electric Air Compressor Parts ...
This is a short video on How To Identify Parts On An Air Compressor. We give a brief explanation here on where the typical part on an air ...
The most important factor in any air compressor installation is efficiency. Buying genuine parts will help to improve the overall efficiency of your compressor by optimising performance and ensuring the integral parts of the compressor are performing as expected. Decreased downtime
Rev811 Service and Support: 866-869-3114 Pt# 1312100537 PARTS MANUAL AIR COMPRESSOR
Major Compressor Components Compressor Operation Diagram Energy Saving With VSD Variable Speed Rotary Screw Compressors Series Easy Handling Compressor VSD Compressor Inverter Technology Compressor Installation ... Oil Filter, Air Filter, Compressor Oil, V-Belt Set, Thermostatic Valve Kit, Pneumatic Filter, Suction ... Puma Compressor Spare Parts .
Description: Air Compressor Screw Tank Parts With Dryer - Worldcamp.co inside Ingersoll Rand Air Compressor Parts Diagram, image size 900 X 1068 px, and to view image details please click the image.. Here is a picture gallery about ingersoll rand air compressor parts diagram complete with the description of the image, please find the image you need.
Genuine air compressor parts are the only ones that are really designed for your compressor or vacuum pump. By keeping your system integrity intact, they ensure the performance level you expect from your equipment. The right replacement parts at the right time
Quickly find the model of the Industrial Air Contractor air compressor you own, then navigate down the exploded view parts diagram based on your air compressor model. Using the exploded view parts diagram, just click on the original Industrial Air Contractor air compressor part you need and checkout through the shopping cart.
A Guide to Air Compressor Parts. Air compressors are vital power sources for many businesses, and they have a variety of applications for use. From start-and-stop use in an auto repair shop to twenty-four-hour daily operation in a factory or other industrial setting, the process of pressurizing air is a common business operation, and it needs to be efficient.
Fig shows various parts of three-stage (V type) reciprocating air compressor with the receiver (air tank). The pressure switch is connected to the electric motor. When the desired pressure in the air tank is reached it stops the motor and hence the compressor. The safety valve opens when the pressure in the air tank exceeds the set safe pressure.
Campbell Hausfeld HM7500 Air-Compressor Parts Exploded View parts lookup by model. Complete exploded views of all the major manufacturers.
We have old Craftsman air compressor parts, Craftsman 33 gallon air compressor parts, Craftsman 5.5 hp 30 gallon air compressor parts and Craftsman 16471 parts. Use the exploded parts drawings on our Sears PartsDirect website to easily find the Sears air compressor parts including Craftsman compressor motor parts you need to get your equipment ...
Screw Compressor. A screw compressor is a type of rotary compressor which compresses air due to screw action. The main advantage of using this compressor is that it can supply compresses air continuously with minimum fluctuation in delivery pressure. It is usually applied for low-pressure applications up to 8 bars.
Description: F2S20Vwd, 947265 Husky Air Compressor Parts inside Husky Air Compressor Parts Diagram, image size 1000 X 603 px, and to view image details please click the image.. Here is a picture gallery about husky air compressor parts diagram complete with the description of the image, please find the image you need.
Craftsman 919184260 air compressor parts - manufacturer-approved parts for a proper fit every time! We also have installation guides, diagrams and manuals ...
ONLINE PARTS ORDERING Sullivan-Palatek participates in SmartEquip's Online Parts support network, which provides access to technical diagrams, parts lists, and User Manuals for Sullivan-Palatek's air compressor models. This makes identifying and ordering the correct parts quick and easy. Need parts in a hurry? Don't wait! The cutoff time to
Air compressor parts for all major air compressor brands - manufacturer-approved parts for a proper fit every time! We also have installation guides, diagrams and manuals to help you along the way! Sears Parts Direct. Please enter one or more characters. Search Input ...
One technique would be changing the supply inlet from the bottom to the top of the compressor, to help reduce the moisture. Another would be using an aftercooler, they can remove above 50% of the liquid in an air compressor piping diagram. It must be noted, that it is impossible to keep any air compressor system free of moisture.
AIR COMPRESSORS THAT WORK AS HARD AS YOU DO. From go-anywhere portability to do anything capacity, there's a Campbell Hausfeld air compressor that's perfect for ...
loose parts are left on the compressor or drive parts. 13. Do not use flammable solvents for cleaning the air inlet filter or element and other parts. attachments. 14. Exercise cleanliness during maintenance and when making repairs. Keep dirt away from parts by covering parts and exposed openings with clean cloth or Kraft paper.
Your air compressor unit is suitable for operating air tools, caulking guns, grease guns, sandblasters, etc Depending on your application, the following accessories may be required: An air pressure regulator to adjust the air pressure entering the tool or accessory An air line filter for removal of moisture and oil vapor in compressed
Sears craftsman 106 153680 air compressor parts sears craftsman 106 172342 air compressor parts sears craftsman 919 156580 air compressor parts sears craftsman air compressor parts. Whats people lookup in this blog: ... Massey Ferguson 41 Sickle Mower Parts Diagram Patio Umbrella Tilt Mechanism Parts White Mountain Ice Cream Freezer Replacement ...
Purchase original Sanborn air compressor parts for all Sanborn models. Quickly find the model of the Sanborn air compressor you own, then navigate down the exploded view parts diagram based on your air compressor model. Using the exploded view parts diagram, just click on the original Sanborn air compressor part you need and checkout through ...



0 Response to "35 air compressor parts diagram"
Post a Comment